Left rear power window not working

Tiny
RAMJER
  • MEMBER
  • 2004 CADILLAC DEVILLE
  • 46,000 MILES
Window does not go up or down. Is there a separate fuse for each window?
Sunday, October 29th, 2017 AT 6:23 AM

1 Reply

Tiny
KEN L
  • MASTER CERTIFIED MECHANIC
  • 55,488 POSTS
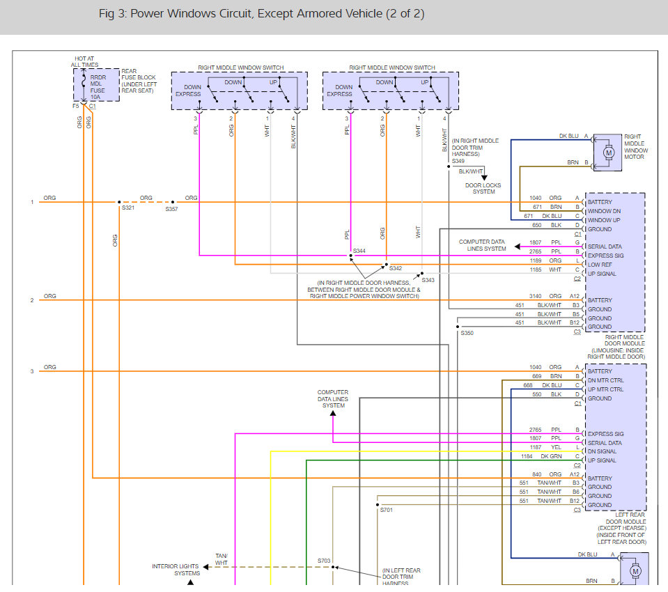
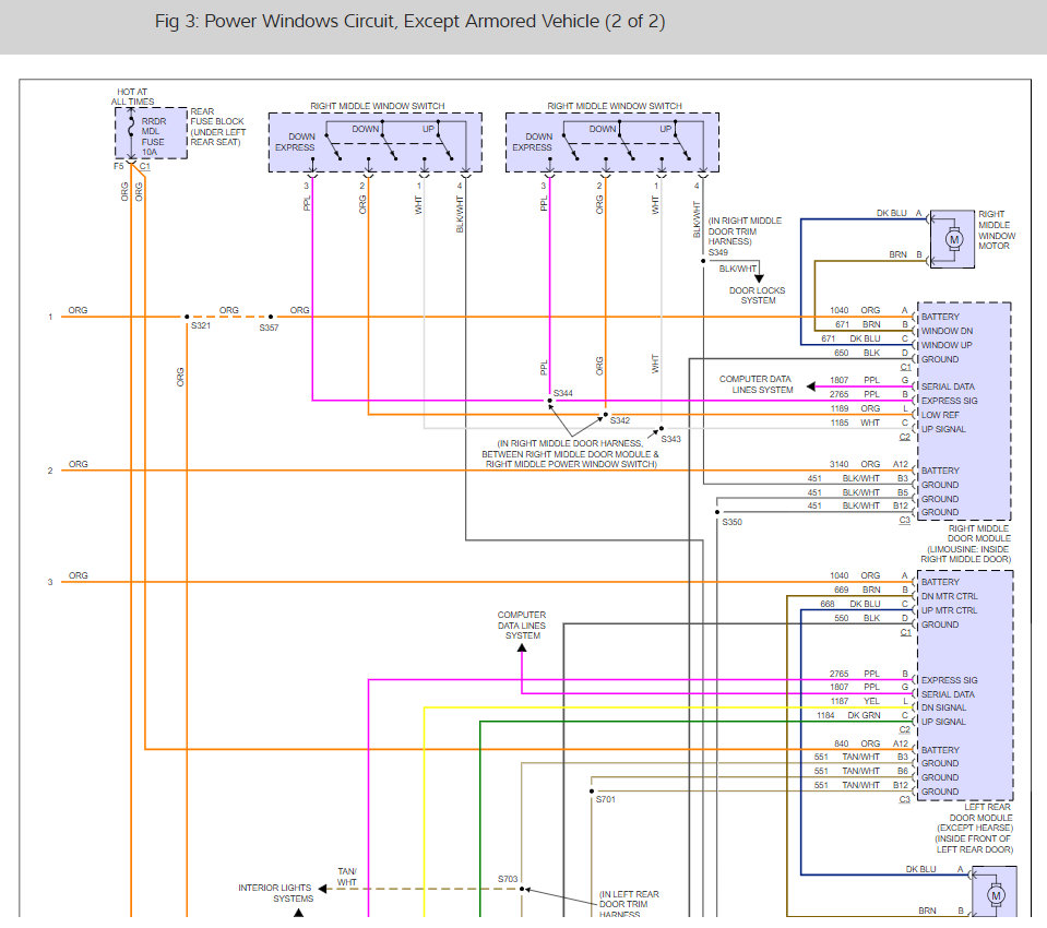
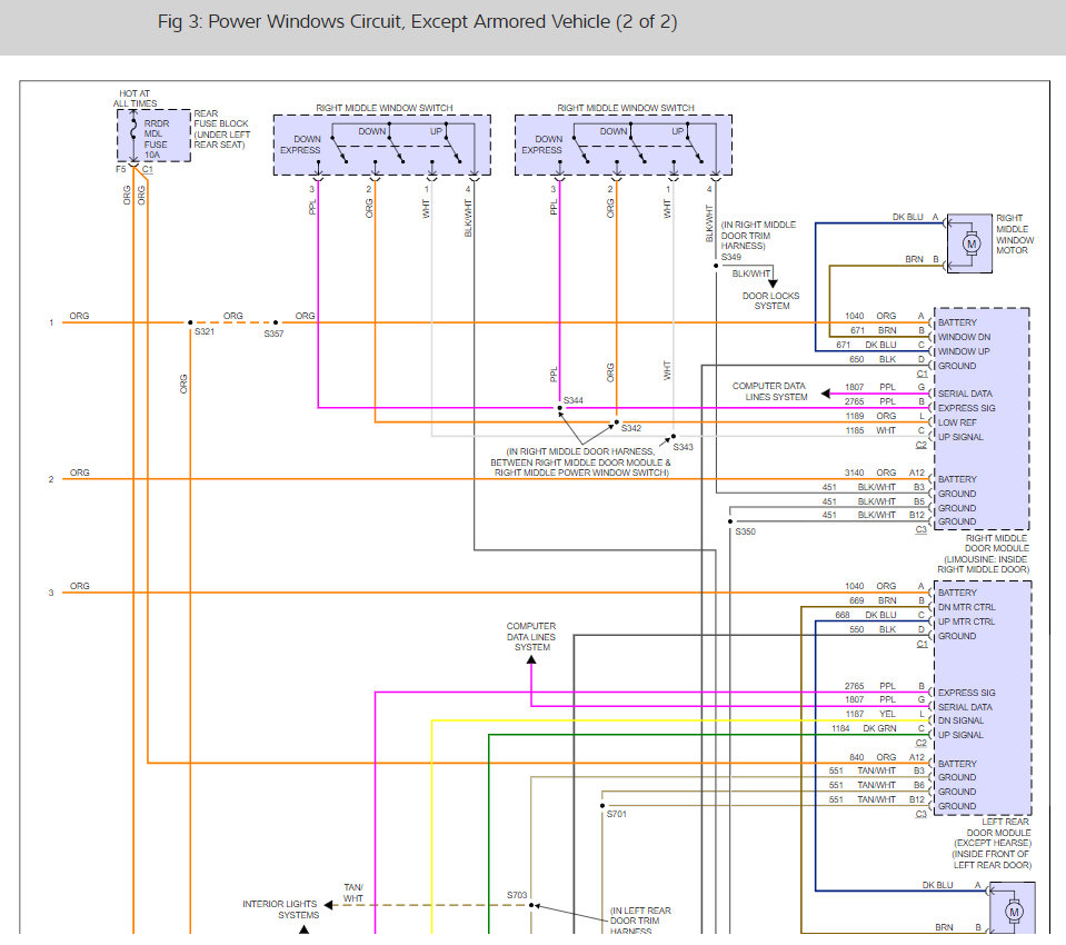
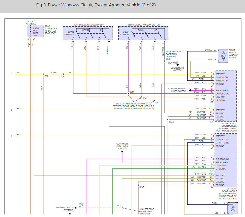
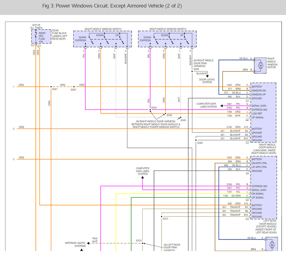
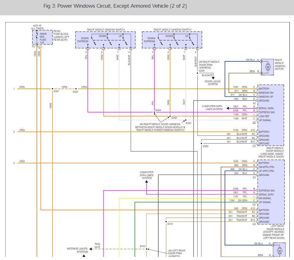
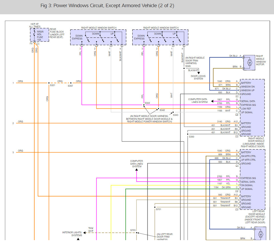
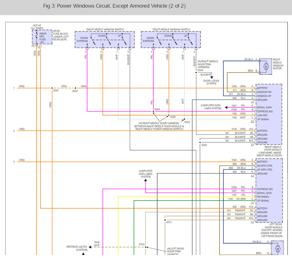
There is not a seperate fuse for each window just the system. It sounds more like the window motor, main switch, window module or door switch has gone out. You will need to test for power at the door switch to determine which is the problem.

Here is a guide that will show you how to test.

https://www.2carpros.com/articles/electric-window-repair

Here are some diagrams so you can see what I am talking about (below)

You will need this guide to do the tests

https://www.2carpros.com/articles/how-to-use-a-test-light-circuit-tester

See where you loose power and get back to me.

, Ken

Was this
answer
helpful?
Yes
No
-1
Monday, October 30th, 2017 AT 2:23 PM

Please login or register to post a reply.