Left blinker not working

Tiny
KARENED
  • MEMBER
  • 2011 NISSAN ROGUE
  • 73,600 MILES
Vehicle listed above is an SV.
Left blinker there is no sound or green arrow on dash.
Fog light not working.
Replaced bulbs.
Tried new Switch from AutoZone
Nissan Dealer said Spiral internal failure recommend replace spiral cable.
Researching no problem with airbag light horn etc, I don't want to be taken for a $600.00 repair bill.
Could you give me some input please? Thank you
Tuesday, January 25th, 2022 AT 10:04 AM

1 Reply

Tiny
KASEKENNY
  • MECHANIC
  • 18,907 POSTS
I assume they did the proper testing to come to this conclusion, but you are correct that if the other functions are working then that is a good sign the clock spring is not the issue.

However, the way this works is there are separate circuits on the spiral cable so it still could be the clock spring.

https://www.2carpros.com/articles/symptoms-of-a-bad-airbag-clock-spring

The way to confirm this is we need to go to the BCM with a scan tool and turn the turn signal on and see if the BCM sees the switch. If it does then the switch, clock spring, and wiring are fine. Then the most likely cause is the BCM as it is responsible for sending out the signal to the cluster and the lights.

This signal is sent via the communication network, so we are not going to be able to monitor the voltage as it is not going to be a single circuit.

https://www.2carpros.com/articles/can-scan-controller-area-network-easy

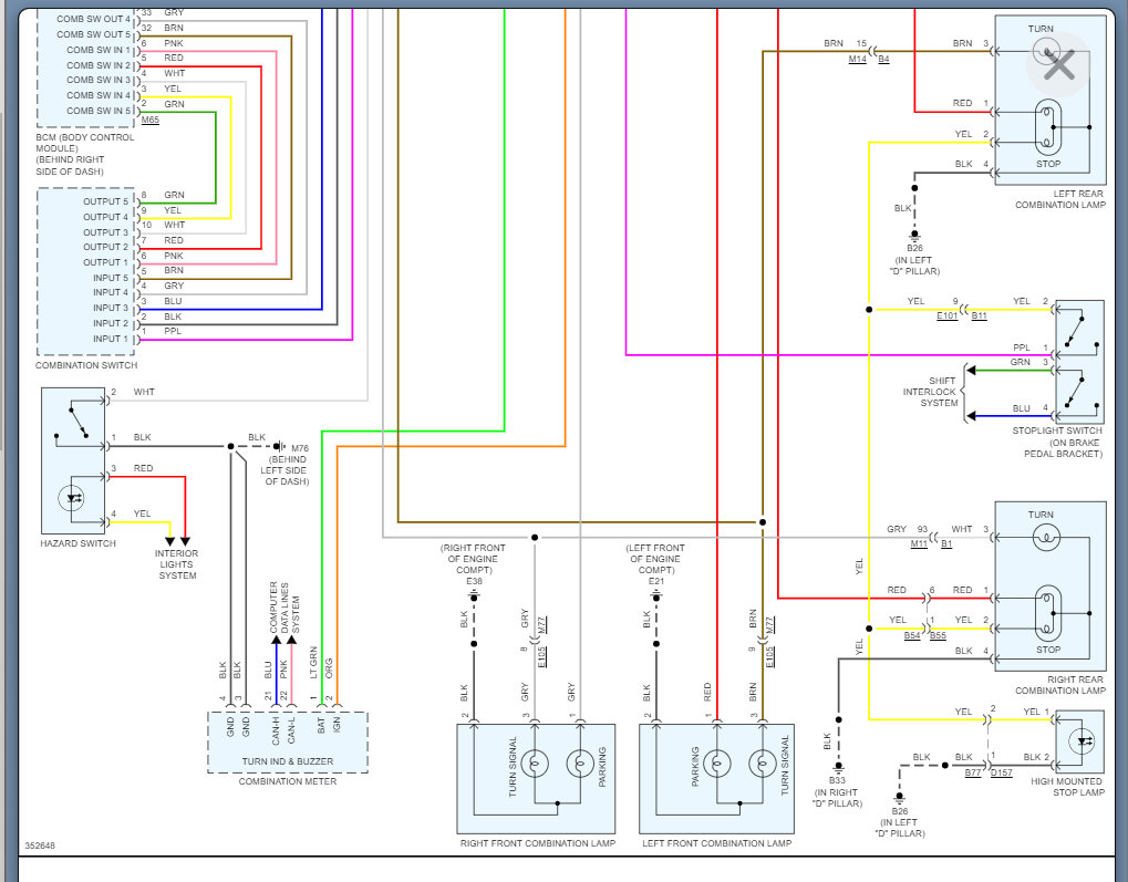
The wiring diagram is below for this but let us know a little more detail about how they found it was the clock spring.

Thanks
Was this
answer
helpful?
Yes
No
+1
Tuesday, January 25th, 2022 AT 4:00 PM

Please login or register to post a reply.