Leaking coolant

Tiny
JAN DUNLAP
  • MEMBER
  • 2000 VOLKSWAGEN BEETLE
  • 0.6L
  • 176,000 MILES
My car is leaking coolant. The mechanic said that I needed the heater replaced when it started to leak coolant. I haven't had the heater on in the car because we have had 90 degree weather. I wondered your thoughts?
Monday, July 29th, 2019 AT 1:08 PM

3 Replies

Tiny
SCGRANTURISMO
  • MECHANIC
  • 4,897 POSTS
Hello,

What your mechanic is referring to is your vehicle's heater core. The heater core is like a small radiator that sits at the opposite end of the cooling system circuit from the radiator, in your vehicle's dashboard. It is responsible for not only the heater, but the defroster functioning as well. When the heater core leaks, like a radiator, it will leak all over the carpet inside your vehicle and cause carpet damage, it may cause your vehicle to overheat and cause catastrophic engine failure. I would recommend getting it replaced at your earliest convenience. Here is a link below for you to go to:

https://www.2carpros.com/articles/replace-heater-core

Thanks,
Alex
2CarPros
Was this
answer
helpful?
Yes
No
Monday, July 29th, 2019 AT 3:07 PM
Tiny
JAN DUNLAP
  • MEMBER
  • 1 POST
Is that the real for the coolant to be Leaking? Like I said, I haven't used the heater. It is an expensive job. He quoted me $1,700.00 because they have to pull the dash out. Thanks again so much!
Was this
answer
helpful?
Yes
No
Tuesday, July 30th, 2019 AT 10:51 AM
Tiny
KEN L
  • MASTER CERTIFIED MECHANIC
  • 55,302 POSTS
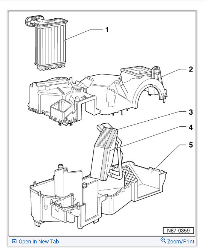
Yep this is a big job and the AC will need to be vacuumed down and recharged also here are the diagrams below to show you how the job is done on your car.

https://www.2carpros.com/articles/re-charge-an-air-conditioner-system

Check out the diagrams (below). Please let us know what happens.
Was this
answer
helpful?
Yes
No
Tuesday, July 30th, 2019 AT 10:54 AM

Please login or register to post a reply.