Knocking or clicking noise coming from engine

Tiny
ISSAC88
  • MEMBER
  • 2008 HYUNDAI ELANTRA
  • 2.0L
  • V6
  • AUTOMATIC
  • 145,700 MILES
When I was driving and push on the gas pedal to accelerate the clicking noise will come and took the rpm to kick into the next gear and clicking noise will get louder
oil light came on too.
when I came to a stop nd park the car clicking noise got louder and wouldn't go away.
Thursday, March 25th, 2021 AT 8:04 PM

5 Replies

Tiny
BORIS K
  • MECHANIC
  • 836 POSTS
Hello,

It sounds like you have an issue with your engine bearings, particularly with the big end bearings, please see illustration below.

Please check your oil level, if low first top it up and see if the noise gets better and if the oil pressure light goes off.

Please see links below regarding possible engine noises.

https://youtu.be/OTeg2CUB5NE

Also see link below on how to check your engine oil level and, if you are able to do so, to check your engine oil pressure.

https://www.2carpros.com/articles/high-or-low-engine-oil-pressure

Please let us know how you get along.

Cheers, Boris
Was this
answer
helpful?
Yes
No
Friday, March 26th, 2021 AT 10:36 AM
Tiny
ISSAC88
  • MEMBER
  • 8 POSTS
Okay, I had my oil change yesterday at Big O Tires then drove 75 miles back home noticed all the issues nd the noise the oil light flashes.
When I checked the oil level it was full but oil was a dark color.
So I'm thinking no oil change was done.
Was this
answer
helpful?
Yes
No
Friday, March 26th, 2021 AT 10:58 AM
Tiny
JACOBANDNICKOLAS
  • MECHANIC
  • 110,194 POSTS
Hi,

If the oil is full, the oil light shouldn't be coming on. To be honest, it sounds like a rod or main bearing. Is there anything that makes it stop?

Based on the sound and the fact the oil pressure light is coming on, I suspect the oil pump has failed. What you could do is check the oil pressure using a mechanical pressure gauge. Most parts stores will lend one to you. Basically, you simply remove the electric oil pressure sensor and screw in the mechanical one. Start the engine and see what the pressure is.

Here is a link you may find of interest:

https://www.2carpros.com/articles/high-or-low-engine-oil-pressure

If the noise is a main bearing or rod bearing, the engine will need to be rebuilt. Actually, you may be better off finding a used engine with low mileage. It likely would be cheaper.

If you want, you could take the oil pump apart and inspect it and rebuild it. However, that will not likely get rid of the noise you hear.

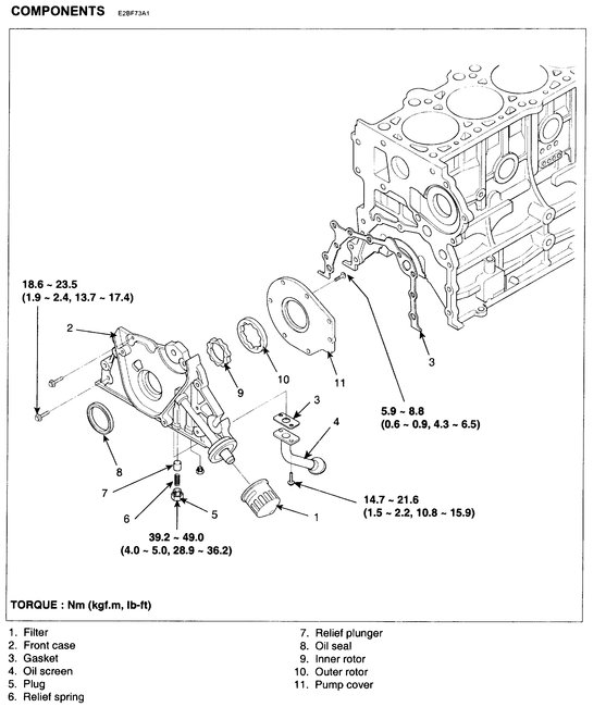
If you look at the attachments below, they include the directions and related pictures for removal, inspection, and replacement of the oil pump.

Let us know.

Take care,

Joe

See pics below.
Was this
answer
helpful?
Yes
No
Sunday, March 28th, 2021 AT 8:39 PM
Tiny
ISSAC88
  • MEMBER
  • 8 POSTS
Good morning,

i changed out the oil its was greyish color creaming oil and my oil filter is that same filter that was on before when I got a last oil change last year. After the oil change the noise is not as loud as before but it gets louder when I press on the gas pedal.
Was this
answer
helpful?
Yes
No
Monday, March 29th, 2021 AT 8:16 AM
Tiny
JACOBANDNICKOLAS
  • MECHANIC
  • 110,194 POSTS
Hi,

Can you upload a pic of the oil and a video of it running?

Joe
Was this
answer
helpful?
Yes
No
Monday, March 29th, 2021 AT 7:09 PM

Please login or register to post a reply.