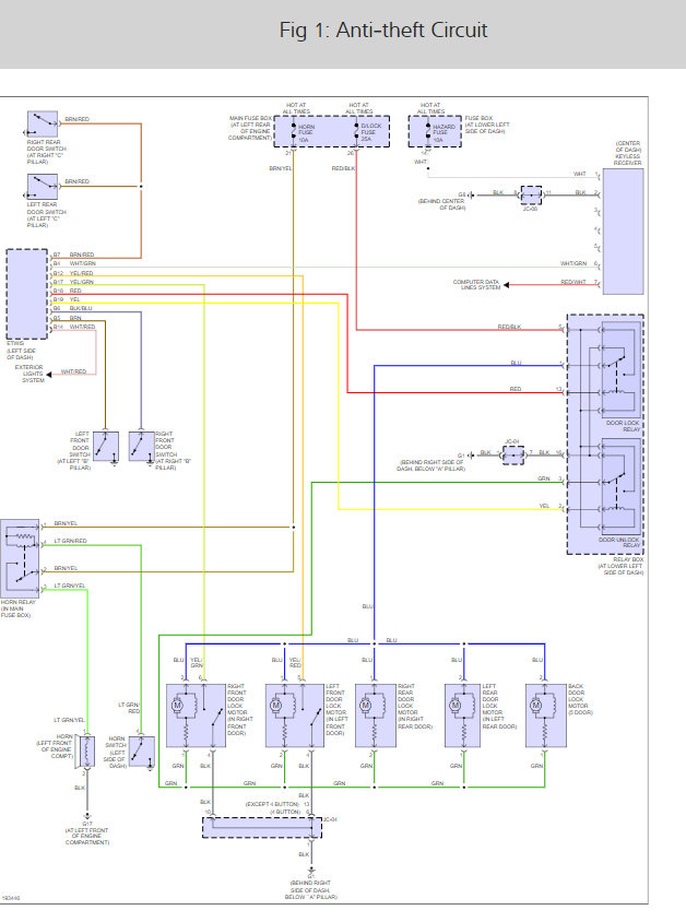
Sunday, September 26th, 2010 AT 8:44 PM
My door ajar light constantly flashes and the warning noise keeps beeping. Its my driver side door that is messed up. I dont know what is doing it. Or why.


