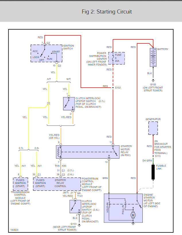
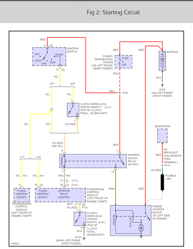
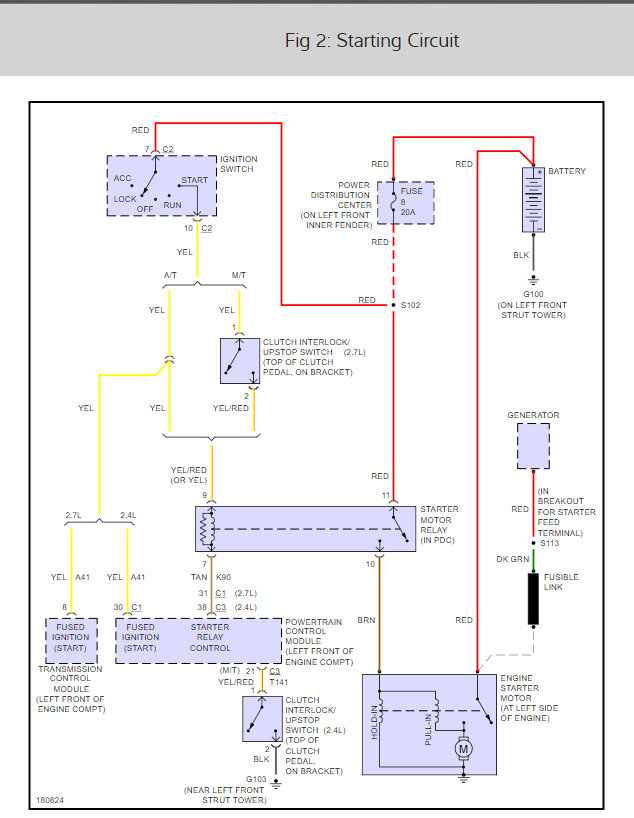
When I insert the key and turn to "on", the dash lights all come on as normal. The security light comes on briefly and then goes off. When I turn to start, all dash lights go off except for the odometer and nothing happens. There is no sounds. When I release the key from start, the dash lights come back on. When I say dash lights, I am referring to the normal dash indicators like check engine etc. What could be the issue? I have checked all fuses. I have removed the negative battery terminal from the firewall for over fifteen minutes to no avail.
Thursday, September 6th, 2018 AT 7:02 AM













