Key-less entry and ignition not working

Tiny
BRAMGREEN
  • MEMBER
  • 2014 NISSAN PATHFINDER
  • 4WD
  • AUTOMATIC
  • 40,000 MILES
My intelligent key works to open the doors remotely and to remotely start the car. However, the push buttons on the door handles (proximity) sporadically don’t work and the key-less ignition doesn’t work all the time (need to push button several times and sometimes get message incorrect key ID). I’ve replaced batteries with good batteries many times, reprogrammed the remotes, and even bought a new remote but the problem continues. Help!
Friday, May 10th, 2019 AT 11:02 AM

9 Replies

Tiny
KASEKENNY
  • MECHANIC
  • 18,907 POSTS
Hi Bram,

Do you happen to know if there are any codes in the system? That will help tell us if there is an actual issue or a perceived issue by the computer.

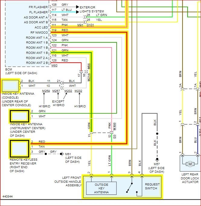
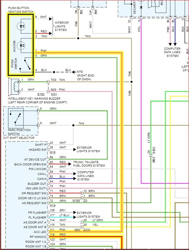
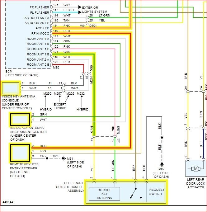
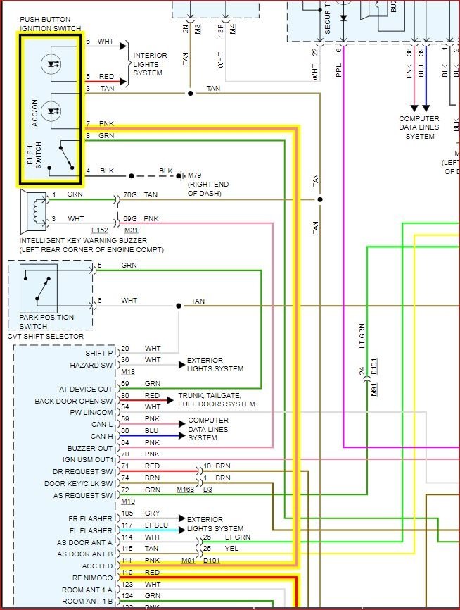
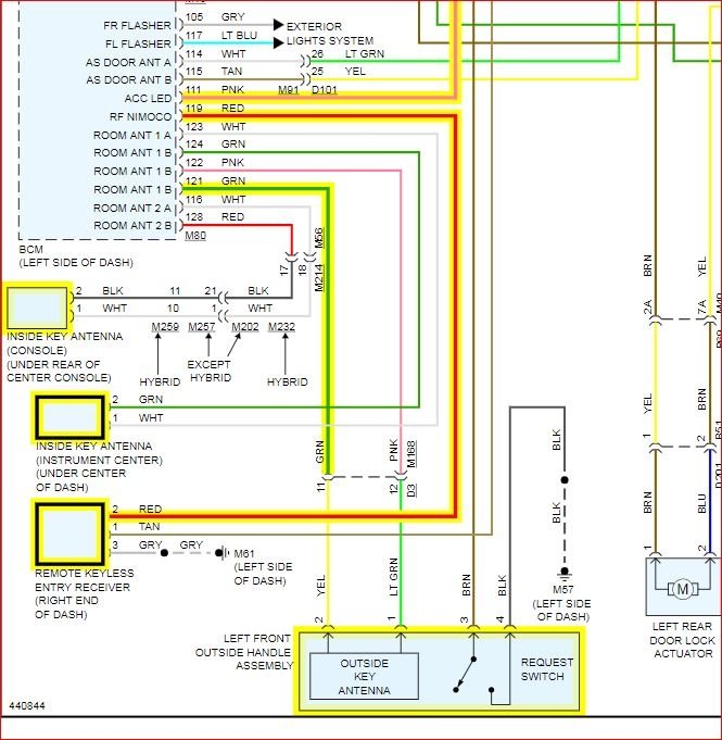
I attached the test if the door locks did not work all the time. I know this is not the case but it helps explain what the issue could be. Then take a look at the diagram of how your system works.

If the key is good, then the issue appears it could be the remote receiver or BCM itself.

The best way to test this is to hook a scan tool to the vehicle and monitor the signal strength of the key in the BCM. Basically, this will point to a BCM issue or a receiver that is not picking up the signal.

Another possible cause that always needs to be stated is these systems are very sensitive to interference. So if the key is next to your cell phone or some other electronic device it will actually weaken your signal.

Cutting through most of this, I suspect your receiver is the issue because this is pretty common in these types of systems.

I don't want to just recommend you replace this part because this can be tested with a scan tool and be confirmed.

Thanks
Was this
answer
helpful?
Yes
No
+1
Friday, May 10th, 2019 AT 7:59 PM
Tiny
BRAMGREEN
  • MEMBER
  • 5 POSTS
This is extremely helpful! Thank you. I'll try to check for interference first since that's easiest. A few additional questions:
1. Can a different vehicle's intelligent key on the same key ring cause interference (even when the button is not being pushed)?
2. Does my 2014 Pathfinder use the same receiver for the proximity push button locks on the door handle and for the key-less ignition, or are there different receivers for that? (Remember please that the doors open remotely and the car starts remotely without problems-a different receiver? It's just the proximity devices that aren't working.)
3. Finally, it sounds as if you think that the receiver is more likely the problem than the BCM. I'm not a mechanic but pretty handy. Could I replace that myself, or is it too complicated?

Thank you so much! None of the mechanics I spoke to came anywhere near as close to understanding how the system works!
Was this
answer
helpful?
Yes
No
Sunday, May 12th, 2019 AT 2:20 PM
Tiny
KASEKENNY
  • MECHANIC
  • 18,907 POSTS
1. Yes. A different key, even though the buttons are not being pushed can interfere with your signal. Any electrical device will interfere. It is usually not notable but it can contribute to the issue.

2. The remote key-less entry receiver is different than the key-less ignition. You technically have 3 systems at work here.

First, the remote key-less entry. When you press a button on your remote, it sends that signal to your remote key-less entry receiver which sends the message to the BCM.

Second, the passive entry system for your door handles. This has an antenna inside the handle so that when you are close enough with the key, it will sense the proper key is there and when you press the button on the handle, it sends a signal to the BCM that it is okay to unlock the door.

Third is your key-less ignition system. This uses the antennas placed around your vehicle to sense if the correct key is inside the vehicle. If it is, then it sends a signal to the BCM to start the vehicle.

3. I may have misunderstood which was not working. The fact that all operation with your remote are working shows that the remote key-less entry receiver is functioning. However, the two systems that relay on your proximity and the antennas placed around the vehicle to locate the key seem to be your issue. If you look at the third attachment, these inputs to the BCM are separate and direct inputs. This would point more to the BCM.

Also, the fact that you are getting a message that says incorrect key and not Key Not Detected points a corruption issue in either the BCM or caused by interference. This is where you need to confirm this with a scan tool and see what the BCM is seeing when you are getting this message.

The easiest way that I have found to determine if this is interference or not, is when you get this message normally pressing the button a couple more times makes it work. Instead of pressing it multiple times until it picks it up, just pull the key out after the first time it tells you incorrect key ID and hold it in the hand that you are pressing the button with. If it starts the next time or unlocks the next time then you have an inference issue. If it does not start or unlock with the key right next to the button, I would suspect you have a BCM issue.

Hopefully this helps. I apologize for any confusion.
Was this
answer
helpful?
Yes
No
+1
Sunday, May 12th, 2019 AT 3:04 PM
Tiny
BRAMGREEN
  • MEMBER
  • 5 POSTS
Thank you for the follow-up. Wow! You really know your stuff! And, I believe that I misspoke. It actually does say "key not detected." I will try the interference test first, since I understand that a new BCM is very expensive! Thank you again!
Was this
answer
helpful?
Yes
No
Sunday, May 12th, 2019 AT 3:14 PM
Tiny
KASEKENNY
  • MECHANIC
  • 18,907 POSTS
Haha. Okay. Key not detected is usually always an interference issue or the antenna on that side as an issue. If the antenna is faulty on that side of the vehicle then the other antennas have to pick up the difference and basically the BCM thinks the key is further away then it actually is. These antennas can be tested with a scan tool.

Rarely is that issue a BCM which is good news because not only are they not cheap but they have to be programmed so it requires to pay someone with a tool to do it.
Was this
answer
helpful?
Yes
No
+1
Sunday, May 12th, 2019 AT 3:33 PM
Tiny
BRAMGREEN
  • MEMBER
  • 5 POSTS
Wow! You really know your stuff! But, could that account for, not only the ignition problem, but also the passive door handle entry system? Thank you! BTW, I took my two other vehicle remotes [two different cars]) off my key-chain and also put the intelligent key in a pocket away from my cell phone and so far haven't had the problem. But, of course, it's a sporadic issue so it's not a proof yet.
Was this
answer
helpful?
Yes
No
Sunday, May 12th, 2019 AT 7:31 PM
Tiny
KASEKENNY
  • MECHANIC
  • 18,907 POSTS
Good to hear. Hopefully it doesn’t happen then we know. Yes. The inference can cause both. Plus the antenna issue can cause both. Basically both of these systems need to know where the key is. If it can’t see it because of interference or a bad antenna it will give you this message when trying to start, and won’t unlock the door. It thinks the key is further away then it is or doesn’t even see it so it doesn’t respond.
Was this
answer
helpful?
Yes
No
Sunday, May 12th, 2019 AT 7:41 PM
Tiny
BRAMGREEN
  • MEMBER
  • 5 POSTS
You are a genius! This was indeed an interference problem. When I removed my other electronic keys from my key chain, and made sure that my iPhone was a distance away from the intelligent key, the problem stopped. I waited for close to a week to be sure that the problem was fixed, since it was a sporadic problem, and indeed the problem has not recurred. Why the dealer, the mechanics I spoke to, or the internet experts didn't think about this is beyond me. Thank you so much!
Was this
answer
helpful?
Yes
No
Friday, May 17th, 2019 AT 9:53 AM
Tiny
KASEKENNY
  • MECHANIC
  • 18,907 POSTS
Haha. That is great. Thank you for the kind words. Unfortunately, many mechanics just simply don't understand what this system is doing. Hopefully, this doesn't give you any more issues. Sounds like you are good to go. Please come back if you have any other questions. Thanks
Was this
answer
helpful?
Yes
No
+1
Friday, May 17th, 2019 AT 9:56 AM

Please login or register to post a reply.