Tuesday, October 5th, 2021 AT 3:48 PM
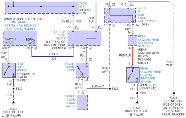
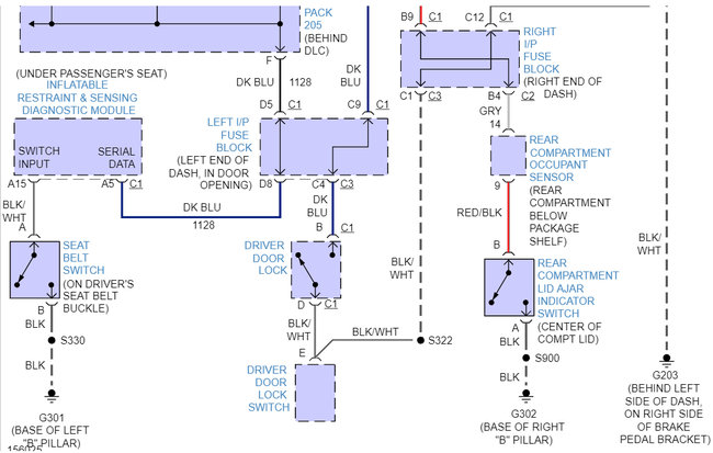
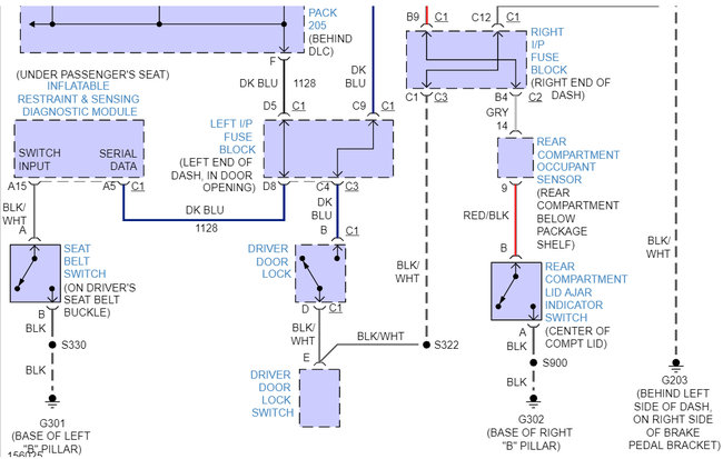
A person I hired to change the key switch shorted a wire out on the harness it is a little black wire with a white stripe on it. It goes to the key switch, but I need to know where it runs to.






