Thursday, January 19th, 2017 AT 5:57 AM
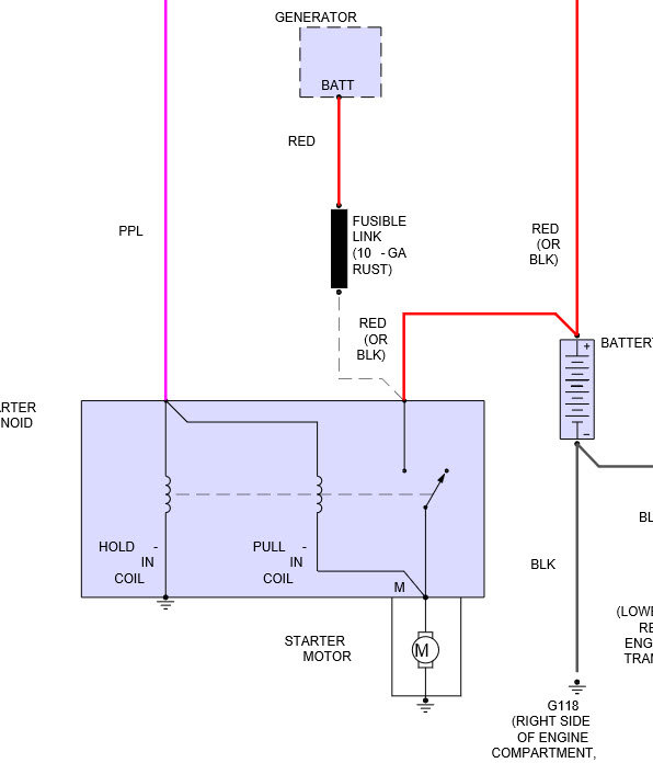
I have to turn key multiple times to get a start. On starter there is a small nut gone from end were the small red wire goes. This wire also is going no where. I do believe once it is touching any bare metal. I can get it to start, but yet and still after a few turns only.



