Key fob

Tiny
RABIDHAB
  • MEMBER
  • 1998 BMW 328
  • 6 CYL
  • 2WD
  • AUTOMATIC
  • 190,000 MILES
Key fob will not unlock doors or trunk, but arms the alarm. The unlock button in the car works fine. Have to use the key in the lock to lock and unlock the doors.
Thursday, September 7th, 2017 AT 3:08 PM

6 Replies

Tiny
STEVE W.
  • MECHANIC
  • 15,671 POSTS
Do you have a second fob? If yes try it. It could be a low battery in the bad fob or bad switches in it. But without a second working fob you cannot just change the battery or take it apart. You need a dealer to reset the system for the single fob to work.
Was this
answer
helpful?
Yes
No
+1
Friday, September 8th, 2017 AT 1:05 AM
Tiny
RABIDHAB
  • MEMBER
  • 3 POSTS
I have a second fob and it arms and disarms the alarm as well, but does not lock or unlock the doors. I have also checked all fuses and they appear good.
Was this
answer
helpful?
Yes
No
Friday, September 8th, 2017 AT 3:55 AM
Tiny
KEN L
  • MASTER CERTIFIED MECHANIC
  • 55,281 POSTS
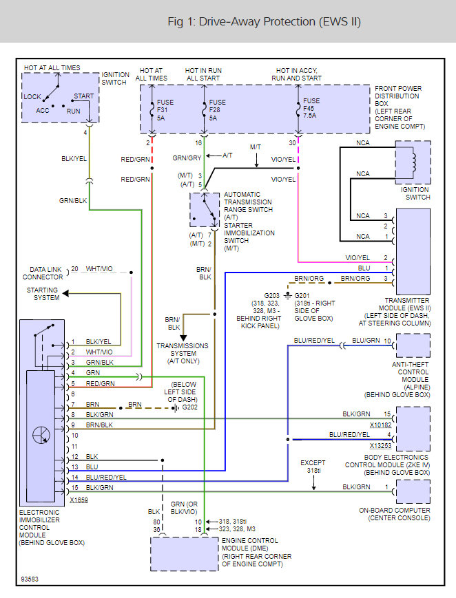
It sounds like you have an alarm module going out but to be sure I would double check all of the system fuses becasue that is more than one.

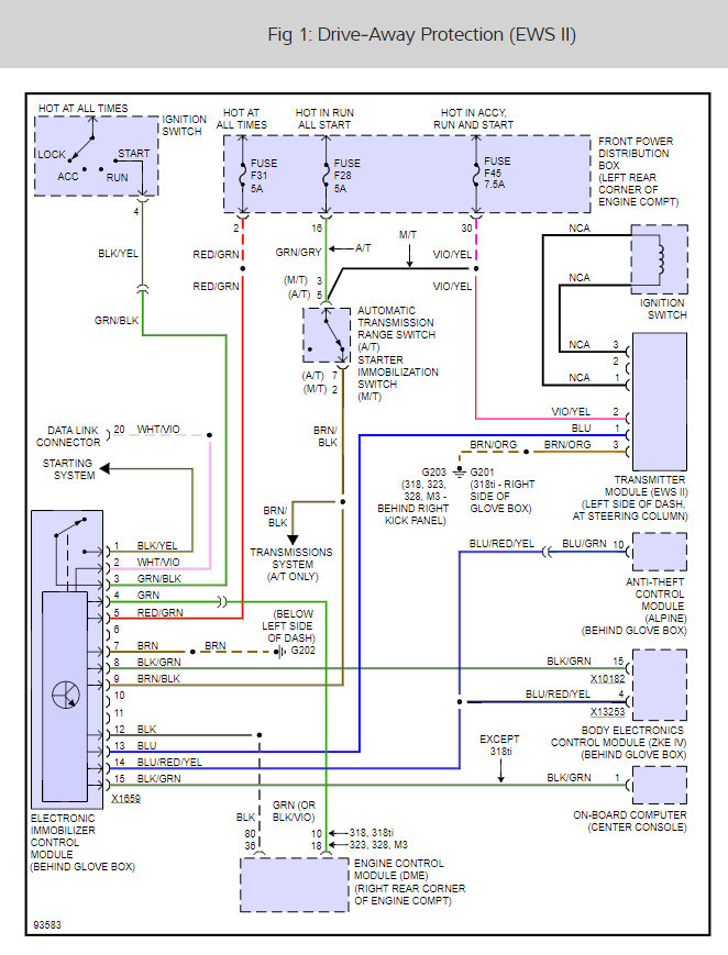
Here is a wiring diagram to help you see what fuses need to be checked.

https://www.2carpros.com/articles/how-to-check-a-car-fuse

Please let us know what you find.

Cheers, Ken
Was this
answer
helpful?
Yes
No
+1
Saturday, September 9th, 2017 AT 11:11 AM
Tiny
STEVE W.
  • MECHANIC
  • 15,671 POSTS
If I remember correctly the BMW alarm module is a dealer installed unit. Plug and play as the wiring is already there. A 3 button remote with lock/unlock, panic and alarm arm/disarm on it.
Do you hear 3 chirps when you try to lock/unlock the car?
If so it is likely to be a bad actuator sense switch, there are switches in the door locks as well as the hood and trunk. They tell the BCM and alarm system if the doors/hood/trunk are closed. If any of them fail the locks will not respond.
The problem is determining which switch is the problem. Normally the doors and trunk will show a "door ajar" warning. If you don't see that it is probably the hood switch. They are a common issue. The test is to disconnect it, if the door locks start working you found the problem.
You can also look at the switch status on a factory scan tool. It would tell you which one is bad real quick.
Was this
answer
helpful?
Yes
No
+1
Saturday, September 9th, 2017 AT 5:06 PM
Tiny
RABIDHAB
  • MEMBER
  • 3 POSTS
Steve
Your analysis was right on. It was the hood switch. It was loose and slipped down and was not being activated. Thanks for your professional help.
Don
Was this
answer
helpful?
Yes
No
Sunday, September 10th, 2017 AT 5:32 PM
Tiny
STEVE W.
  • MECHANIC
  • 15,671 POSTS
You are Welcome. Come back anytime. We are here to help.

Thank You for using 2carpros. Com.
Was this
answer
helpful?
Yes
No
Sunday, September 10th, 2017 AT 5:49 PM

Please login or register to post a reply.