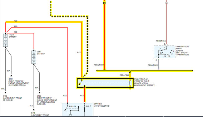
Monday, July 26th, 2021 AT 11:48 AM
I think it's probably the safety switch to the clutch, but don't know where it is. Or is it something to do with the ignition? Any help to diagnose or what might need to be replaced would be awesome.









