Accidently put battery in backwards

Tiny
XHECKTOR
  • MEMBER
  • 1986 FORD F-350
  • 6 CYL
  • 4WD
  • MANUAL
  • 200,000 MILES
I accidentally put battery on backwards and now there is no spark, but there is power to and from the coil.
Saturday, March 12th, 2016 AT 10:23 PM

5 Replies

Tiny
MHPAUTOS
  • MECHANIC
  • 31,937 POSTS
Check main EFI fuse as this may have blown, if all fuses are okay, you may have spiked the ECU and caused some internal damage.
Was this
answer
helpful?
Yes
No
+1
Saturday, March 12th, 2016 AT 11:49 PM
Tiny
XHECKTOR
  • MEMBER
  • 4 POSTS
I am not sure where the efi fuse is located.
Was this
answer
helpful?
Yes
No
Sunday, March 13th, 2016 AT 3:07 AM
Tiny
MHPAUTOS
  • MECHANIC
  • 31,937 POSTS
It should be in the main fuse block, check your owners manual, if no good let me know and I will look further into its location
Was this
answer
helpful?
Yes
No
Sunday, March 13th, 2016 AT 5:45 AM
Tiny
XHECKTOR
  • MEMBER
  • 4 POSTS
There is no efi it is a inline 6 is a carb unit
Was this
answer
helpful?
Yes
No
Sunday, March 13th, 2016 AT 4:25 PM
Tiny
CJ MEDEVAC
  • MECHANIC
  • 11,005 POSTS
DIFFERENT GUY

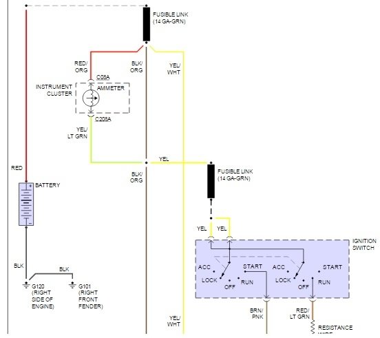
LETS LOOK AT FUSIBLE LINKS

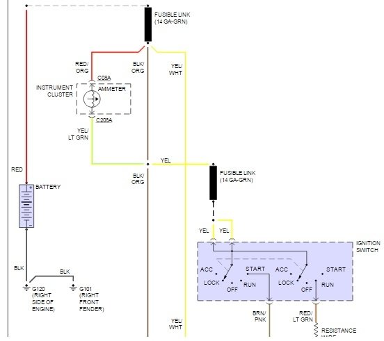
HIS INFORMATION IS FROM "PRODEMAND", W/ A 4.9 A "F-350" WAS NOT AN OPTION, ONLY A F-250. NEVER THE LESS, I HAVE THIS UPPER HALF OF THE CHARGING SYSTEM DIAGRAM. (I HAVE TO SCREEN SHOT THEM, AS, "PD" IS AN ONLINE PAY REPAIR MANUAL)

FUSIBLE LINKS ARE LIKE "WIRE FUSES" WHEN BLOWN, THEY MIGHT EITHER BE BURNED IN HALF, INSULATION BUBBLY, OR IF YOU GENTLY PULL ON ONE, IT WILL STRETCH OUT LIKE A RUBBER BAND (THE WIRE IS DISINTEGRATED.)

LET ME KNOW IF THIS DIAGRAM BELOW HELPS

THE MEDIC
Was this
answer
helpful?
Yes
No
Sunday, March 13th, 2016 AT 7:10 PM

Please login or register to post a reply.