Will not start with no audible sound

Tiny
SLEN416
  • MEMBER
  • 2008 JEEP LIBERTY
  • 3.7L
  • V6
  • 4WD
  • AUTOMATIC
  • 148,000 MILES
I have already replaced the starter, checked the starter solenoid cable, and checked the battery. All three in operable condition, yet when I turn the key in the ignition there is no audible click and the vehicle won’t turn over.
Sunday, April 5th, 2020 AT 11:42 AM

3 Replies

Tiny
KASEKENNY
  • MECHANIC
  • 18,907 POSTS
Okay. Couple questions. Does the theft light in the dash stay on solid or flash? When you turn the key does the cluster and gauges turn on like normal?

Next if the theft light goes off and all the dash works, try putting the vehicle in neutral and see if it starts.

Depending on this info we could go in a number of different directions so let's start with this and go from there. Thanks
Was this
answer
helpful?
Yes
No
Sunday, April 5th, 2020 AT 4:30 PM
Tiny
SLEN416
  • MEMBER
  • 2 POSTS
All lights and sounds work just fine, I attempted the neutral start already to no avail sadly.
Was this
answer
helpful?
Yes
No
Sunday, April 5th, 2020 AT 4:32 PM
Tiny
KASEKENNY
  • MECHANIC
  • 18,907 POSTS
Okay. Just to clarify the all lights working. Does that mean the theft light turns off when you are attempting to start the engine?

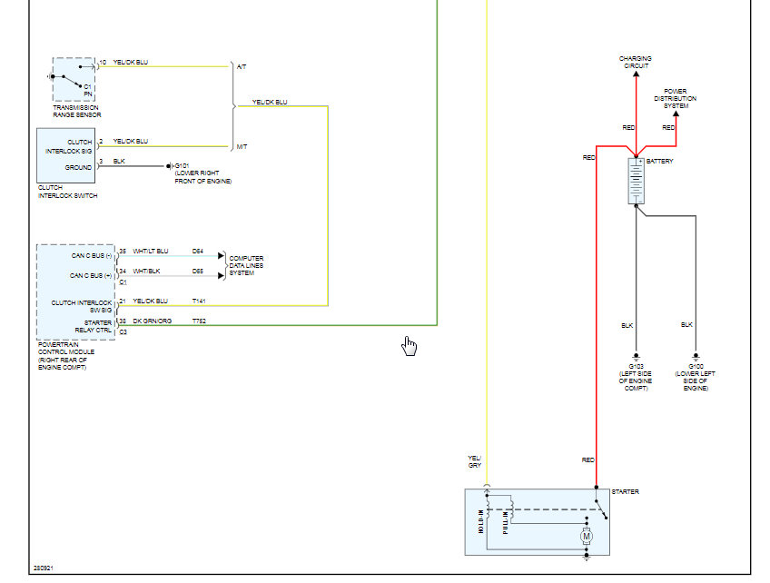
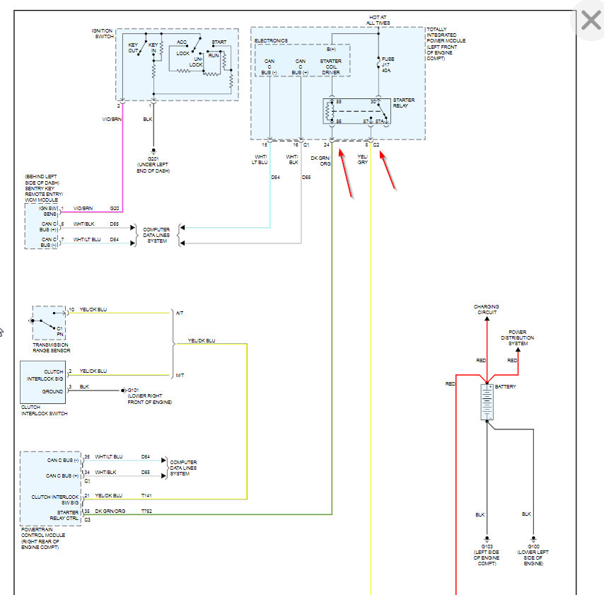
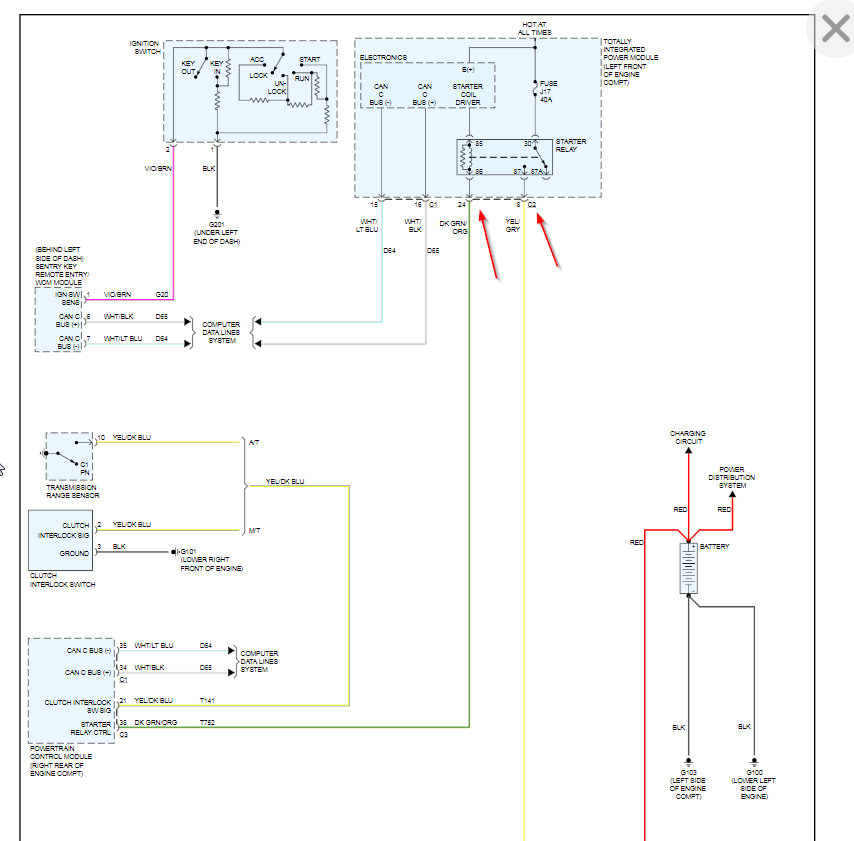
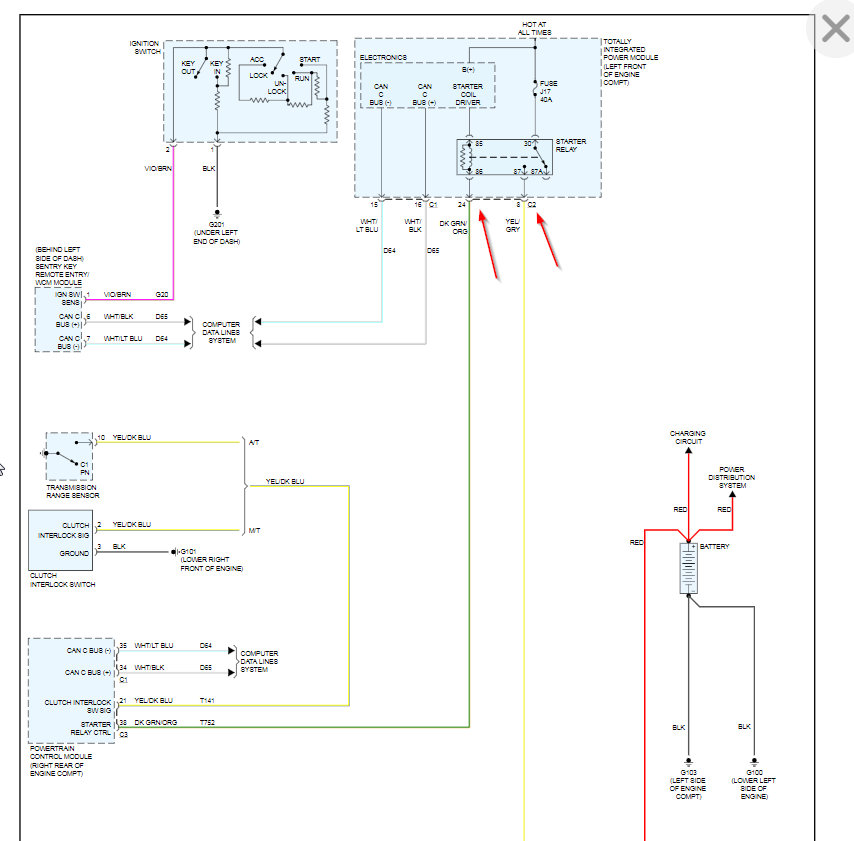
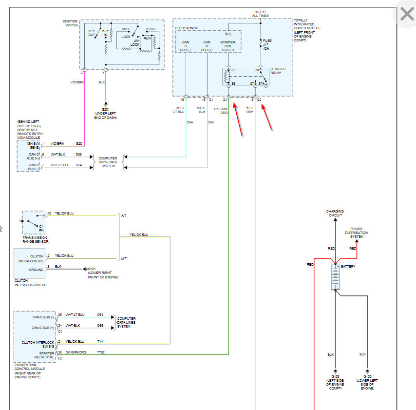
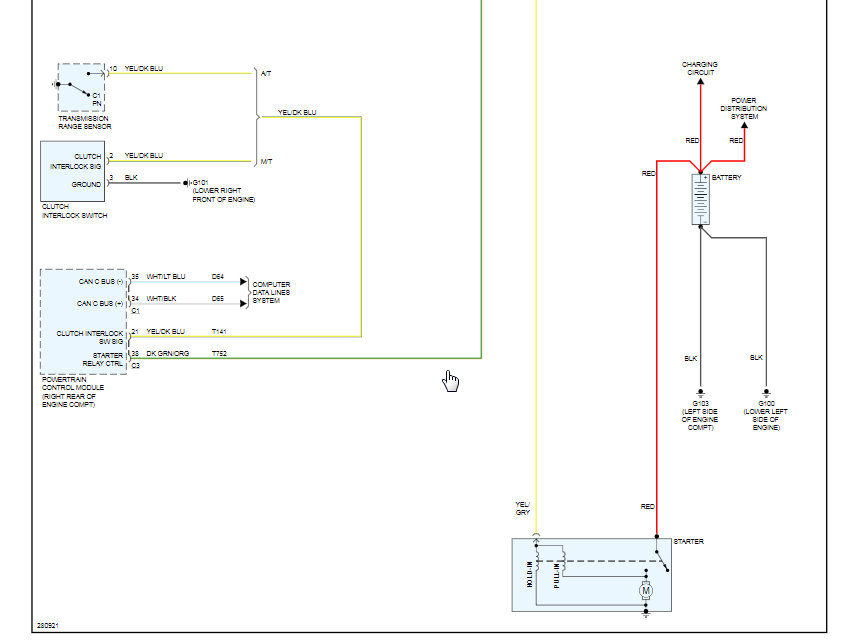
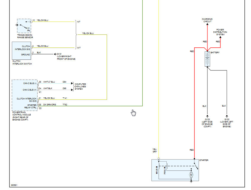
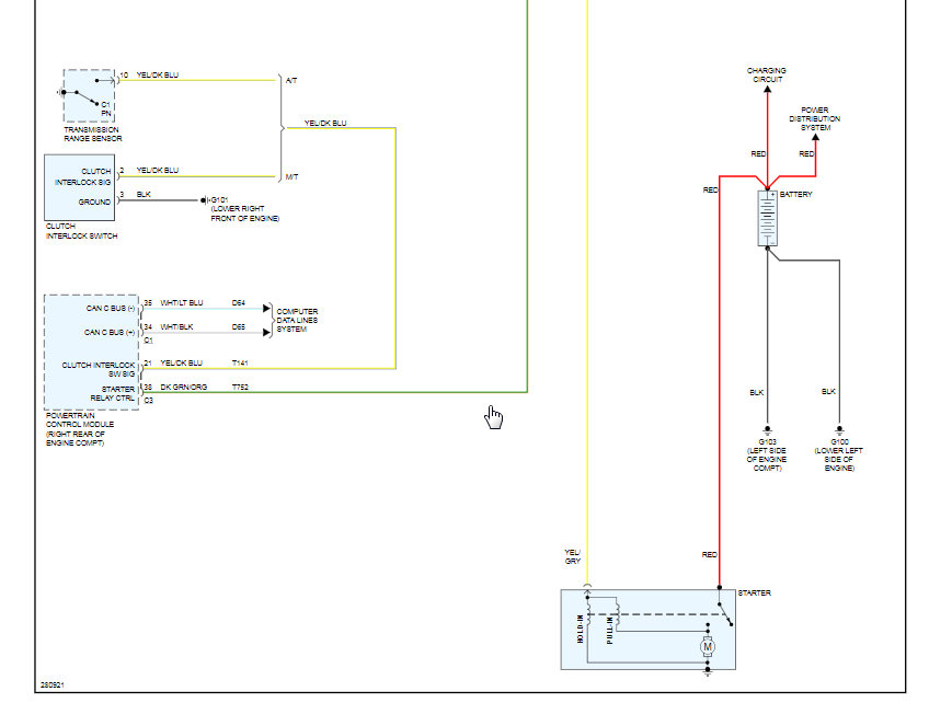
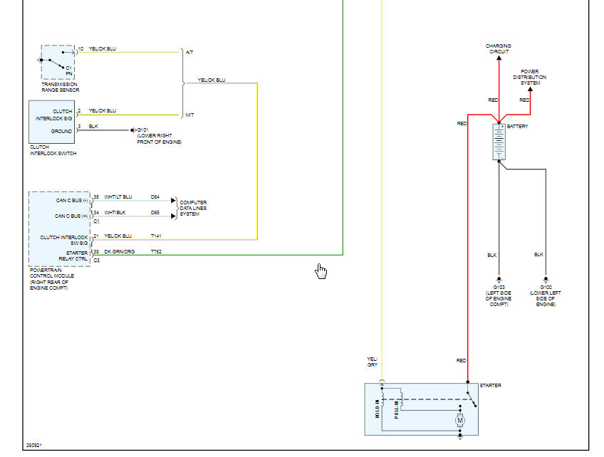
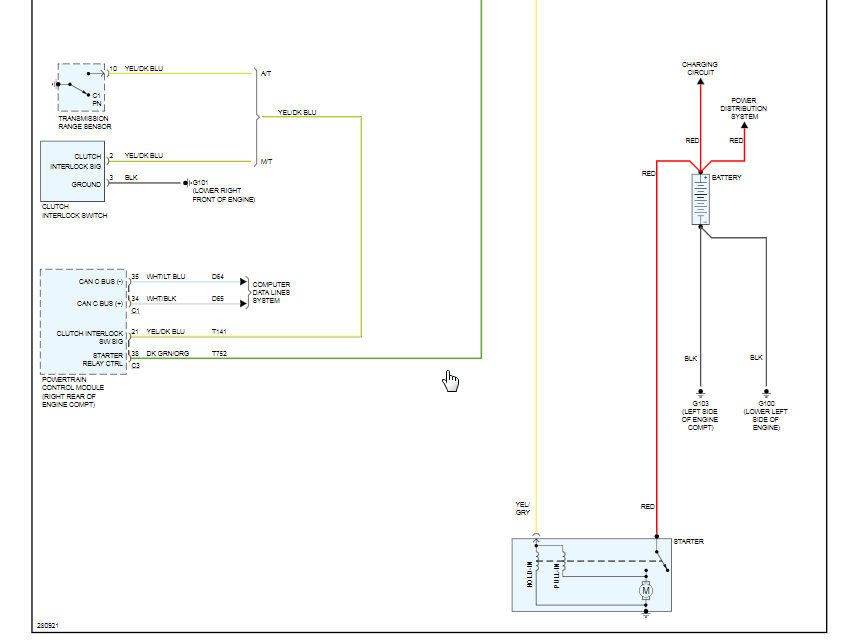
Assuming it does then we need to jump to the starter relay and measure voltage. We need to check the Dark Green wire from the PCM and see if the PCM is commanding the relay to close. If it is, jump to the yellow and gray wire and see if the voltage is making it through the relay. If it is, then go to the starter and measure voltage on that same wire. The fact that the starter is not clicking, I am going to assume you don't have it here but we just need to confirm this to start. Once we know this, we can determine what to do next.

Let me know if you have questions. Thanks
Was this
answer
helpful?
Yes
No
Sunday, April 5th, 2020 AT 6:11 PM

Please login or register to post a reply.