Error message displayed in odometer

Tiny
MIKECARS
  • MEMBER
  • 2008 JEEP LIBERTY
Computer problem 6 cyl Four Wheel Drive Automatic

I had to disconnect the battery to replace the a/c condenser and now "error" is displayed in the odometer. I connected a scan tool and found no codes.
Thursday, September 2nd, 2010 AT 9:05 PM

2 Replies

Tiny
DKWASNOWSKI
  • MEMBER
  • 1 POST
Same problem as mikecars- 2008 jeep liberty lost battery power-odometer reads "error"-is there a simple fix?
Was this
answer
helpful?
Yes
No
+10
Tuesday, September 7th, 2010 AT 3:54 PM
Tiny
KEN L
  • MASTER CERTIFIED MECHANIC
  • 55,361 POSTS
When the error message reads in the odometer is means the CAN is down and the three inputs from various computers is not seen so the computer does not know how many miles you have driven hence the error message.

I would start by checking fuses becasue it sounds like one is blown

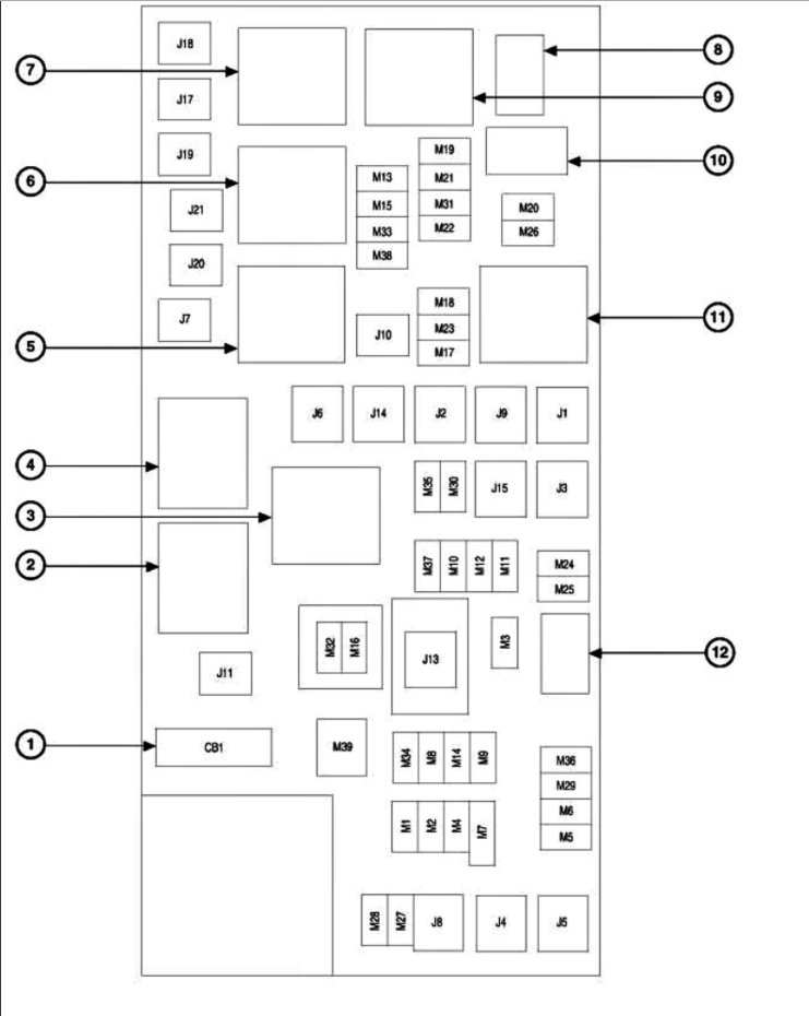
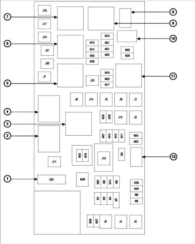
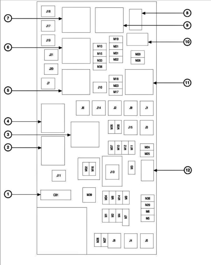
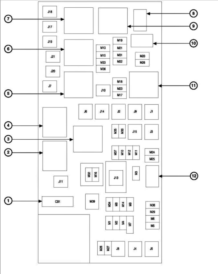
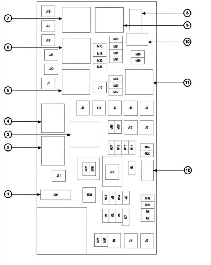
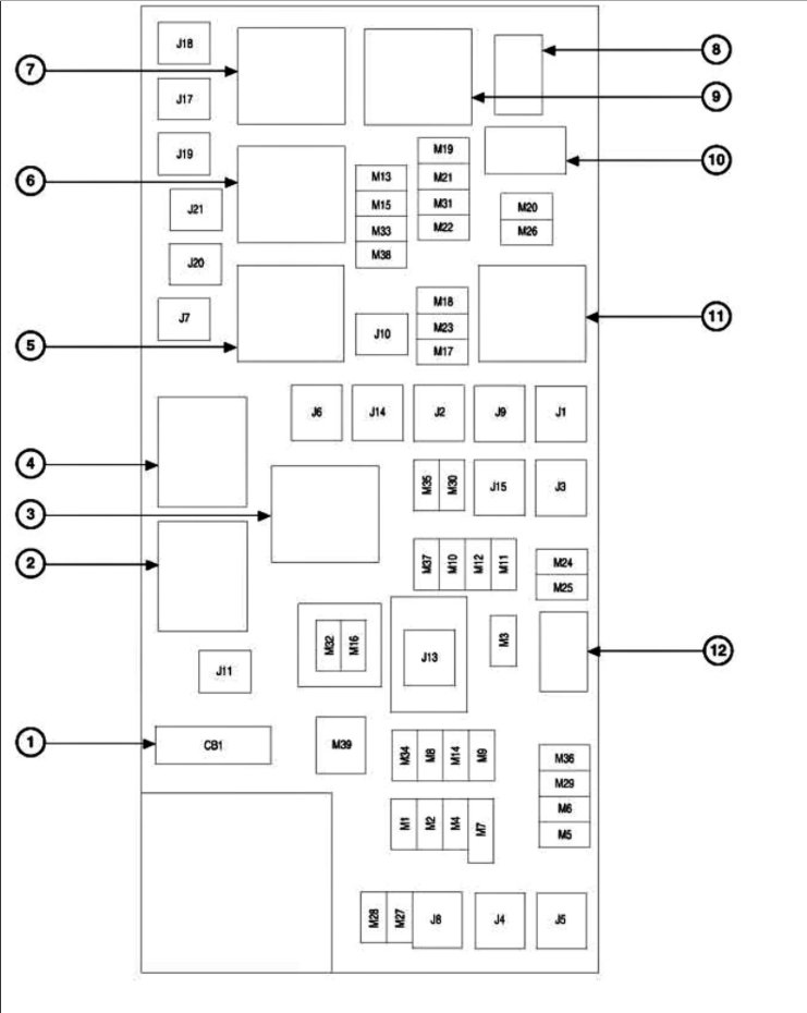
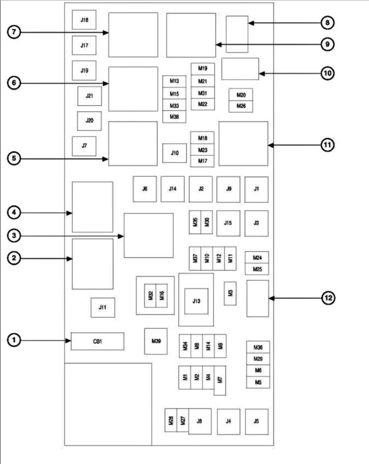
Here is a guide and the fuse locations to get us started.

https://www.2carpros.com/articles/how-to-check-a-car-fuse

They had problems with the transmission control relay as well

https://www.2carpros.com/articles/how-to-check-an-electrical-relay-and-wiring-control-circuit

Please let us know what happens.

Cheers, Ken
Was this
answer
helpful?
Yes
No
-3
Wednesday, October 4th, 2017 AT 6:46 PM

Please login or register to post a reply.