Vehicle misses badly during warm up

Tiny
MISTERCARL
  • MEMBER
  • 1986 JEEP CHEROKEE
After that, it runs fine. The choke seems to be operating properly. Also, when it misses, the tachometer becomes very erratic. It does not miss (during warm up) if I push the throttle near wide open, into the secondaries, or at idle.
Jeep Cherokee, 1986,190,000 miles, 2.8L.
Saturday, February 24th, 2007 AT 3:27 PM

1 Reply

Tiny
KASEKENNY
  • MECHANIC
  • 18,907 POSTS
I have seen this from time to time on different types of 2 bbl carburetors. Basically the primary side having a smaller fuel bore (35mm) gets clogged up with more modern fuel. Keep in mind these vehicles were designed to run on non ethanol fuels. So when that is introduced into these vehicles and the fuel evaporates it leaves a residue behind and it causes all sorts of idle issues especially during warm up.

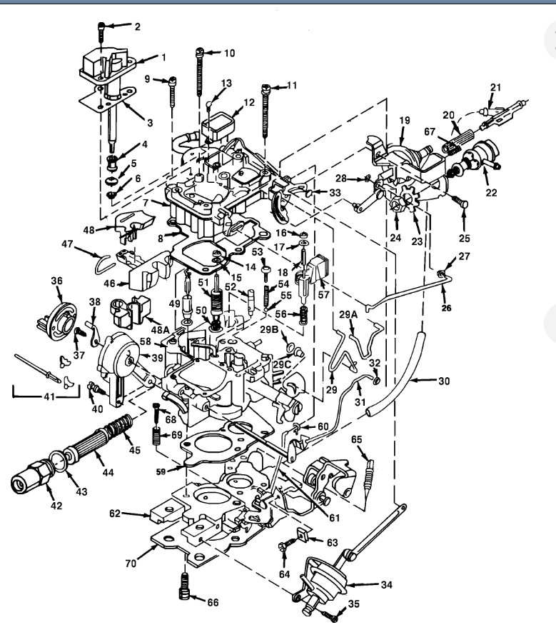
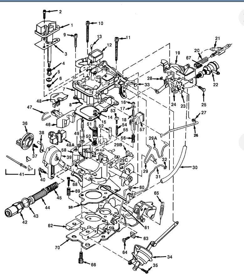
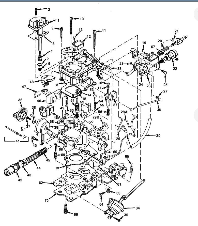
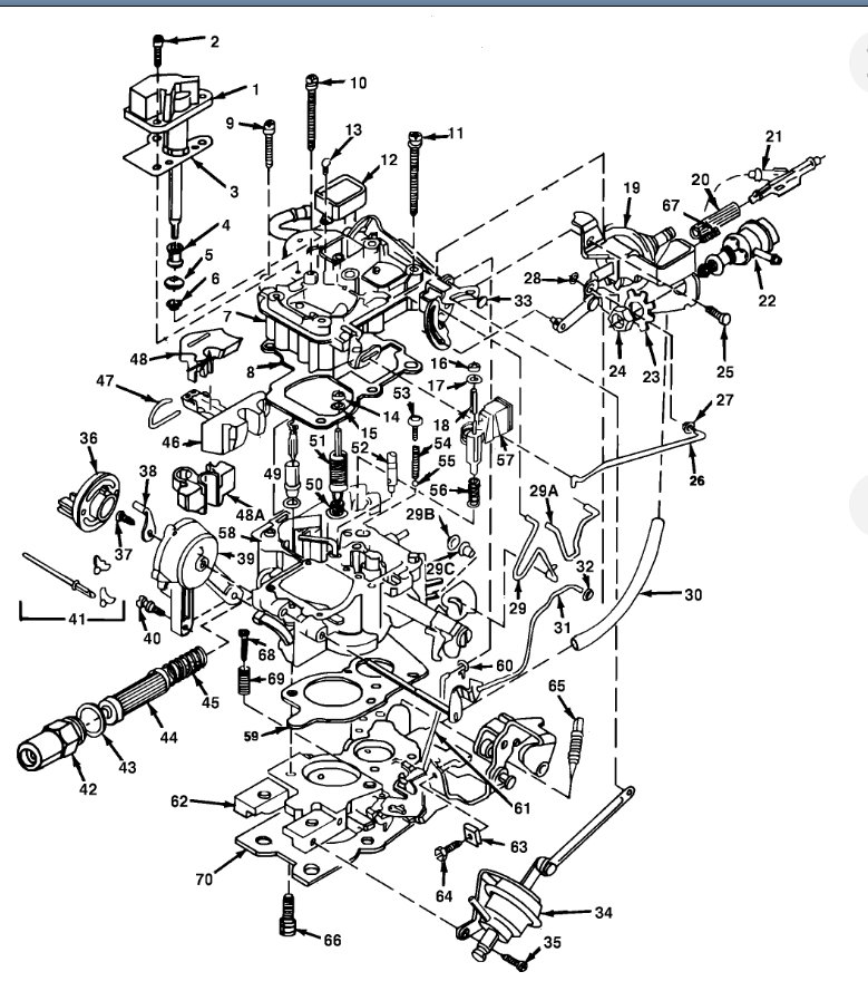
I would suggest removing the carburetor and rebuilding it to clean it out and I am sure this issue will be resolved. I included the exploded view for your reference to assist with the reassembly.

Let us know if there are more questions. Thanks
Was this
answer
helpful?
Yes
No
Wednesday, March 25th, 2020 AT 4:06 PM

Please login or register to post a reply.