The temp sensor in the thermo housing, it has two wires. Which one would I ground? If you're not talking about that one, where is the other one? I've read (haynes manual and other sources) that the temp sensor that controls the fan is in the engine block near the back left corner (closest to the driver). If it is there, I can't see it and would have a heck of a time replacing it because of the intake and exhaust manifolds. I will buy a retractable mirror and see if it's there, but I have been under and can't see any wires leading to that area. I think this particular in-line six cylinder engine doesn't have one there, but I could be wrong. I just wanted to get more information before I go removing a bunch of other parts just to see.
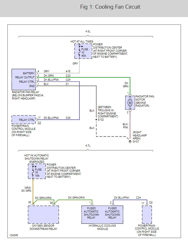
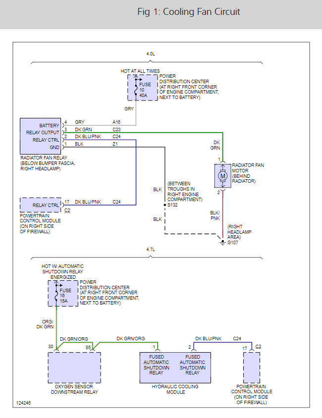
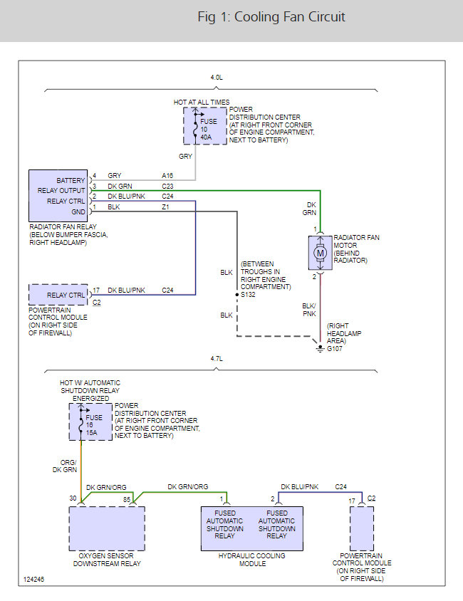
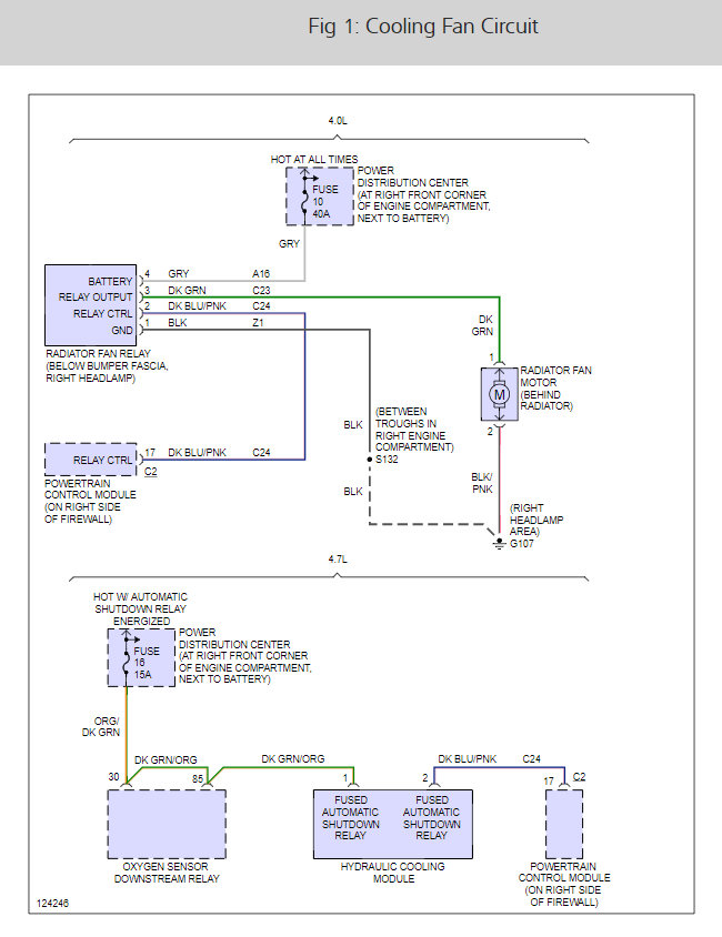
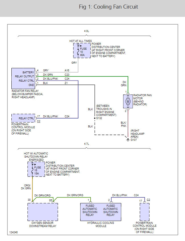
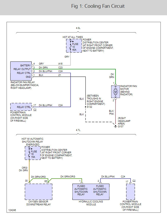
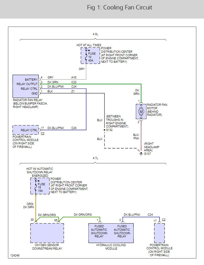
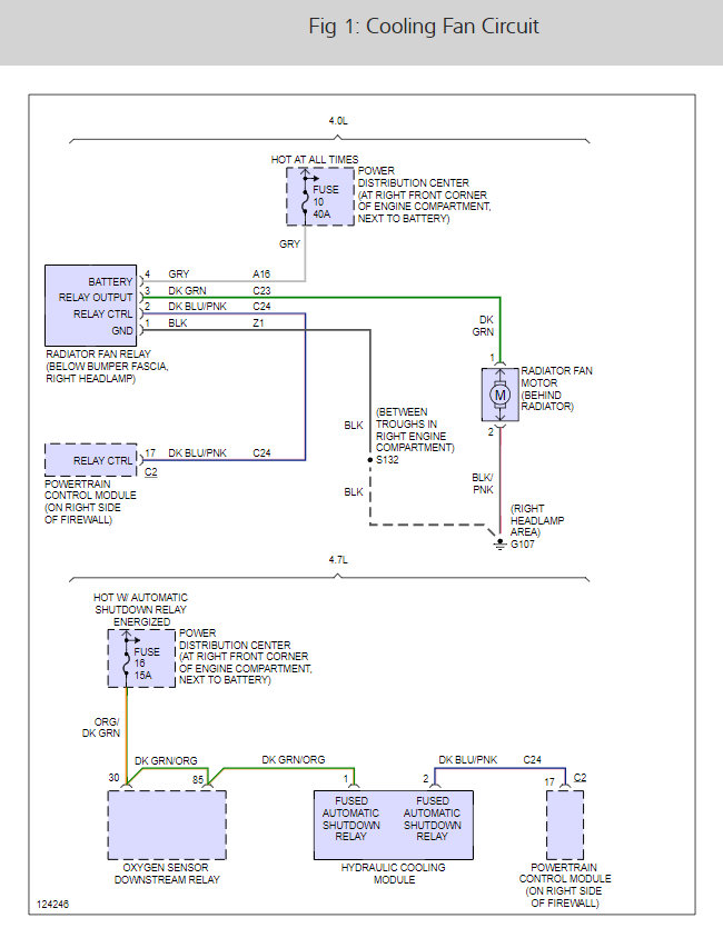
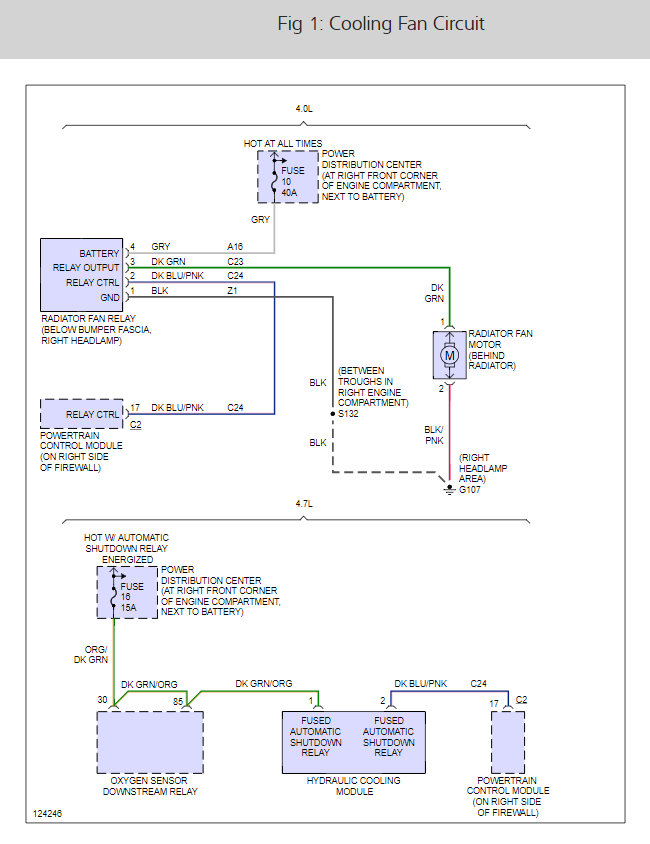
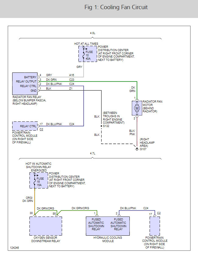
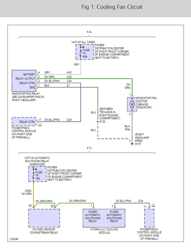
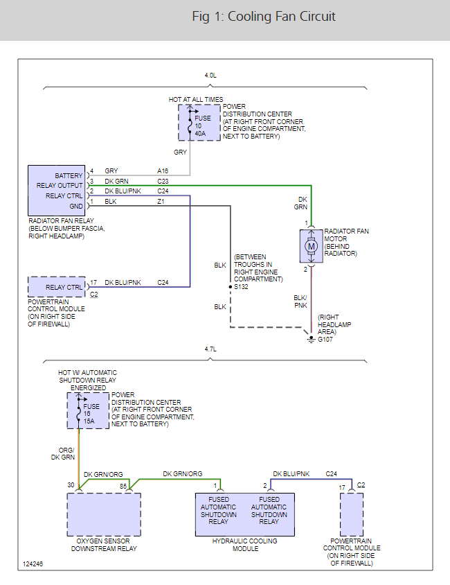
I never let it go too long (gas and all), but as I mentioned in my last comment, the temp. Gauge will slowly rise above normal temp. At idle. This is a concern only if I get stuck in traffic on a hot day. The highest I let it get was around 210-220 degrees F. I know it's unlikely that it will fully overheat, but I'm certain that when the temperature gets too high, the electric fan should kick on to support the belt-fan. Why else would it be on there? In my limited experience, A/C has only caused electric fans to switch on sooner (because of the extra cooling required for the condenser), but I've never heard of one existing only for the A/C system. Either way, I was planning on getting the A/C fixed next. Perhaps that will solve the problem, but it seems unlikely given what I know at this point. I appreciate your help on this. Any idea about whether it could be the radiator fan relay control in the powertrain control module. I don't know exactly where that is, but I see it in this diagram, and I'm sure I could find it. I've heard of other folks having to get a $50 relay switch for their cooling fan on comparable jeep models, but the one I replaced was a $10 one. I don't know if that matters, but is there a 2nd relay?
It does have two fans. The air conditioning isn't working right now. It's not leaking because the pressure is still good (I tried adding some 134a and it didn't take any). The clutch on the compressor doesn't engage. I thought this was a separate problem and was going to deal with it later. I've heard that the electric fan should eventually kick on at idle (because the belt-driven fan is only adequate at 25 mph or greater). If I leave it at idle, the temp gauge does keep creeping up, so shouldn't the electric fan kick on?
Also, a diagram would be helpful (I couldn't find an accurate one anywhere). I went back and checked the 15 amp fuse in the kick panel (still good). I don't know what the problem is. If it were set to only run when the ac is on, wouldn't there be a limiter or switch for that? I don't see one in the diagram. Could it be the Radiator fan relay ctrl (powertrain control module in the left fender side shield)? That's the only thing I haven't checked and cleared. I didn't even know about it.
Any help will be appreciated.
Thanks
-M
Wednesday, July 22nd, 2009 AT 1:28 AM







