Friday, November 28th, 2008 AT 10:47 AM
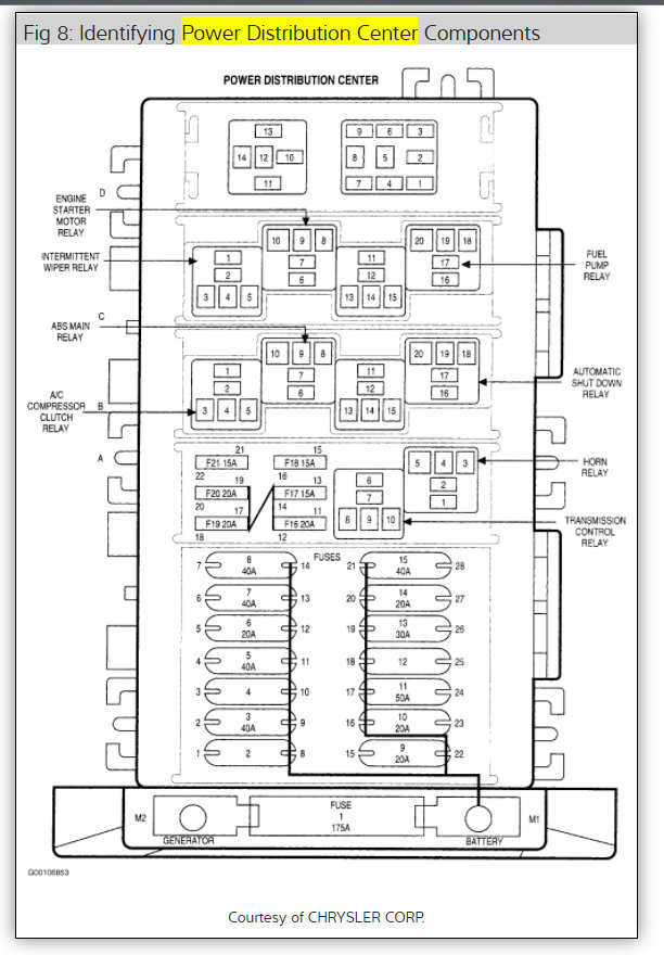
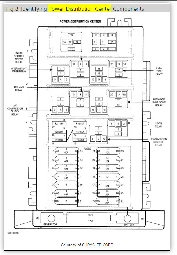
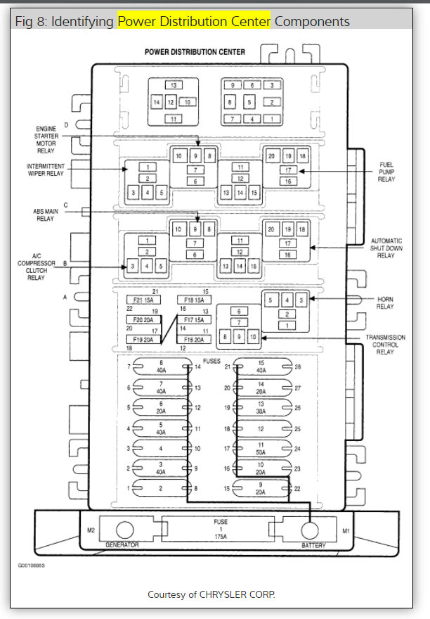
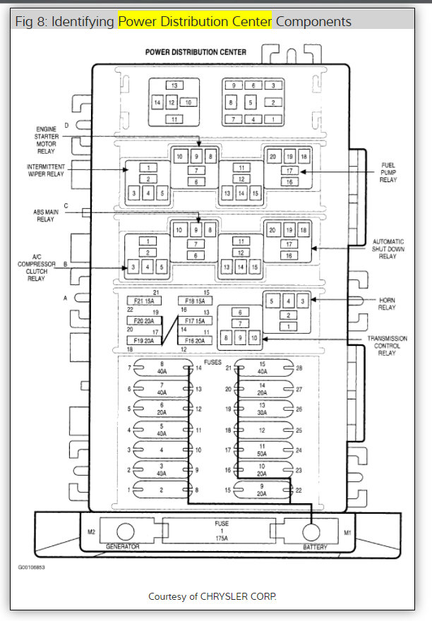
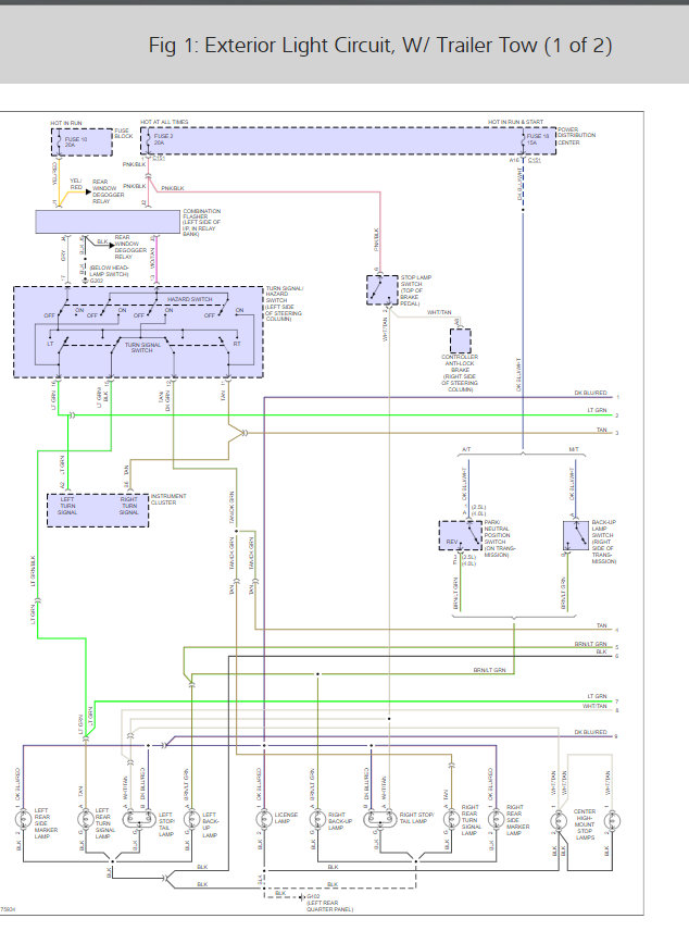
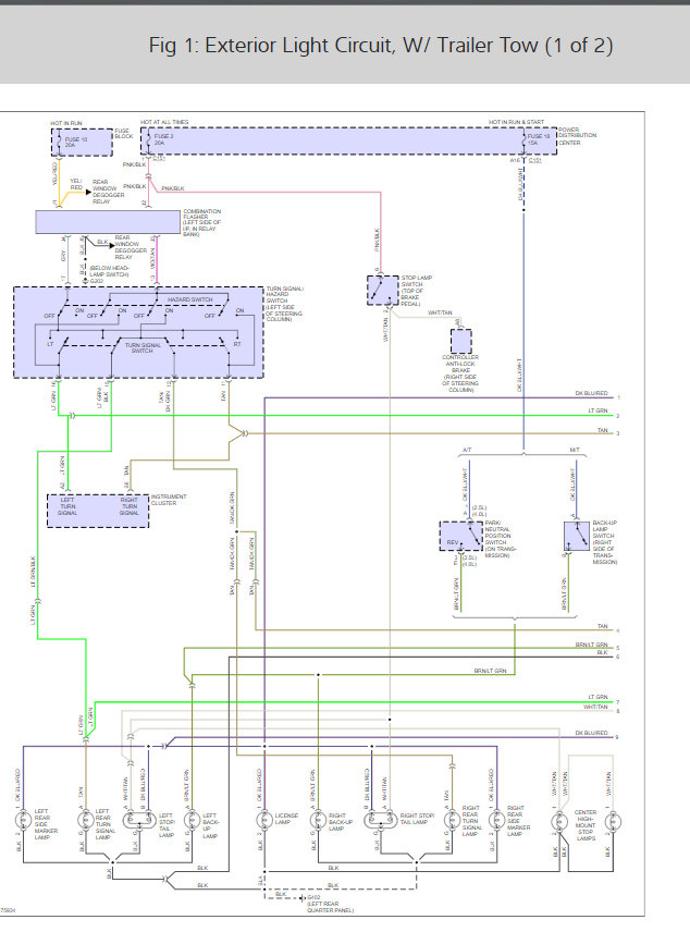
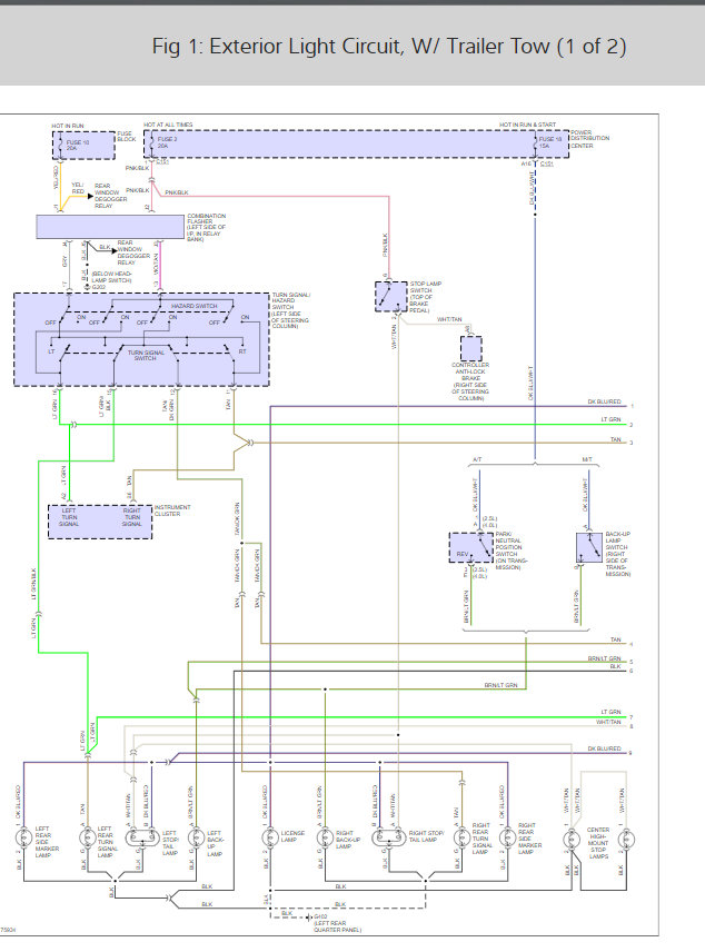
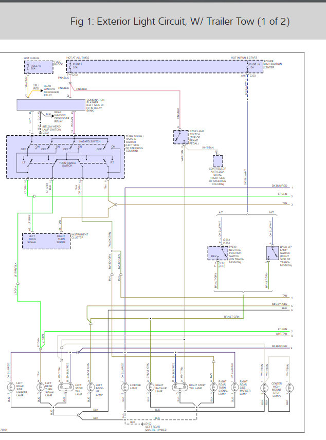
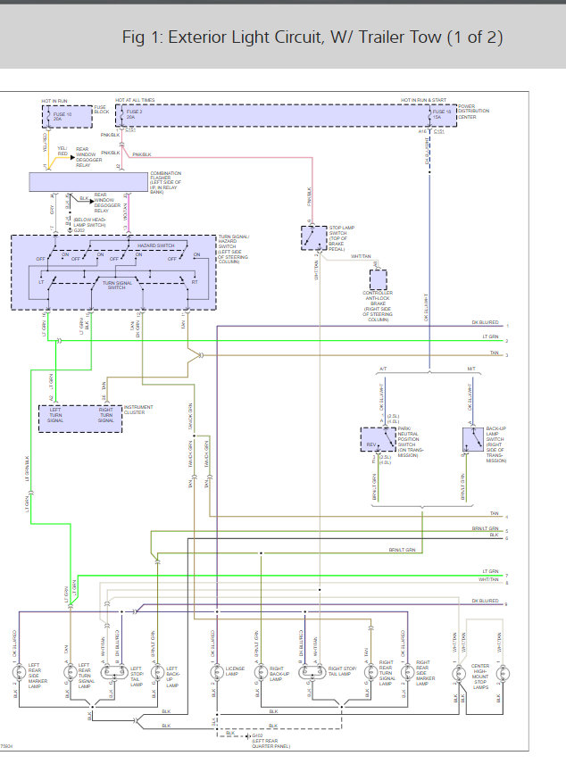
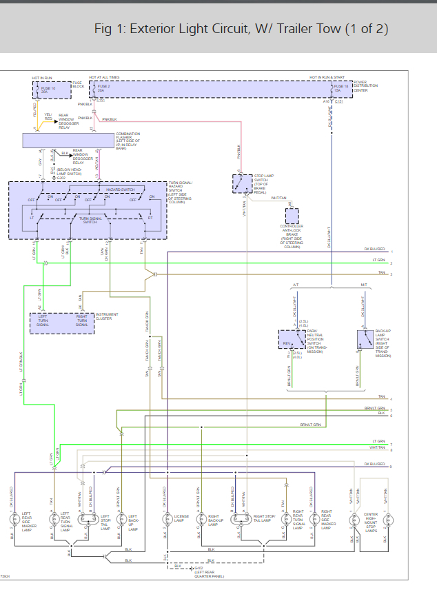
Neither of my turn signals are working I have no owners manual and I am unsure of their location-can someone point me in the right direction--i believe it is a bad fuse or relay?


















