My horn doesn't work

Tiny
MYKSMOM
  • MEMBER
  • 1999 JEEP CHEROKEE
Electrical problem 6 cyl Four Wheel Drive Automatic 220000 miles

The horn in my 99 Jeep Cherokee Sport just won't work. I have checked all the fuses and seems like there is no power going to the horn
Saturday, November 8th, 2008 AT 11:04 AM

23 Replies

Tiny
KEN L
  • MASTER CERTIFIED MECHANIC
  • 55,350 POSTS
Hello,

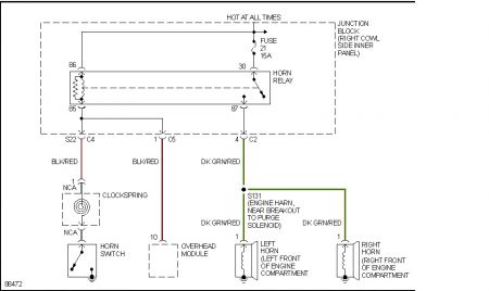
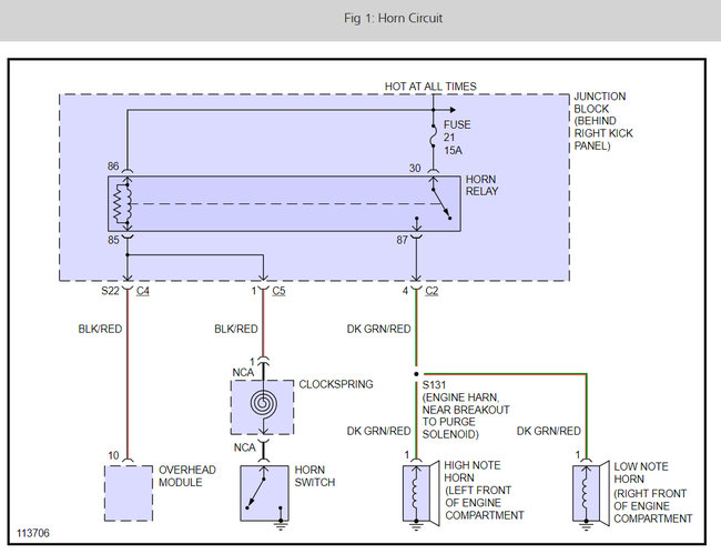
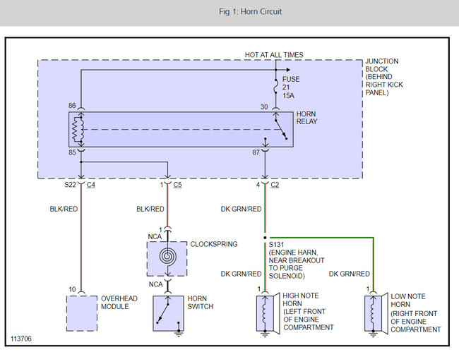
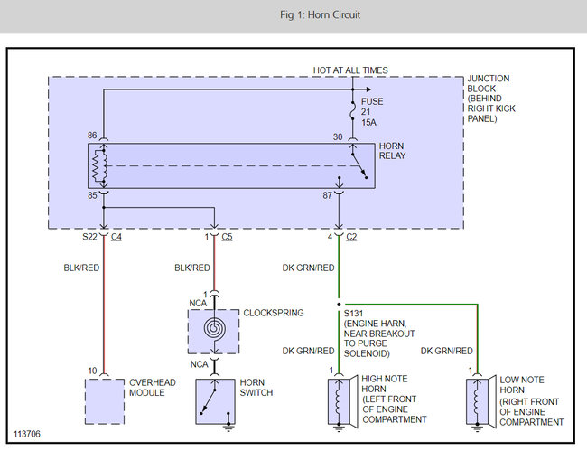
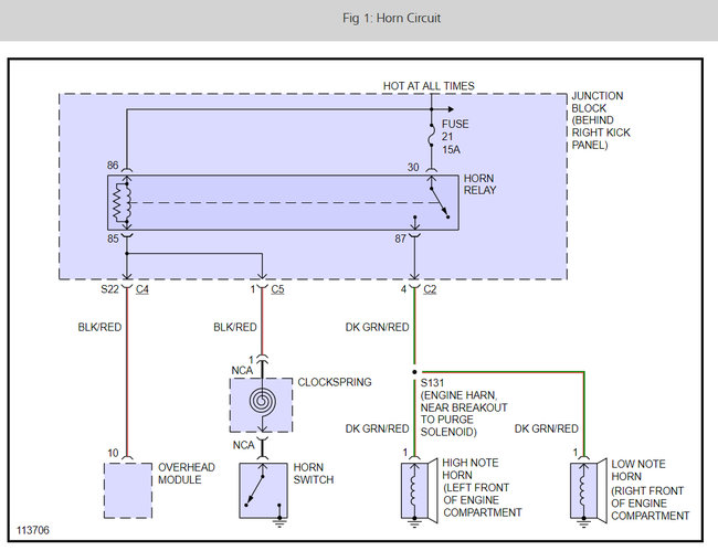
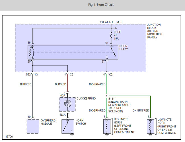
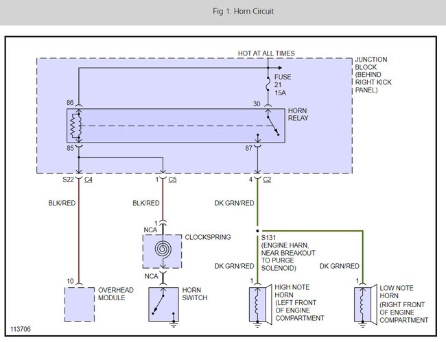
There is a horn relay that sounds like it is not working. Here is a a horn system wiring diagrams so you can see how the system works. This guide will help you test the relay when you find it from the diagrams below.

https://www.2carpros.com/articles/how-to-check-an-electrical-relay-and-wiring-control-circuit

Check out the diagrams (Below)

Please let us know what you find. We are interested to see what it is.

Cheers, Ken
Was this
answer
helpful?
Yes
No
+2
Monday, February 19th, 2018 AT 12:45 PM
Tiny
AMTIII
  • MEMBER
  • 1 POST
Thanks! It was the relay
Was this
answer
helpful?
Yes
No
Monday, February 19th, 2018 AT 12:45 PM
Tiny
DANIJENKINS
  • MEMBER
  • 3 POSTS
  • 1998 JEEP CHEROKEE
Electrical problem
1998 Jeep Cherokee 6 cyl Four Wheel Drive Automatic 123.00 miles

I have had my jeep taken to a mechanic twice, since the first time my horn stop working. Afterwards it worked fine until after about three blows, each time. I'd rather not take it to a mechanic again, if I dont have to. If its a simple problem that I may be able to fix I'd love to keep some of my money in my pocket. Please Help.
Was this
answer
helpful?
Yes
No
-2
Monday, November 11th, 2019 AT 6:01 PM (Merged)
Tiny
INTERNETMECHANIC
  • MECHANIC
  • 700 POSTS
The problem is usually in the steering column. You could use a voltage tester at the horn relay. Terminals 30 and 86 are hot all the time. Terminal 85 is ground for the coil side of relay, your horn switch, grounds the circuit. When the relay is grounded, that arm with the arrow-head moves to terminal 87, 87 carries voltage to the horn.


https://www.2carpros.com/forum/automotive_pictures/512072_jeep_cherokee_horn_relay_1.jpg

Was this
answer
helpful?
Yes
No
+6
Monday, November 11th, 2019 AT 6:01 PM (Merged)
Tiny
DANIJENKINS
  • MEMBER
  • 3 POSTS
Thank you guys, for the information AND diagram that you sent to me in response to my horn problems. However, I forgot to mention the clicking noise that I hear coming from "the glove compartment?", As I press down on my horn on the steering wheel. Sounds as if something has been disconnected or has a short. Can you please further assist me on problem possibilities? Im trying to fix my car so that it'll pass the state safety inspection without having to spend a fortune that I DO NOT have to spare.
Thanks in Advance,
To You All,
Dani
Was this
answer
helpful?
Yes
No
-1
Monday, November 11th, 2019 AT 6:01 PM (Merged)
Tiny
INTERNETMECHANIC
  • MECHANIC
  • 700 POSTS
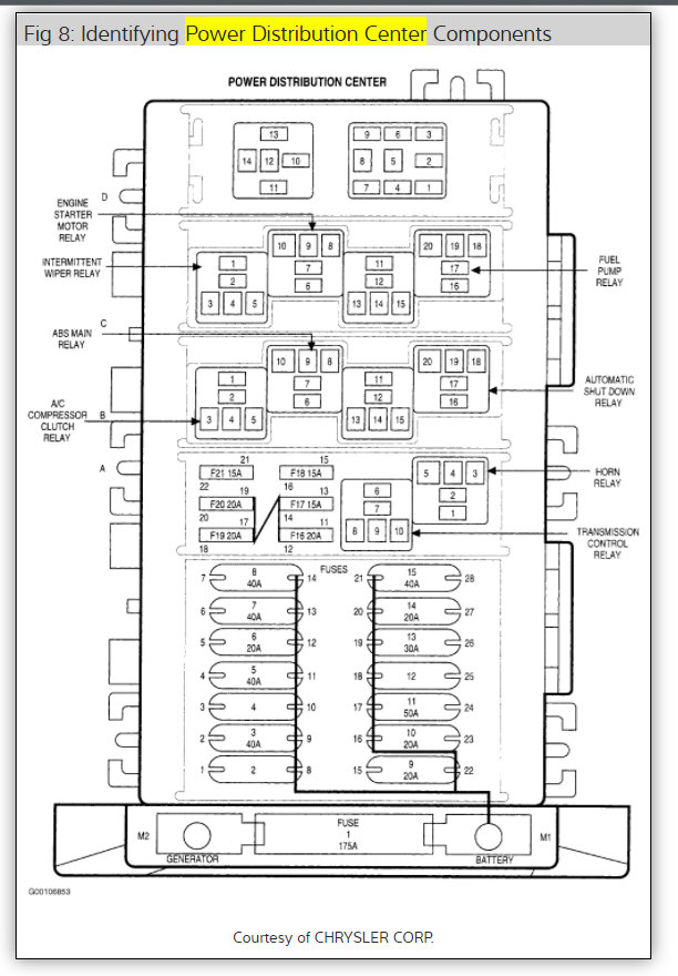
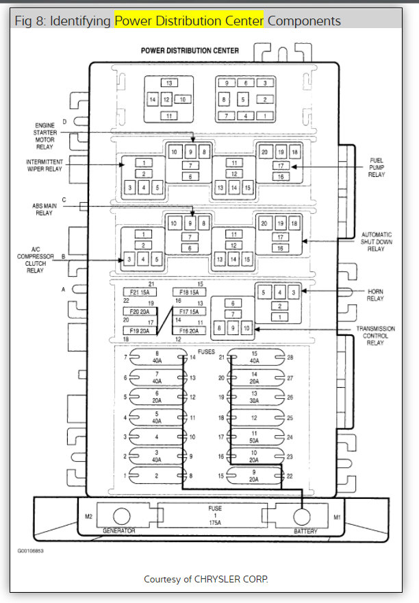
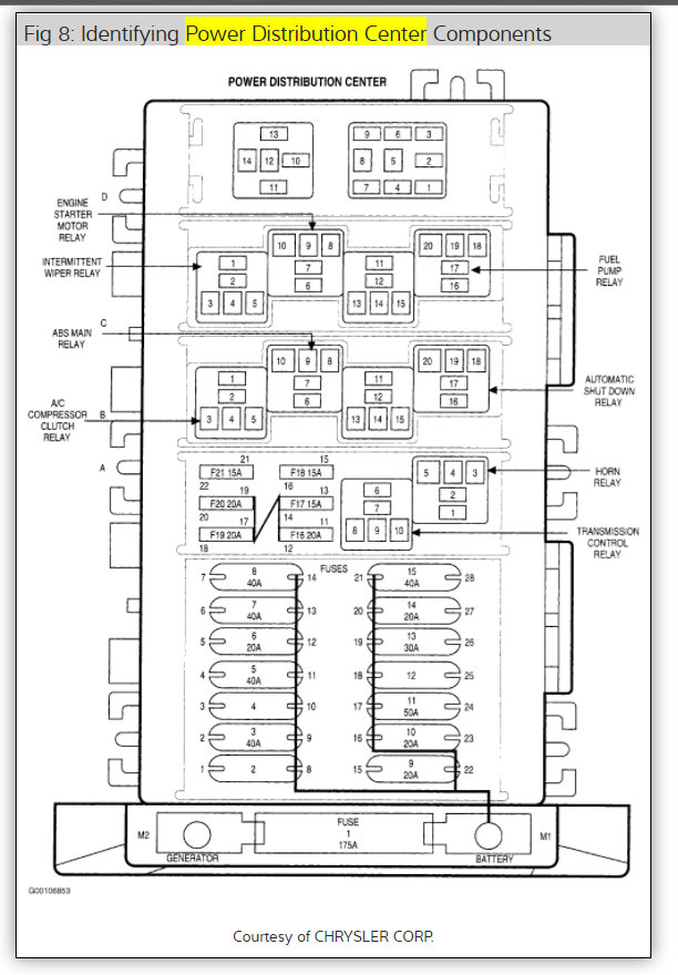
The horn relay should be located in the junction block under right side of dash. I don't know what else to tell you?
Was this
answer
helpful?
Yes
No
+3
Monday, November 11th, 2019 AT 6:01 PM (Merged)
Tiny
STONE CLONE
  • MEMBER
  • 3 POSTS
  • 1995 JEEP CHEROKEE
  • 4 CYL
  • 2WD
  • MANUAL
Where is the horn relay located on a 1995 Jeep Cherokee? Are there any pictures to show where it can be found?
Was this
answer
helpful?
Yes
No
+1
Monday, November 11th, 2019 AT 6:01 PM (Merged)
Tiny
RASMATAZ
  • MECHANIC
  • 75,992 POSTS
Hello,

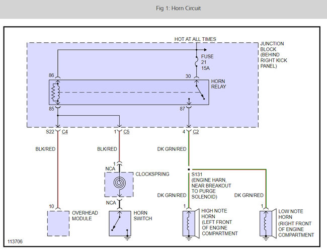
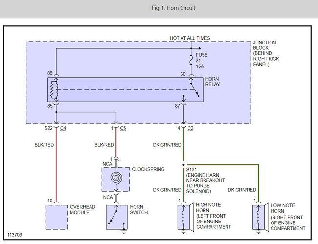
The horn relay is located in the fuse panel. Here is a guide to help test it with the location in the diagrams below.

https://www.2carpros.com/articles/how-to-check-an-electrical-relay-and-wiring-control-circuit

Check out the diagrams (Below). Please let us know what happens.
Was this
answer
helpful?
Yes
No
-2
Monday, November 11th, 2019 AT 6:01 PM (Merged)
Tiny
STONE CLONE
  • MEMBER
  • 3 POSTS
Is this under the dash or under the hood? I have nothing that looks like this that I can see. Thanks for your help. I really appreciate it.
Was this
answer
helpful?
Yes
No
Monday, November 11th, 2019 AT 6:01 PM (Merged)
Tiny
STONE CLONE
  • MEMBER
  • 3 POSTS
I am going to post a few pictures of what I've been looking at. Maybe that will help us out.
Was this
answer
helpful?
Yes
No
+1
Monday, November 11th, 2019 AT 6:01 PM (Merged)
Tiny
KEN L
  • MASTER CERTIFIED MECHANIC
  • 55,350 POSTS
I found this. Check out the diagrams (Below). Please let us know if you need anything else to get the problem fixed.
Was this
answer
helpful?
Yes
No
Monday, November 11th, 2019 AT 6:02 PM (Merged)
Tiny
MUDDUCK_1988
  • MEMBER
  • 1 POST
  • 1990 JEEP CHEROKEE
Electrical problem
1990 Jeep Cherokee 6 cyl Four Wheel Drive Automatic 289k miles

Hi, I cant seem to get my horn to work. Its seems as though the actually horn button wont go down, as if it was stuck. Is there a way for me to remove it to fix the problem if it can be fixed?
Was this
answer
helpful?
Yes
No
Monday, November 11th, 2019 AT 6:02 PM (Merged)
Tiny
BLACKOP555
  • MECHANIC
  • 10,386 POSTS
Take off the steering wheel cover and touch the two horn wires together NOT AIRBAG WIRES, if the horn works, then the switch is bad adn should be replaced, if not and the switch is functioning properly, check the relay and the horn itself.
Was this
answer
helpful?
Yes
No
Monday, November 11th, 2019 AT 6:02 PM (Merged)
Tiny
GKIEVES
  • MEMBER
  • 1 POST
  • 1998 JEEP CHEROKEE
  • 6 CYL
  • 4WD
  • AUTOMATIC
  • 51,000 MILES
Relay clicks when pressing horn switch on steering wheel, but horn does not react. How to check relay?
Was this
answer
helpful?
Yes
No
Monday, November 11th, 2019 AT 6:02 PM (Merged)
Tiny
BLACKOP555
  • MECHANIC
  • 10,386 POSTS
If its clicking chances are the relay is good, sometimes they arnt. To have them tested you wuld have to try a auto part store that does testing.

Check your horns and see if they get voltage when the button is pusshed if they do and none without it then the horns are bad.
Was this
answer
helpful?
Yes
No
Monday, November 11th, 2019 AT 6:02 PM (Merged)
Tiny
DRJACK
  • MEMBER
  • 2 POSTS
  • 1993 JEEP CHEROKEE
Electrical problem
1993 Jeep Cherokee V8 170, 00 miles

The horn does not work. It will blow if you set off the alarm system, but not from the steering whell buttons. Fuse is good and I also replaced the relay, since jumping across 30 and 87 on the relay socket made the horn work. New relay, good fuse, good horn, but still missing something here. Any ideas?
Was this
answer
helpful?
Yes
No
Monday, November 11th, 2019 AT 6:02 PM (Merged)
Tiny
BLUELIGHTNIN6
  • MECHANIC
  • 16,542 POSTS
Most likely horn switch on steering wheel since all other components were already tested OK
Was this
answer
helpful?
Yes
No
Monday, November 11th, 2019 AT 6:02 PM (Merged)
Tiny
DRJACK
  • MEMBER
  • 2 POSTS
I got schematic of the horn sysem and narrowed it down to that switch. Can't figure out how to get to the switch though.
Was this
answer
helpful?
Yes
No
Monday, November 11th, 2019 AT 6:02 PM (Merged)
Tiny
BLUELIGHTNIN6
  • MECHANIC
  • 16,542 POSTS


https://www.2carpros.com/forum/automotive_pictures/261618_Noname_2323.jpg

Was this
answer
helpful?
Yes
No
Monday, November 11th, 2019 AT 6:02 PM (Merged)
Tiny
DANIJENKINS
  • MEMBER
  • 3 POSTS
  • 1998 JEEP CHEROKEE
  • 6 CYL
  • 4WD
  • AUTOMATIC
  • 126,088 MILES
Thank you guys, for the information AND diagram that you sent to me in response to my horn problems. However, I forgot to mention the clicking noise that I hear coming from "the glove compartment?", As I press down on my horn on the steering wheel. Sounds as if something has been disconnected or has a short. Can you please further assist me on problem possibilities? Im trying to fix my car so that it'll pass the state safety inspection without having to spend a fortune that I DO NOT have to spare.
Thanks in Advance,
To You All,
Dani
Was this
answer
helpful?
Yes
No
Monday, November 11th, 2019 AT 6:02 PM (Merged)

Please login or register to post a reply.