Brake lights not working?

Tiny
WBS6903
  • MEMBER
  • 1999 JEEP CHEROKEE
  • 6 CYL
  • 4WD
  • AUTOMATIC
  • 121,000 MILES
My brake lights are not working. Blinkers work running lights work. No license plate light or brake light. Where should I start.
Monday, June 9th, 2008 AT 1:09 AM

22 Replies

Tiny
MHPAUTOS
  • MECHANIC
  • 31,937 POSTS
Hi there,

You may have two separate faults here. First check the license plate bulb, as this is independent of the brake lights. With the brake lights check the gulbs, and fuse. If all okay check for power into and out of the brake light switch on top of the brake pedal. Start here at this guide which will show you what to do.

https://www.2carpros.com/articles/brake-lights-not-working

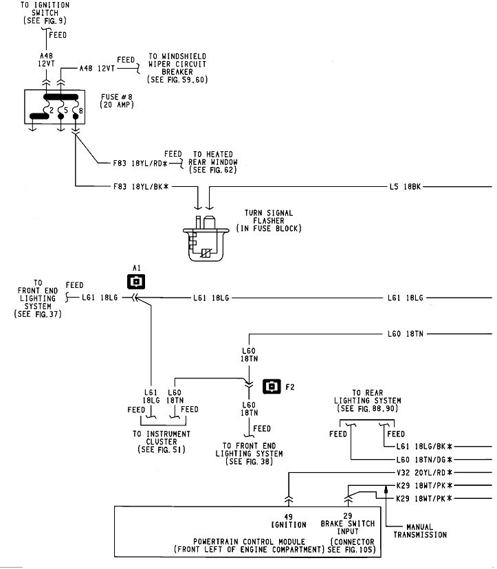
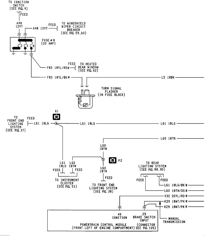
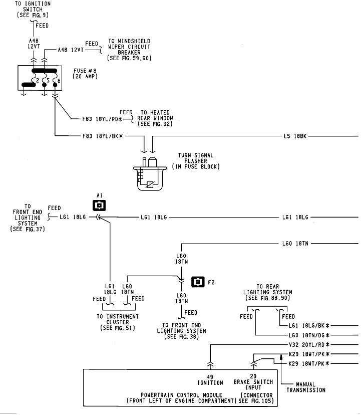
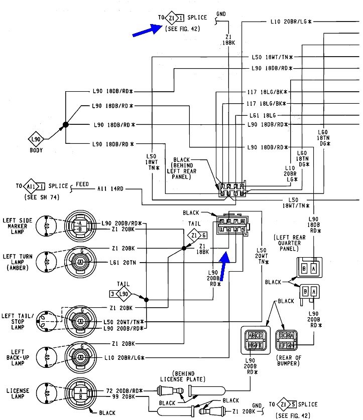
Here are the brake light wiring diagrams so you can see how the system works. Check out the diagrams (Below). Please let us know what happens.
Was this
answer
helpful?
Yes
No
Saturday, July 21st, 2018 AT 3:13 PM
Tiny
BECKYJEEP1999
  • MEMBER
  • 1 POST
  • JEEP CHEROKEE
I have a 1999 Jeep Cherokee Unlimited, 130K miles, V6. Here's my situation: My rear brake lights will not work. I have replaced the bulbs (2times) and the fuses. Any suggestions? My brakes work fine it's just the lights that will not work.
Was this
answer
helpful?
Yes
No
Thursday, November 12th, 2020 AT 12:27 PM (Merged)
Tiny
GRICHARDS
  • MECHANIC
  • 57 POSTS
I am basing this answer on the post that it is only the brake lights not working (flashers, turn signals, backups all okay).
It sounds like the brake light switch is a good candidate for your problem. Look at your brake pedal, then follow the metal "arm" up until you see a small "box" with lots of wires coming out of it mounted so it presses against the arm when the brakes are released. (Mine is on the side of the arm closest to the driver). The wires from this box/brake light switch run to a connector nearby that can be taken apart when switch is replaced.
The switch has a plunger that comes out when the brake pedal is pressed, completing the brake light circuit. When the brakes are released, the plunger is pushed back, opening the circuit and turning lights off.
You could take the connector apart and clean it with contact cleaner (flammable, so disconnect negative terminal of battery first), then put back together and check brake lights.
To check if the plunger is coming out far enough, push the pedal with one hand, with the other hand/finger push plunger in/out. With the plunger all the way out the brake lights should work if the switch is working. If they do, the switch will need to be adjusted slightly farther away from the brake "arm" - some are adjustable, some are not. If no change in the brake lights, probably replace switch. Hope this helps! If you fix it, please post what you found and did to help other folks. Thanks!
Was this
answer
helpful?
Yes
No
+3
Thursday, November 12th, 2020 AT 12:27 PM (Merged)
Tiny
DREA_02_2000
  • MEMBER
  • 1 POST
  • 1999 JEEP CHEROKEE
  • 6 CYL
  • 2WD
  • AUTOMATIC
  • 140,000 MILES
My brake lights go out when the headlights are turned on but the brake lights work when headlights are off.
I've replaced the turn signal switch near wheel but it doesnt resolve matter. Check electrical charge is okay and bulbs fine.
Please help?
Was this
answer
helpful?
Yes
No
Thursday, November 12th, 2020 AT 12:27 PM (Merged)
Tiny
JDL
  • MECHANIC
  • 16,098 POSTS
Did you check for voltage at the rear brake light? White wire with tan tracer, should be hot with the brake switch activated. Also check ground, black wire.
Was this
answer
helpful?
Yes
No
-2
Thursday, November 12th, 2020 AT 12:27 PM (Merged)
Tiny
DEE JEEP98
  • MEMBER
  • 1 POST
  • 1998 JEEP CHEROKEE
  • 6 CYL
  • 4WD
  • AUTOMATIC
  • 178,000 MILES
The third light stopped working I replaced the bulb but cant find the fuse if there is one
Was this
answer
helpful?
Yes
No
Thursday, November 12th, 2020 AT 12:27 PM (Merged)
Tiny
JACOBANDNICKOLAS
  • MECHANIC
  • 110,194 POSTS
There isn't a seperate fuse for that light. It could be a bad socket. Take a test light and check if you are getting power to the socket. It's no uncommon for them to go bad.

Let me know what you find.

Joe
Was this
answer
helpful?
Yes
No
Thursday, November 12th, 2020 AT 12:27 PM (Merged)
Tiny
HANKIMUS
  • MEMBER
  • 1 POST
  • 1997 JEEP CHEROKEE
  • 6 CYL
  • 4WD
  • MANUAL
  • 145,000 MILES
I have a super clean, California Cherokee. The other day I noticed my brake lights werent working. The lights were in good working order, and all fuses were working. There was no power to the lights, nor was there power to the brake light switch. I cannot find any info on what relay might be connected or what. Any info? I cannot see any rust or corrosion an any part of the jeep, so I cant see it being that.
Was this
answer
helpful?
Yes
No
Thursday, November 12th, 2020 AT 12:27 PM (Merged)
Tiny
JDL
  • MECHANIC
  • 16,098 POSTS
The info I looked at, was jeep cherokee country, w/o trailer tow. Test the voltage circuits.


https://www.2carpros.com/forum/automotive_pictures/170934_jeep_cherokee_country_1.jpg

Was this
answer
helpful?
Yes
No
+2
Thursday, November 12th, 2020 AT 12:27 PM (Merged)
Tiny
XJBASKETCASE13
  • MEMBER
  • 8 POSTS
  • 1993 JEEP CHEROKEE
  • 4.0L
  • 6 CYL
  • 4WD
  • MANUAL
  • 170,405 MILES
When I hit my brakes my brake lights come on, but when I turn my headlights on and hit the brakes no brake lights. Have checked sockets for any kind of build up their clean, all fuses are good brake switch seems to be working like it should as well. Bulbs are good as well. I’m lost.
Was this
answer
helpful?
Yes
No
Thursday, November 12th, 2020 AT 12:27 PM (Merged)
Tiny
CARADIODOC
  • MECHANIC
  • 34,489 POSTS
What about the center high-mount brake light? Does that work properly? Do the rear turn signals work correctly, and do they flash at the correct speed?

Also, do the rear tail lights appear to be as bright as they should be?
Was this
answer
helpful?
Yes
No
Thursday, November 12th, 2020 AT 12:27 PM (Merged)
Tiny
XJBASKETCASE13
  • MEMBER
  • 8 POSTS
Turn signals work fine at normal speed. My Jeep doesn’t have a high mount brake light did not come equipped with one.
Was this
answer
helpful?
Yes
No
Thursday, November 12th, 2020 AT 12:27 PM (Merged)
Tiny
CARADIODOC
  • MECHANIC
  • 34,489 POSTS
Sorry about that. I see that now as they aren't on the diagrams.

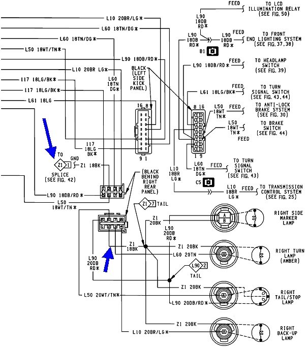
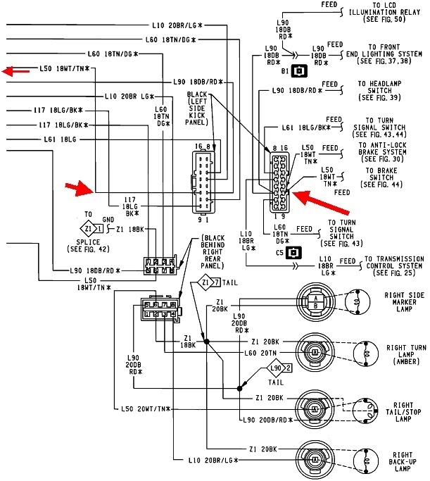
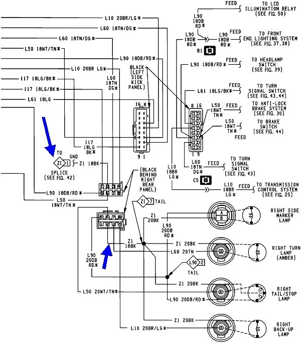
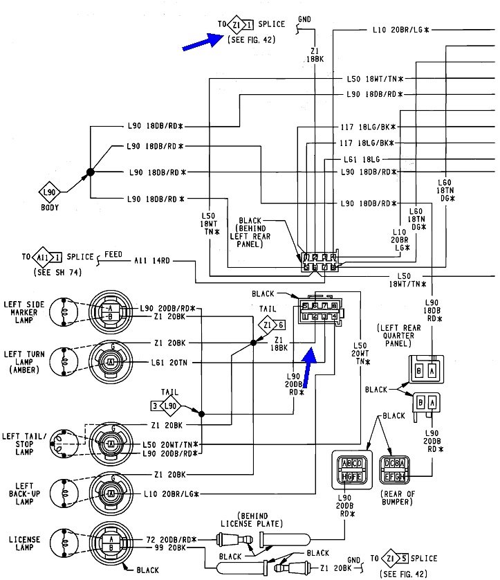
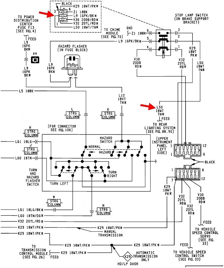
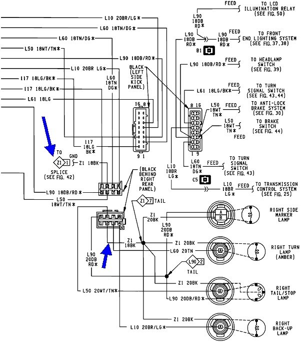
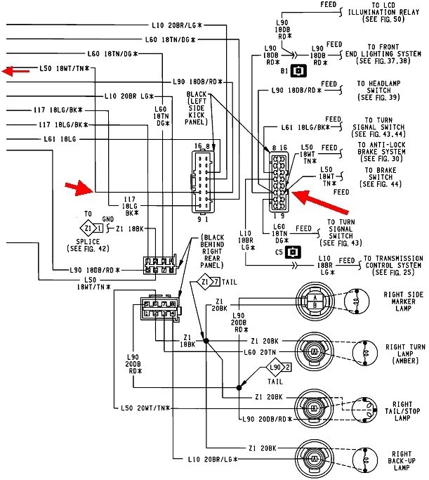
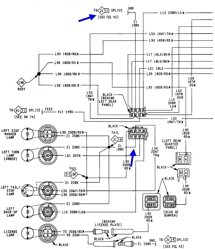
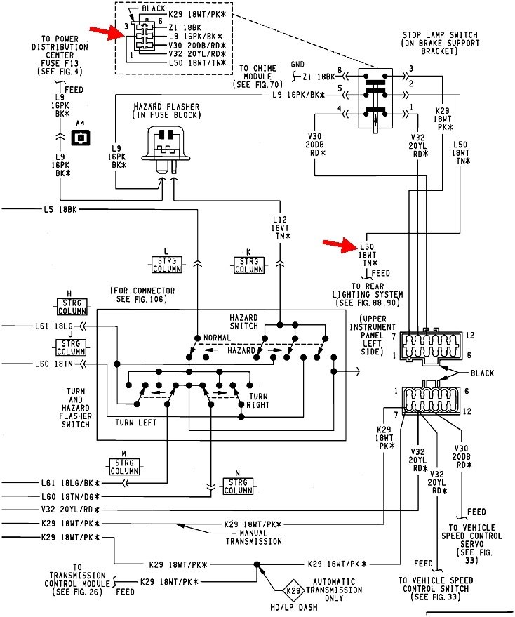
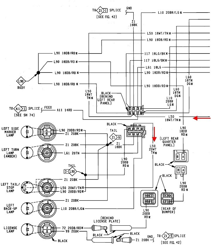
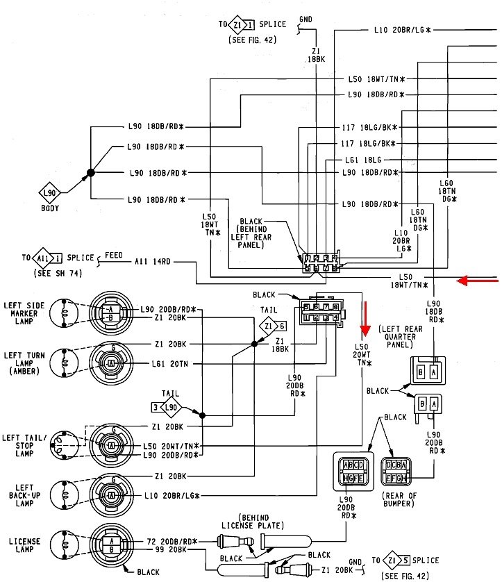
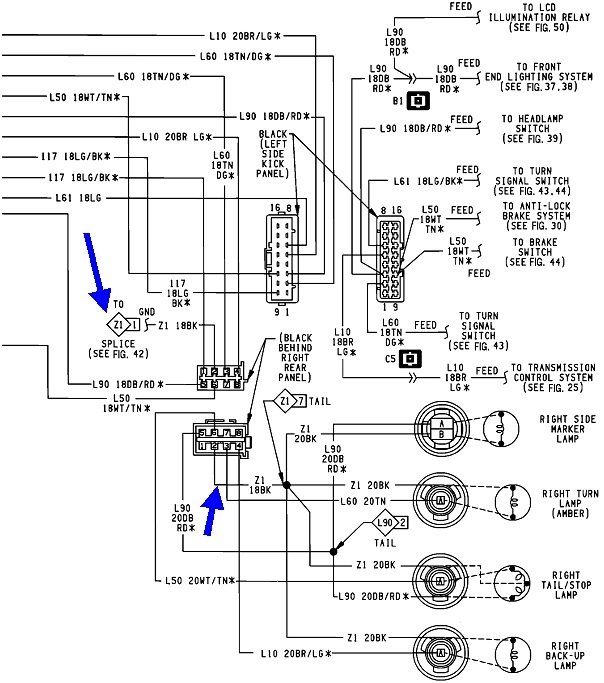
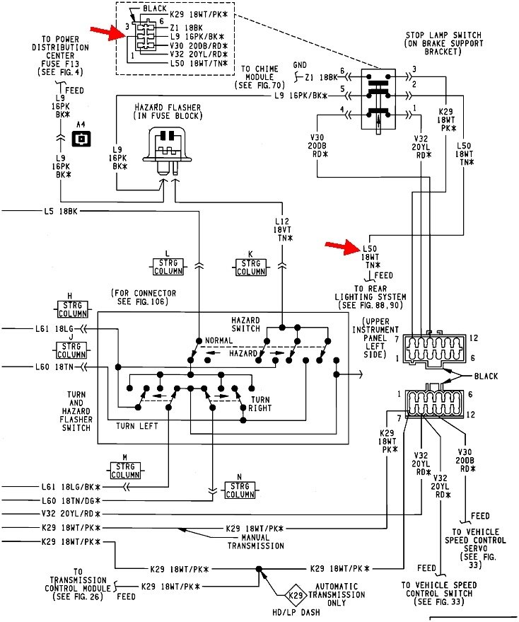
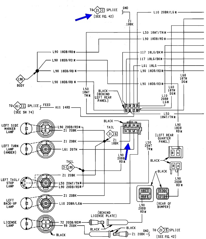
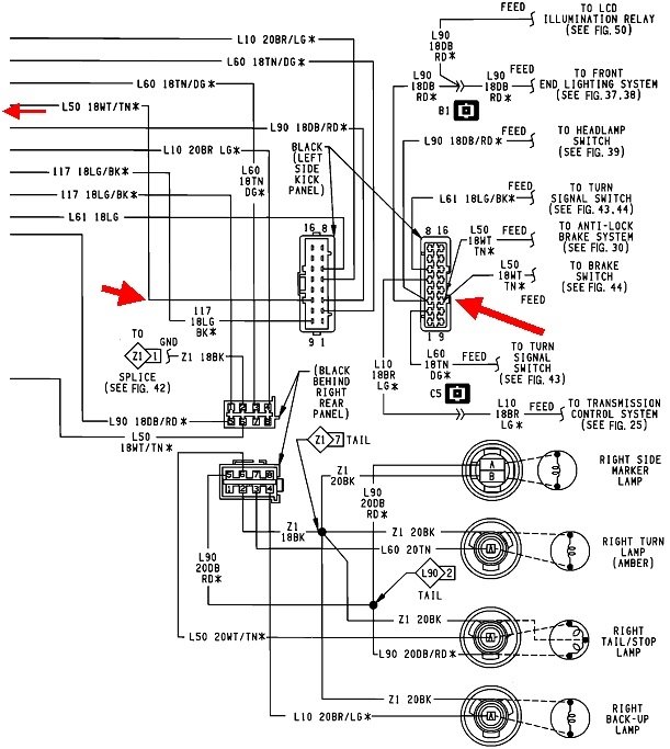
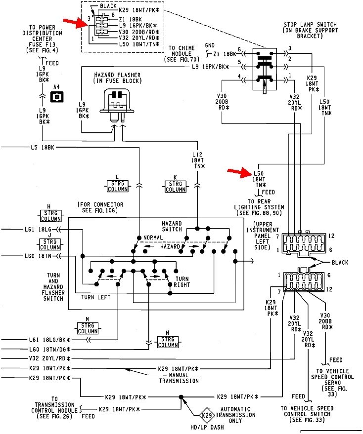
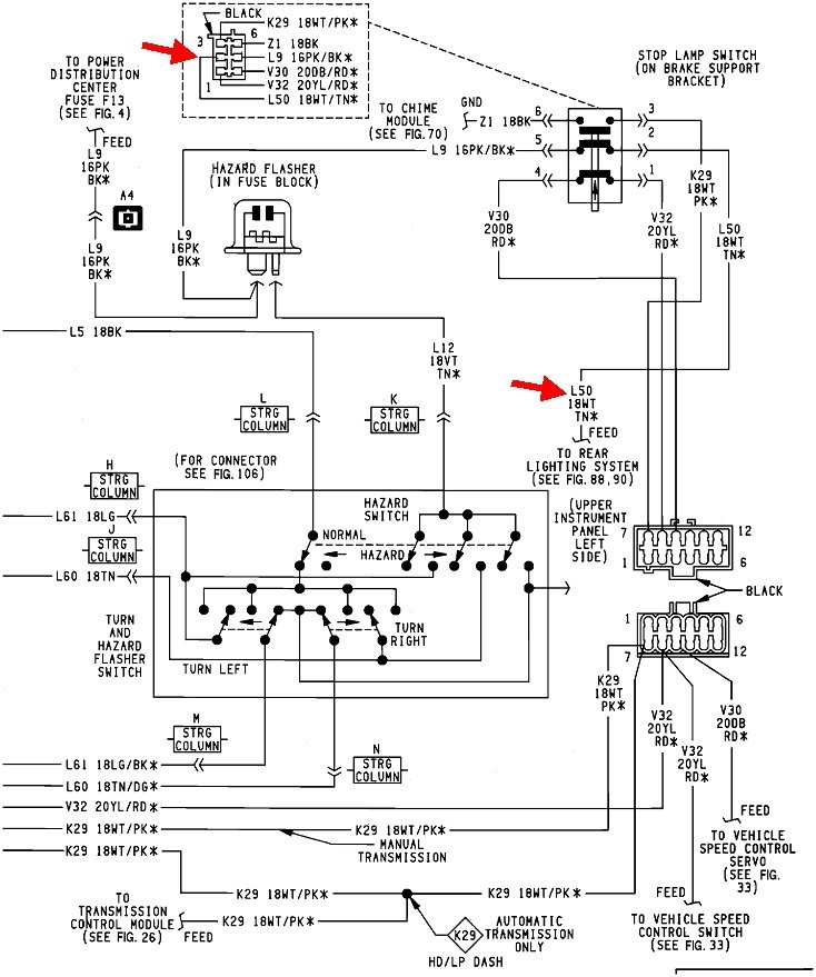
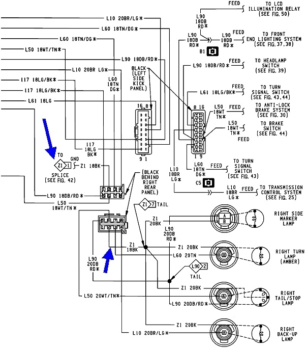
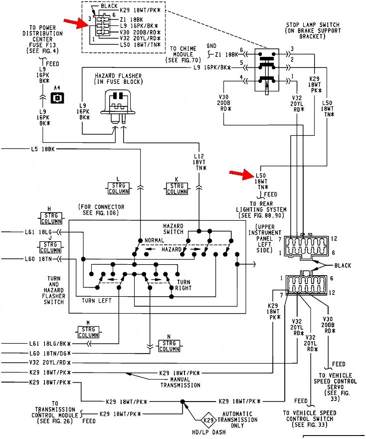
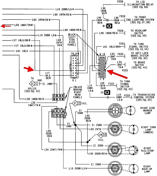
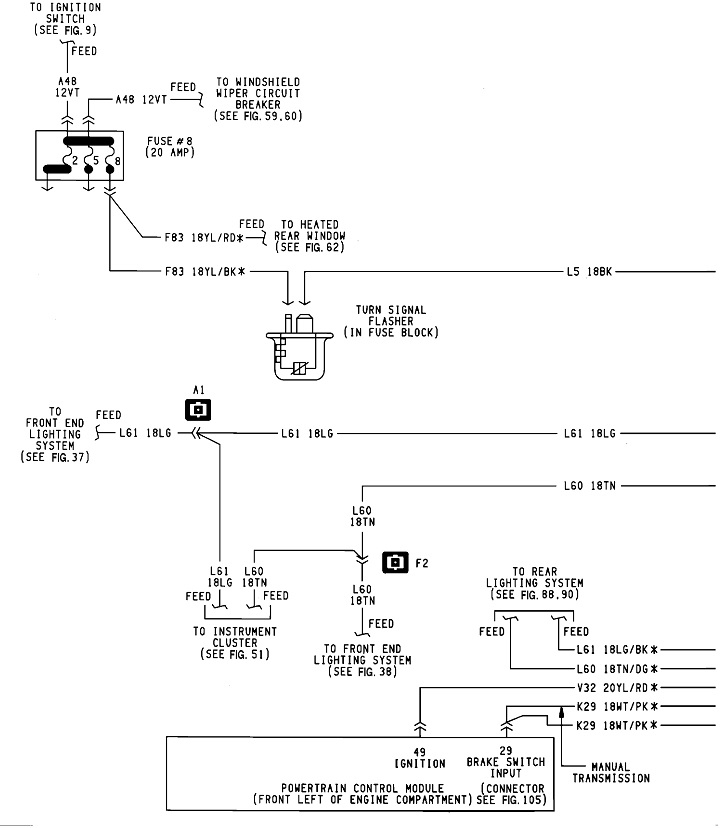
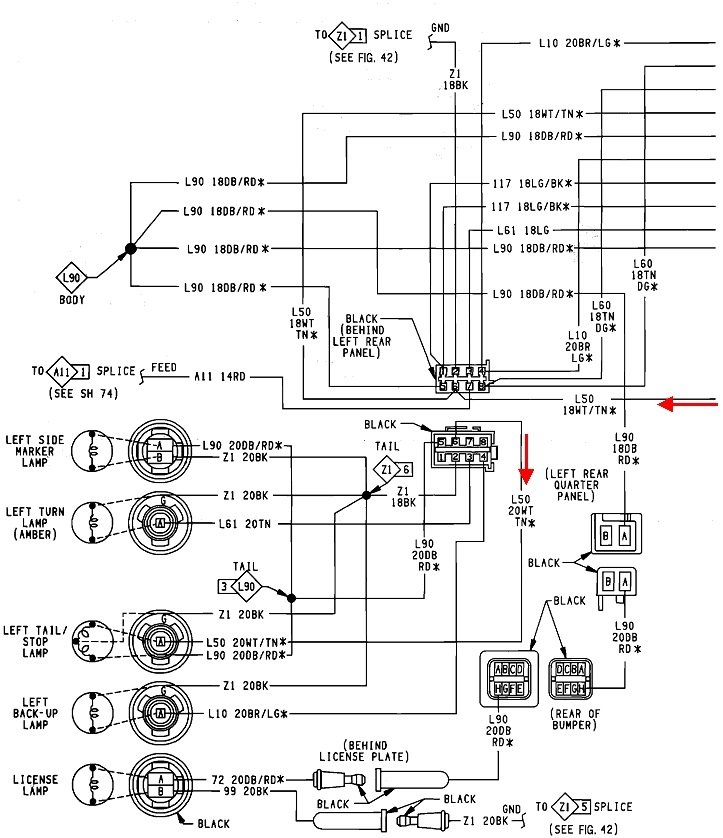
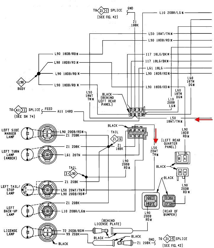
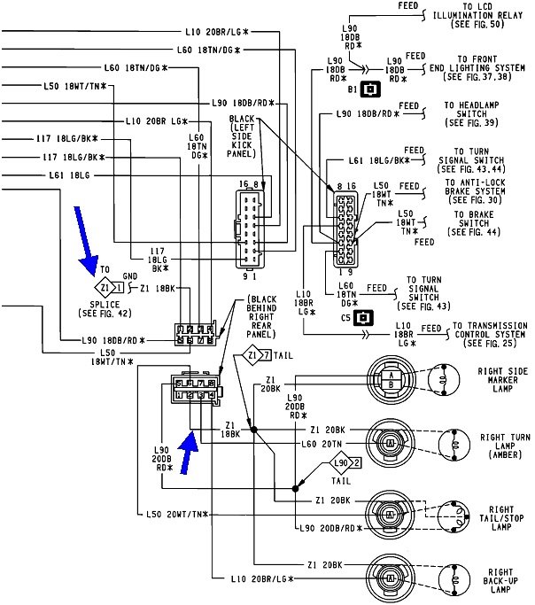
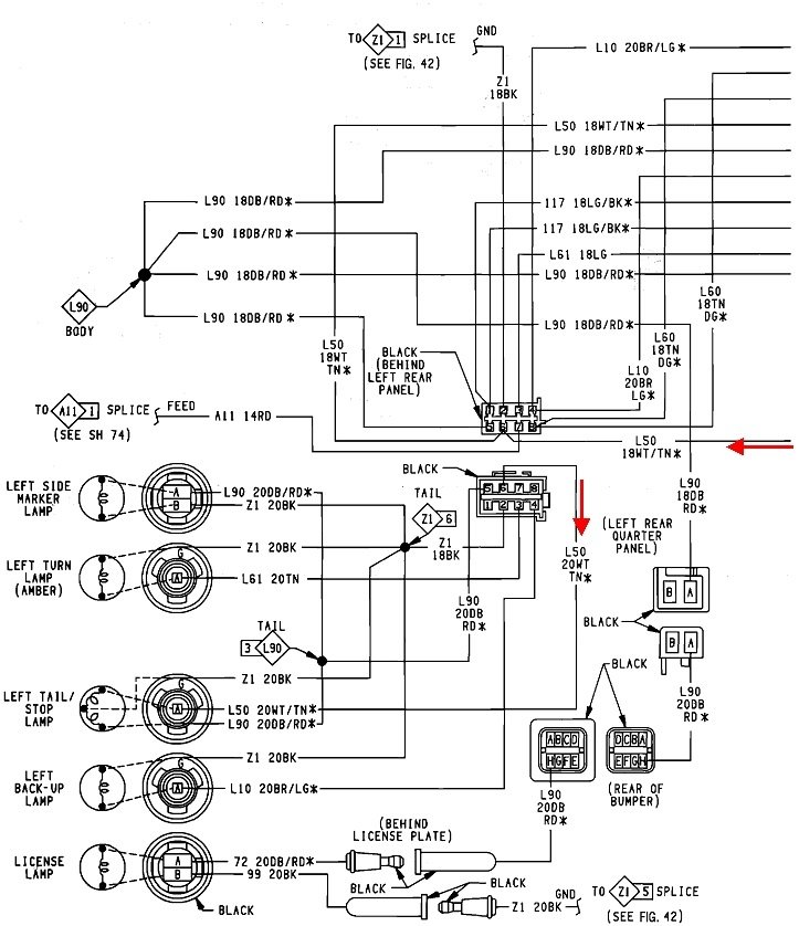
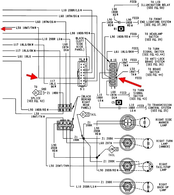
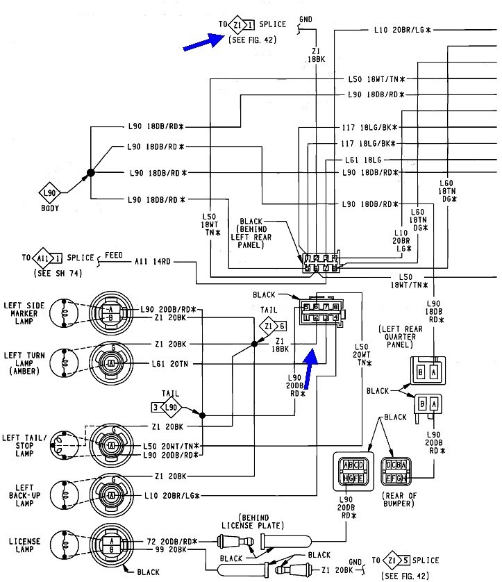
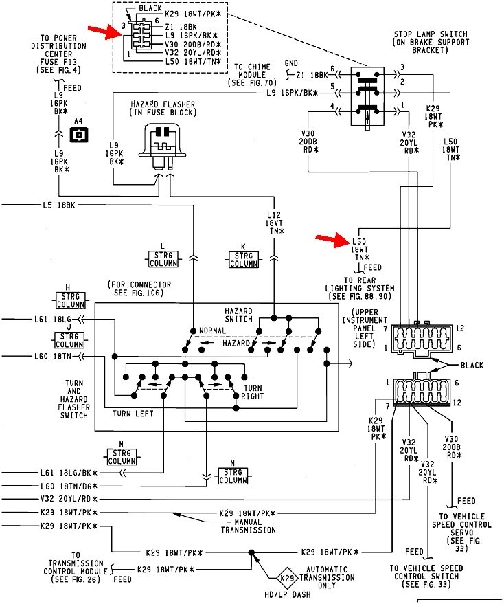
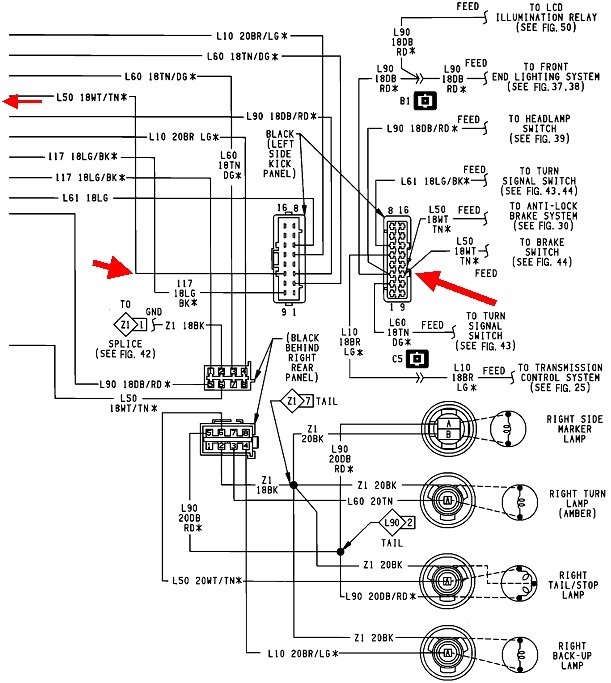
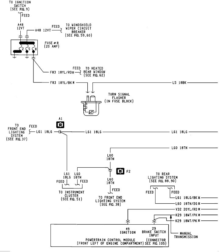
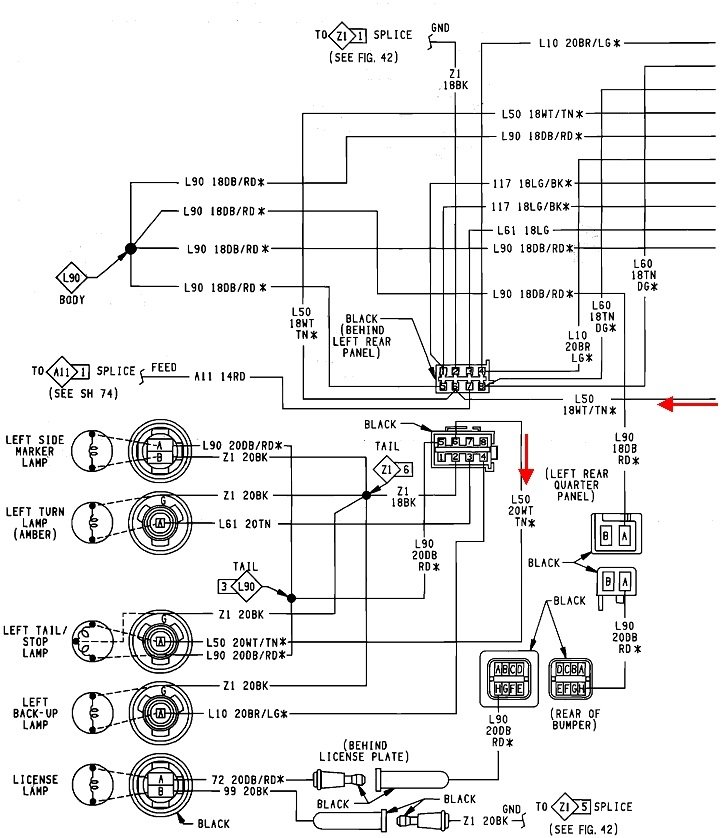
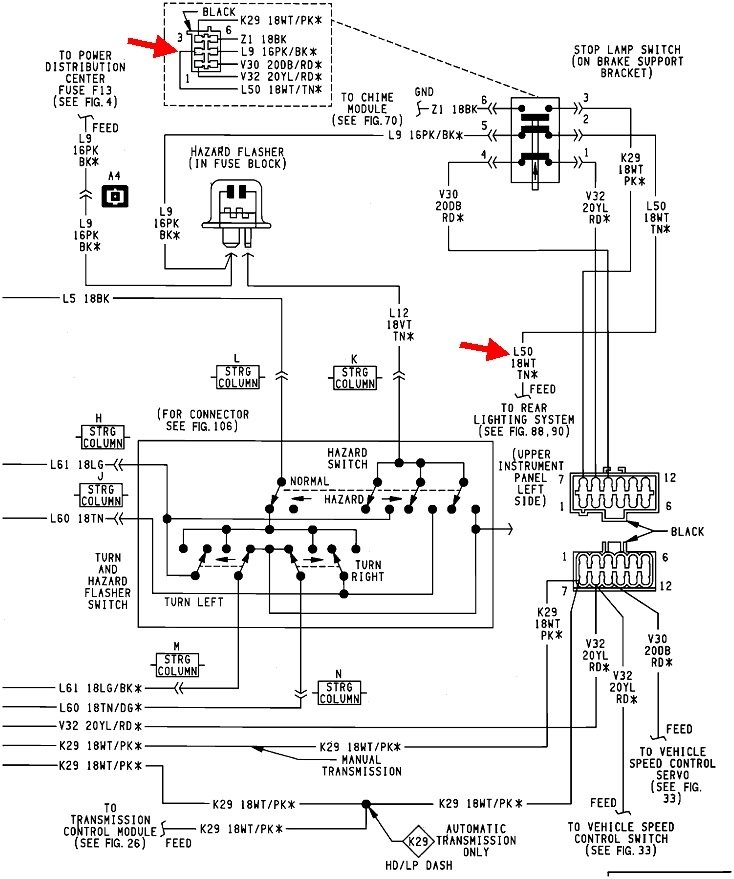
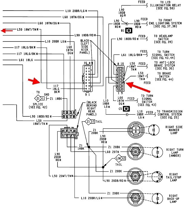
Here's the diagrams that pertain to the brake lights. They can be hard to follow until you're familiar with reading them, so I added some nifty red arrows to show the best test points and where current flows.

A good suspect, and a good place to start, is by the connector behind the driver's kick panel just to the left of your left foot. This is a good place for road salt to migrate to if you live in a state where they throw a pound of salt onto an ounce of snow, like I do.

Look for the white wire with a tan stripe. It's the third one from one of the corners. You can back-probe that wire with a digital voltmeter or a test light. It should show 12 volts when you press the brake pedal. Be sure to check both sides of that connector. If you find a wire corroded off, we'll discuss the repair. If you find 12 volts on one side but not on the other side, we can bypass the connector completely, but you should inspect it for other corrosion damage to the other terminals. This connector is shown on the third diagram.

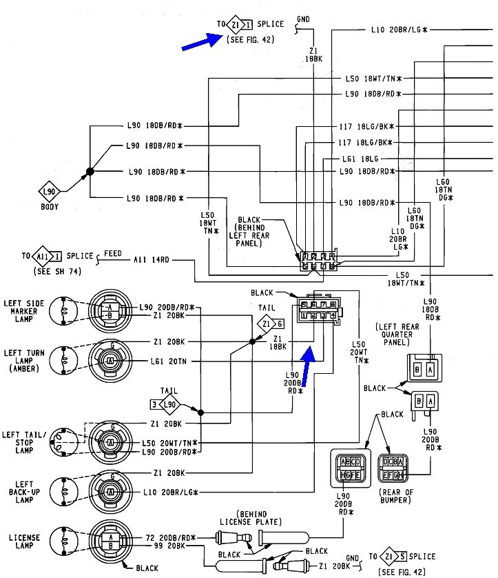
If you have 12 volts on both sides of this connector and the wires are okay, look for the connector on the fourth diagram. That one is listed as behind the left rear trim panel. Look there for the same white / tan wire and check on both sides of that connector.

If you need it, here's links to articles on how to use a test light and voltmeter:

https://www.2carpros.com/articles/how-to-use-a-test-light-circuit-tester

https://www.2carpros.com/articles/how-to-use-a-voltmeter

They show the more expensive auto-ranging voltmeter, which is a feature you don't need. I can help with setting up a regular one if you need it. These are available at Harbor Freight Tools, Walmart, or any hardware store or auto parts store.
Was this
answer
helpful?
Yes
No
Thursday, November 12th, 2020 AT 12:27 PM (Merged)
Tiny
XJBASKETCASE13
  • MEMBER
  • 8 POSTS
If it was a corroded wire or connection wouldn’t that make the brake lights not work at all? And not only when headlights are on
Was this
answer
helpful?
Yes
No
Thursday, November 12th, 2020 AT 12:27 PM (Merged)
Tiny
CARADIODOC
  • MECHANIC
  • 34,489 POSTS
You are absolutely correct. I derailed myself by thinking about the center brake light that you don't have. What you described originally is the classic symptom of a bad ground at the rear. Thanks for setting me straight.

One thing to look at first is with the head lights off, press the brake pedal, then observe if the front running lights turn on. Alternately, turn on the radio, then observe if the display dims when you press the brake pedal.

Here's where I'm going to add some unnecessary confusion. Most vehicles have two separate grounds for the rear lights. One is on the left side and one is on the right side. When one of them is broken, it is only the lights on that side that have the symptom, but the glaring clue is that symptom changes dramatically when you unplug the bulb on the good side. That's not the case here. On your vehicle, the diagrams show the two grounds go through their own connectors on each side, but then they come together in a splice. I'm still looking for that splice on a diagram. My suspicion is that single ground wire after the splice is where the break is.

The reason the rear lights appear to work at times is current can't find its normal path to ground, but it is finding an alternative path through the interconnected tail lights and front running lights, then to ground in the front. That puts half the voltage on the front lights when they should be off, and that 6 volts can be enough to falsely tell the radio you turned the head lights on and it is supposed to dim the display. The rear lights won't be at full brightness when this happens.
Was this
answer
helpful?
Yes
No
Thursday, November 12th, 2020 AT 12:27 PM (Merged)
Tiny
CARADIODOC
  • MECHANIC
  • 34,489 POSTS
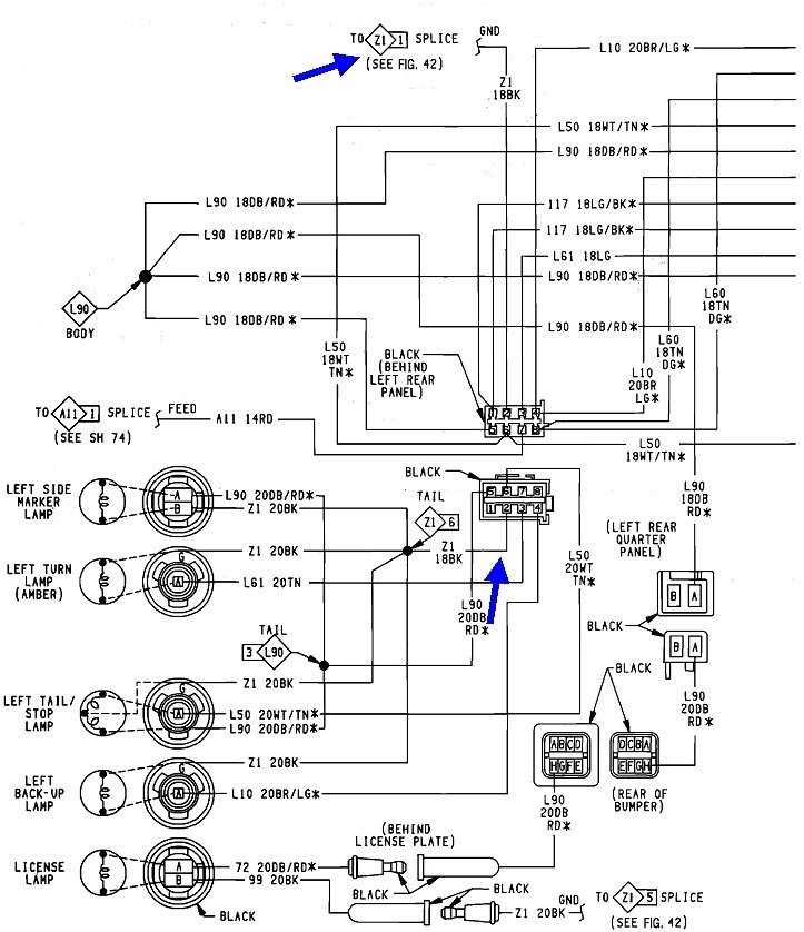
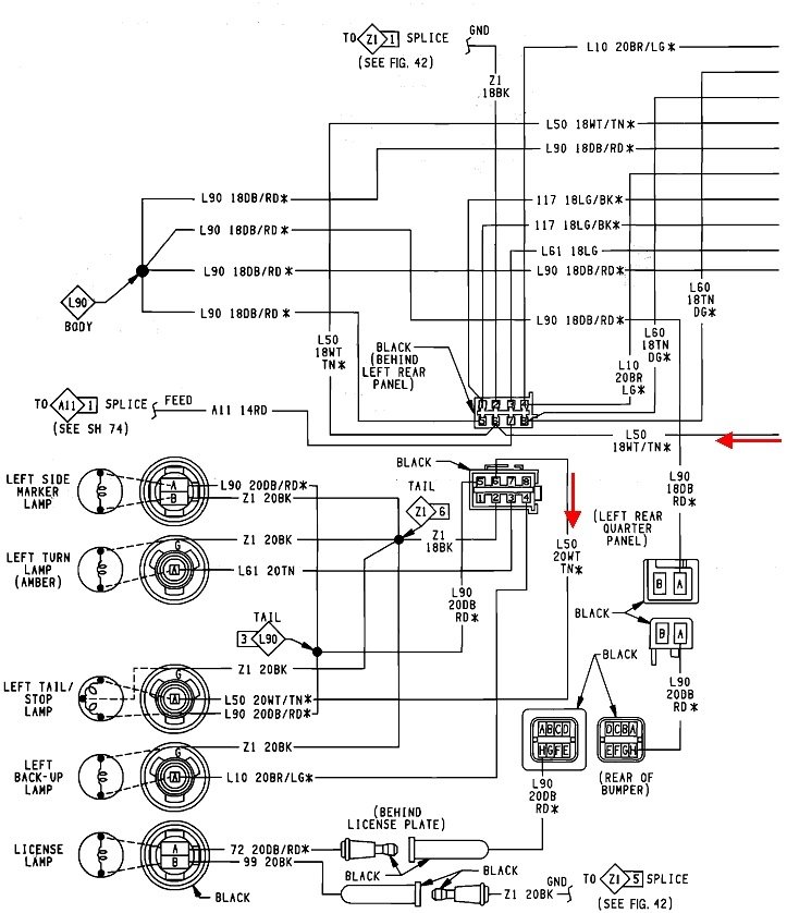
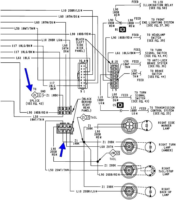
The top blue arrow in each of the first two diagrams point to the individual ground wires, and that they come together in splice "Z1". That's shown in the third diagram. You can see on that one there's a lot of other systems using that same ground, so if the fuel level reads right, and the power seats or seat belt warning system work properly, that ground has to be okay. All that leaves is the single wire between the two orange arrows.

The fourth drawing shows the location of the splice. That is the logical area to find the ground screw too.

You could have the same set of symptoms if the two individual ground wires were both broken, but the chance of that is less likely than having one broken wire that affects both sides.

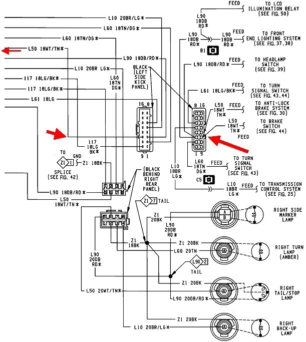
If you don't see something obvious behind these trim panels, we'll have to do some testing to find the broken wire. The two 8-pin connectors are behind these panels too. The wires in them will make good test points.
Was this
answer
helpful?
Yes
No
Thursday, November 12th, 2020 AT 12:27 PM (Merged)
Tiny
XJBASKETCASE13
  • MEMBER
  • 8 POSTS
I’m getting power to everything bulbs are new and still nothing is lighting up!
Was this
answer
helpful?
Yes
No
Thursday, November 12th, 2020 AT 12:27 PM (Merged)
Tiny
BPRATHE1
  • MEMBER
  • 1 POST
  • 1995 JEEP CHEROKEE
  • 4.0L
  • 6 CYL
  • 4WD
  • AUTOMATIC
  • 210,000 MILES
I was working on radio. I unplugged it. Went to plug it back in. No power to radio. Now no signals, brake lights, or flashers and no radio. All fuses look fine. Help!
Was this
answer
helpful?
Yes
No
Thursday, November 12th, 2020 AT 12:27 PM (Merged)
Tiny
TY ANDERSON
  • MECHANIC
  • 719 POSTS
It sounds like you may have blown a fuse.
Do you know how to use a voltmeter? Or test light?

Make sure fuse #9 (10amp fuse) and fuse # 2 (15amp fuse) is not blown. Check the fuses under hood and behind dashboard.
Thanks for the question
Was this
answer
helpful?
Yes
No
Thursday, November 12th, 2020 AT 12:27 PM (Merged)
Tiny
CARADIODOC
  • MECHANIC
  • 34,489 POSTS
Electrical current always makes a big loop, or circuit, that starts at the battery and has to end up at the battery. Half of the circuitry gets the 12 volts to the bulbs. You checked that. That's the 12 volts you found at the sockets. The other half of the circuitry gets the current back to the battery. That's the ground circuit that I detailed with the diagrams.

Normally there's a ground wire for each side of the rear of the vehicle, so when one has a break, it affects only the lights on that one side. You're missing the lights on both sides, and in fact, part of those ground circuits are shared by both sides. That's how I can figure out where the break has to be. Everything indicates the broken or corroded wire has to be behind the left rear trim panel.
Was this
answer
helpful?
Yes
No
Thursday, November 12th, 2020 AT 12:27 PM (Merged)

Please login or register to post a reply.