Radio, heater and command center lost power?

Tiny
JMWEST7
  • MEMBER
  • 1996 JEEP CHEROKEE
  • V8
  • 4WD
  • AUTOMATIC
  • 180,000 MILES
My radio, heater, and command center lost power after going through a puddle
Monday, March 15th, 2010 AT 6:25 PM

1 Reply

Tiny
KASEKENNY
  • MECHANIC
  • 18,907 POSTS
These few things do have anything in common outside of the BCM so I would suggest picking one of them and figuring out what the issue is with it and then if that fixes all of them then that is a bonus.

If not then we need to move onto the next item.

Here is are a couple guides that will help with testing:

https://www.2carpros.com/articles/how-to-check-wiring

https://www.2carpros.com/articles/how-to-use-a-voltmeter

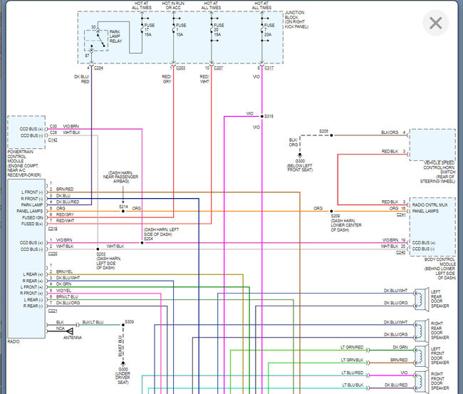
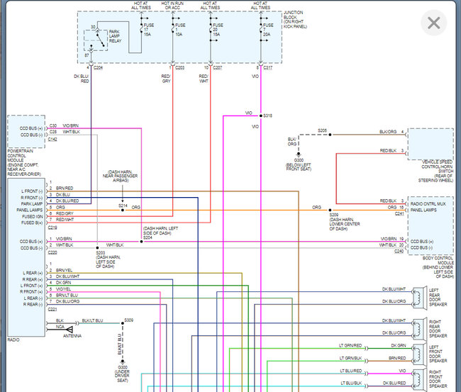
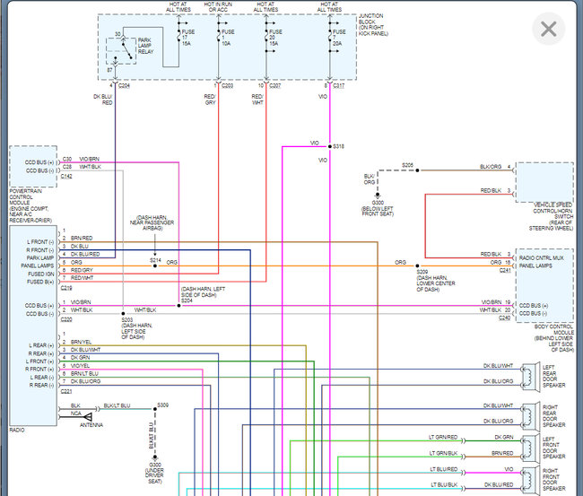
Below are the wiring diagrams. We need to start with checking the fuses and then checking power at the radio. If you have all power and grounds then the radio will most likely need to be replaced.

Please run through this and let us know what you find. Thanks
Was this
answer
helpful?
Yes
No
Friday, September 24th, 2021 AT 3:52 PM

Please login or register to post a reply.