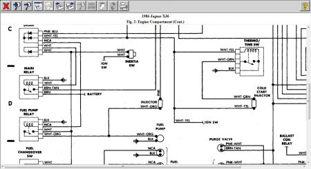
Car barely idles and stalls when excellorated. Some times won't even idle. I changed the fuel pump and filter. Plenty of gas at the pump. No power at the + side of pump. I changed the fuel pump relay located on the firewall. Still no power at the pump. My manuel talks about an Inertia fuel cut-off switch. Could this cause my problems. Local stores don't carry this part. I'll order if this will work. Any ideas?
Thanks, vern
Thursday, April 30th, 2009 AT 5:35 AM











