Wednesday, December 31st, 2025 AT 3:33 PM
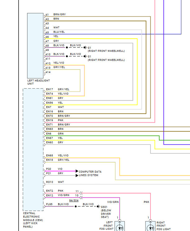
Only night I see out is the low beam on driver side, but for some reason the cluster shows that a blinker is out. I tried all of them and they all work like they should. Put hazard on and all are woking, brake lights working, same for reverse. These headlights are LEDs, I cannot seem to find how to replace them. I could not see any fuses that were burned under the hood.

















