HOME
ASK A QUESTION
REPAIR GUIDES
BECOME A MEMBER
LOG IN
Login with Facebook
OR
Remember me
NOT A MEMBER?
FORGOT PASSWORD?
CONTACT US
PRIVACY POLICY
TERMS AND CONDITIONS
☰
Home
Saturn
L300
Engine
Starter
Is there such a thing called a starter sensor on the automatic V-6?
TERESA ARNOLD
MEMBER
2001 SATURN L300
125,000 MILES
Doesn't always start. Wait 15 minutes. Then usually will.
Sunday, December 19th, 2021 AT 1:55 PM
1 Reply
ASEMASTER6371
MECHANIC
52,796 POSTS
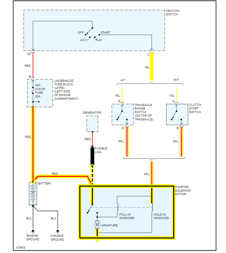
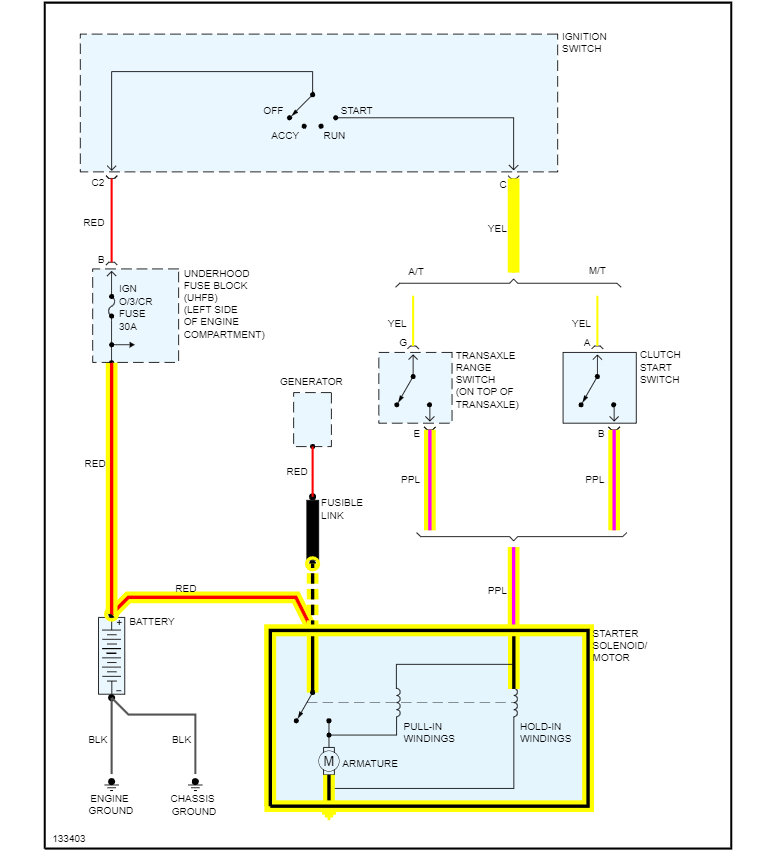
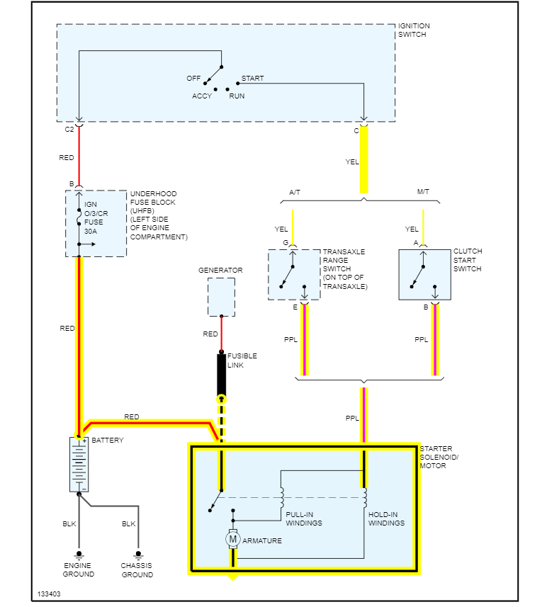
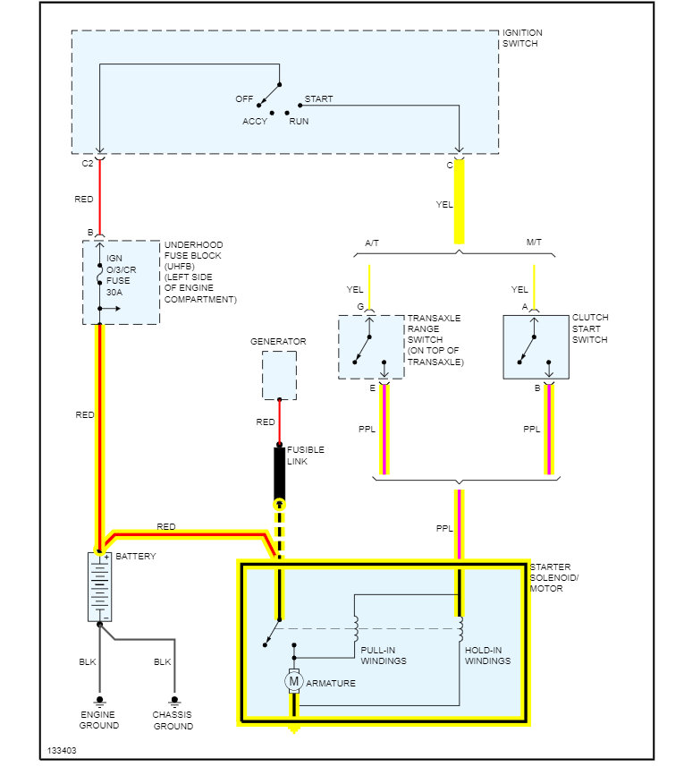
Good evening,
No, there is not. The system has a relay and wiring to the starter.
I would start by cleaning the battery cables really good of all corrosion inside and outside.
https://www.2carpros.com/articles/everything-goes-dead-when-engine-is-cranked
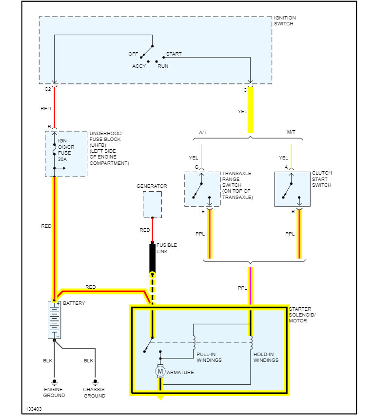
Then when it will not start, check the purple wire at the starter solenoid for power in the start position to see if there is power coming.
https://www.2carpros.com/articles/how-to-check-wiring
https://www.2carpros.com/articles/how-to-use-a-voltmeter
Roy
Image (Click to make bigger)
Was this
answer
helpful?
Yes
No
Sunday, December 19th, 2021 AT 2:20 PM
Please
login
or
register
to post a reply.
Related Starter Content
2001 Saturn L300 Takes Forever To Start
Mechanic Isn't Sure, Computer Says It Is Misfiring. Sometimes It Will Start 2nd Or 3rd Try Sometimes 30 Minutes Trying. The Part(throttle...
Asked by
AMEMUS
·
3 ANSWERS
2001
SATURN L300
GUIDE
Starter
An engine starter is constructed as a high torque, high amperage 12 volt motor fitted with an electrical solenoid and Bendix gear which is used to rotate an engine between...
Oil Change
Was Changing Oil On 2005 L300 Saturn Sedan V6 Front Wheel Drive Automatic. The Oil Cap Was On Too Tight And In Process Of Unscrewing It The...
Asked by
Mjmc
·
3 ANSWERS
2005
SATURN L300
Thick Mixture Of Oil Only In Cooling System
Driving Noticed Steam, Was Not Overheating. Stopped Seem Bottom Driver Side Radiator Hose Sprung A Leak. It Was Not But About Two Miles...
Asked by
Timothy Foley
·
2 ANSWERS
2002
SATURN L300
2003 Saturn L300 L300 Engine
Saturn L300 V6 100000 Miles. Driving Along And Suddenly Lost A Bunch Of Power. 2 Min Later Lost All Power And The Engine Would Hardly Idle....
Asked by
DIGGSBEE
·
1 ANSWER
2003
SATURN L300
Ask a Car Question. It's Free!
Starter Replacement
Starter Motor Replacement
Starter Motor Replacement