The intermittent wiper function does not work?

Tiny
WAYNE #01
  • MEMBER
  • 2010 JAGUAR XF
  • 3.0L
  • V6
  • 2WD
  • AUTOMATIC
  • 79,800 MILES
The intermittent wiper function doesn't work on the stalk, all other wiper functions do.
Wednesday, April 24th, 2024 AT 1:00 AM

5 Replies

Tiny
KEN L
  • MASTER CERTIFIED MECHANIC
  • 55,535 POSTS
It sounds like the central junction box has gone out, but we should check the fuses and grounds for the system, here is a guide that can help:

https://www.2carpros.com/articles/how-to-check-wiring

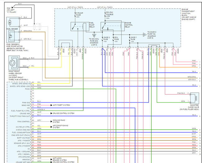
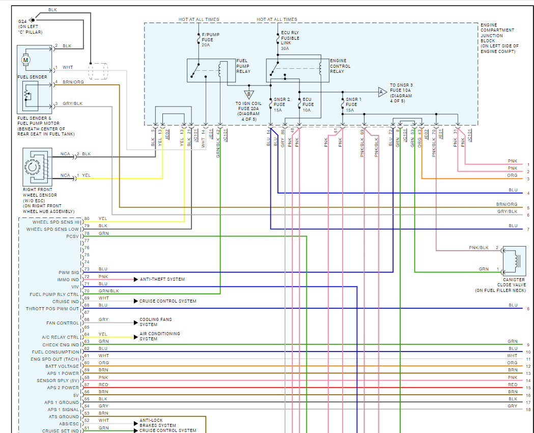
Here are the wiper wiring diagrams so you can see how the system works and which fuses to check with the ground locations. Also, you may be able to do a CAN scan to see if any codes come up for the central junction box. You can get a CAN scanner (Controller Area Network) which will work on most cars from Amazon.

Here is a video to show you how:

https://youtu.be/u-4syLc-ifQ

and

https://www.2carpros.com/articles/can-scan-controller-area-network-easy

Here is how to change the CJB out in case you need it. Check out the images (below). Please let us know what happens.

Was this
answer
helpful?
Yes
No
Thursday, April 25th, 2024 AT 10:26 AM
Tiny
WAYNE #01
  • MEMBER
  • 3 POSTS
Thank you for your answer, I was hoping it would be an issue with the wiper control arm requiring a new one. However, this sounds very complicated and far beyond my comfort zone, but I will pass the information over to a qualified vehicle electrician. Again thank you for your answer.
Was this
answer
helpful?
Yes
No
Friday, April 26th, 2024 AT 11:34 PM
Tiny
KEN L
  • MASTER CERTIFIED MECHANIC
  • 55,535 POSTS
You are welcome, please let us know what happens.
Was this
answer
helpful?
Yes
No
+1
Saturday, April 27th, 2024 AT 9:28 AM
Tiny
WAYNE #01
  • MEMBER
  • 3 POSTS
Hi, just an update with the wiper issue, I've just had the windscreen replaced due to a crack that appeared and it turns out that the sensor in the windscreen couldn't sense if it was raining or not as the area between the sensor and the inside of the windscreen was dirty.
Was this
answer
helpful?
Yes
No
Friday, May 3rd, 2024 AT 9:15 AM
Tiny
KEN L
  • MASTER CERTIFIED MECHANIC
  • 55,535 POSTS
Glad you could get it fixed, thanks for letting us know. Please use 2CarPros anytime we are here to help.
Was this
answer
helpful?
Yes
No
Friday, May 3rd, 2024 AT 12:17 PM

Please login or register to post a reply.