Intermittent no start/shutting off problem

Tiny
KATASTA
  • MEMBER
  • 2006 NISSAN MURANO
  • 3.5L
  • V6
  • 4WD
  • AUTOMATIC
  • 155,000 MILES
This is my daughter's car.
Main battery went dead, replaced the battery. Car wouldn't do anything but flash the lights very dimly. Replaced the key fob battery (it was dead) still nothing. Disconnected the battery and reconnected the battery and the alarm goes off and the lights come on nice and bright. Vehicle starts with no issue.
Two days later the car pulls up to stop sign and dies. Restarts no problem. She stops by for a visit with her mom while I wasn't home and when she went to leave. No start, no crank. Just the key alarm tone. Next morning I grab the key fob and hit the alarm button, goes off nice and loud. Get in and it starts right up.
Saturday, September 14th, 2019 AT 12:21 PM

6 Replies

Tiny
SCGRANTURISMO
  • MECHANIC
  • 4,897 POSTS
Hello,

This sounds to me like a loose or damaged connection on a battery terminal. Please double check that both battery cables are secured tight, clean, and free of corrosion. Double check for any damage to the cable lugs and make sure that they are not ill fitting. If so, I would replace them. Please get back to us with what you find out.

Thanks,
Alex
2CarPros
Was this
answer
helpful?
Yes
No
Monday, September 16th, 2019 AT 12:58 AM
Tiny
KATASTA
  • MEMBER
  • 3 POSTS
Cleaned both battery terminals when the battery was replaced. Battery terminals are in good shape and tight.
Yesterday it died on me in a drive through. It restarted hard like the fuel pump was weak, then the CEL, Slip, and VDC lights came on. I drove the car home and parked it. This morning I put a code scanner on it and started it. Now the slip and VDC lights are out but the CEL still on. It had a camshaft sensor code in the computer, which I literally replaced a month ago. Cleared the code and it didn’t come back. Going to keep the scanner on it and try to recreate the problem. I’m wondering if it has a bad ECU at this point.
Was this
answer
helpful?
Yes
No
Monday, September 16th, 2019 AT 11:43 AM
Tiny
SCGRANTURISMO
  • MECHANIC
  • 4,897 POSTS
Hello again,

This could be a two trip DTC. Next time the Malfunction Indicator Lamp(MIL) or "CEL" is illuminated can you please get that DTC number for us. We can take that and go to a list from your vehicle's manufacturer on specifically how to fix the problem.

Thanks,
Alex
2CarPros
Was this
answer
helpful?
Yes
No
Monday, September 16th, 2019 AT 4:50 PM
Tiny
KEN L
  • MASTER CERTIFIED MECHANIC
  • 55,097 POSTS
Hello,

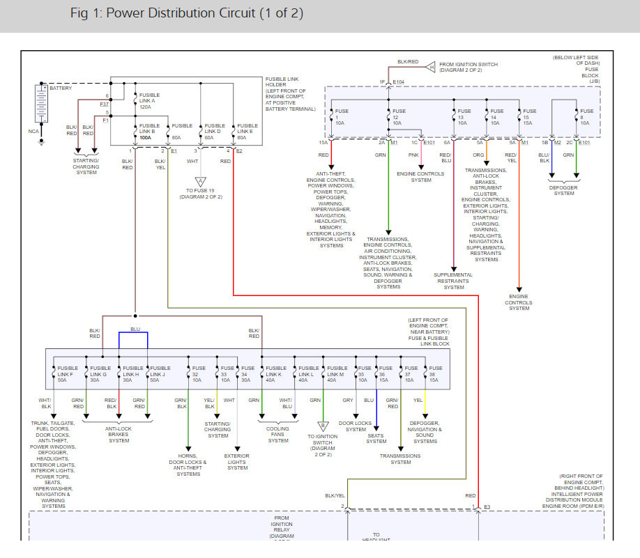
This still sounds like a connection problem. with the key on can you please move the positive and negative battery cable around to see if you can get it to act up? Also lets test through the fusible links as well. here is a guide with the diagrams below to show you what to test:

https://www.2carpros.com/articles/how-to-use-a-test-light-circuit-tester

Check out the diagrams (below). Please let us know what you find. We are interested to see what it is.
Was this
answer
helpful?
Yes
No
Tuesday, September 24th, 2019 AT 8:25 PM
Tiny
KATASTA
  • MEMBER
  • 3 POSTS
Okay update on this thing.
I worked out the check engine lights and they were unrelated to the no-start problem. It needed a cam sensor, the wrong one had been replaced about a month ago so it was still running on a faulty one.
The car would not start at the gas station and again at the grocery store. The red key light is on, when you turn the ignition the green key light comes in but that is all, nothing else has power. You can activate the emergency flashers inside the car but they don’t flash outside the car. I can activate the alarm using the intelligent key but the only thing that happens is the HID lamps flash, no horn. After a few minutes it starts on it’s own. You can tell when it’s ready to start by activating the alarm and the horn actually sounds.
Today it did this to me while driving! Luckily I was pulling in to work when it happened so I was in a safe place. The only light on the dash when it occurred was the light saying to shift the car back into park. Again no other light worked and once the car is in Park you can’t take it out without using the manual lockout. This isn’t a battery problem the HID lamps still flash which require some decent power. I am confident this is 100% an electronic problem with the anti theft or ECU. I am just scratching my head here trying to figure this out.
Was this
answer
helpful?
Yes
No
Monday, September 30th, 2019 AT 6:29 PM
Tiny
KEN L
  • MASTER CERTIFIED MECHANIC
  • 55,097 POSTS
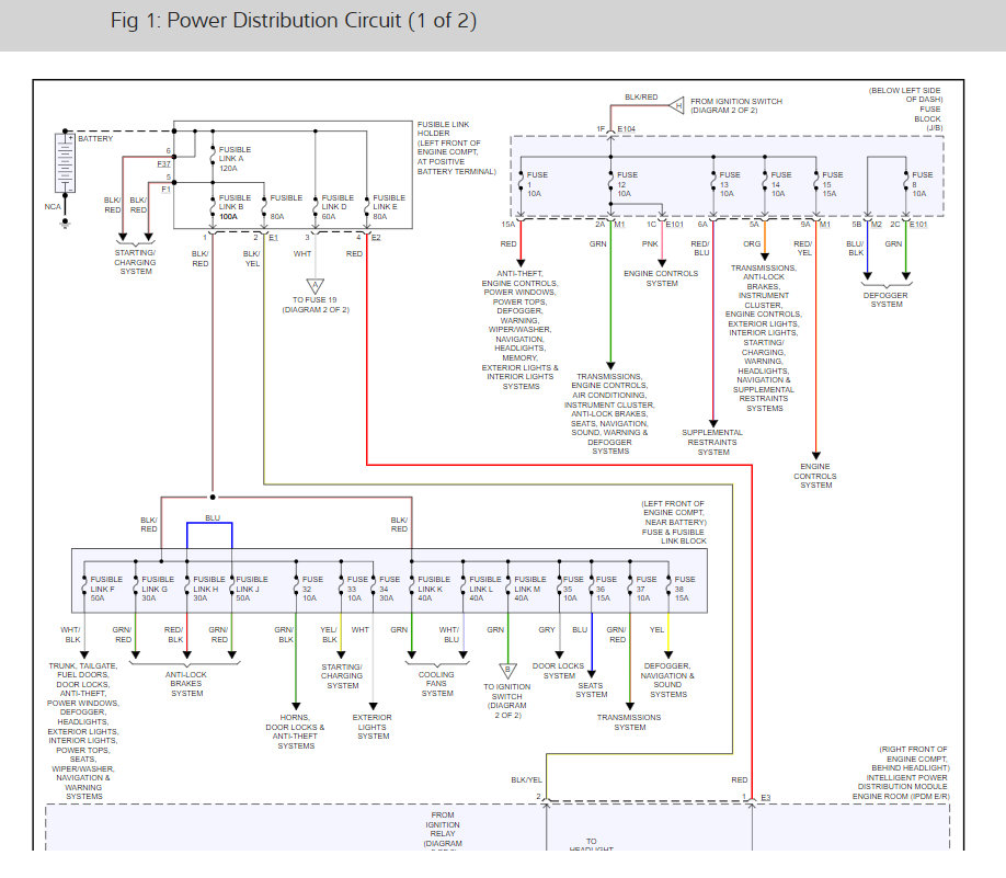
This sounds like the IPDM is going out which is common. To be sure here is guide to check for power and instructions on how to replace the IPDM which self initializes so its easy to replace:

https://www.2carpros.com/articles/how-to-use-a-test-light-circuit-tester

See if the IPDM is losing power. Check out the diagrams (below). Please let us know what you find.

Was this
answer
helpful?
Yes
No
Tuesday, October 1st, 2019 AT 11:17 AM

Please login or register to post a reply.