Intermittently the dash is not working, and the wipers come on and stay on until the key is in the off position

2013 DODGE CARAVAN
203,000 MILES • 6 CYL • 2WD • AUTOMATIC
Avatar
RMJ156248
  • MEMBER
  • 6 POSTS
The van has an intermittent dash not working and wipers come on and stay on until the key is in the off position even though wiper is in the off position. Turn signals or head lights won't even work when this happens. The multi-function switch was replaced. But it still happens.
Apr 1, 2022 at 3:54 PM
Repair Safety Notice: This information is for general instructional purposes only. Vehicle repair can be dangerous. Verify all information, follow manufacturer service procedures, use proper tools and safety equipment, and consult a qualified repair shop when needed.
Advertisement
Avatar
KASEKENNY
  • CAR REPAIR CONTRIBUTOR
  • 18,907 POSTS
Great video. This really helps with figuring this out. The issue is the interior CAN network is down and so the wipers default on so that if it is raining the wipers will work.

Basically, when the CAN network goes down, you may or may not be able to control the wipers so they have to default on in case you cannot. If you look, the headlights will be on as well. This is the same purpose in case you are driving at night, they will be on.

Here is a guide that will help with this:

https://www.2carpros.com/articles/can-scan-controller-area-network-easy

Since the cluster is off, this is the most likely cause of this but the way to figure this out is to check the voltage on the network at the cluster or another module on this network.

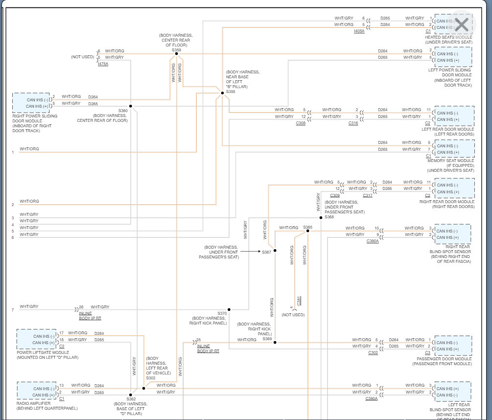
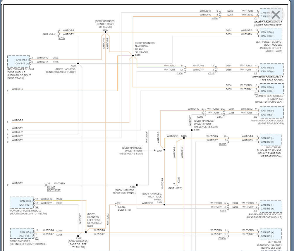
If you look at the wiring diagram, you will want to check the voltage at any module that says CAN IHS.

https://www.2carpros.com/articles/how-to-check-wiring

That stands for interior highspeed.

Also, what we can do is check for codes and scan the CAN using this guide:

https://www.youtube.com/watch?v=InIlnsjOVFA

Let me know what you find with this, and we can go from there.

Thanks
Apr 2, 2022 at 5:54 PM
Advertisement