Sunday, August 20th, 2017 AT 1:31 PM
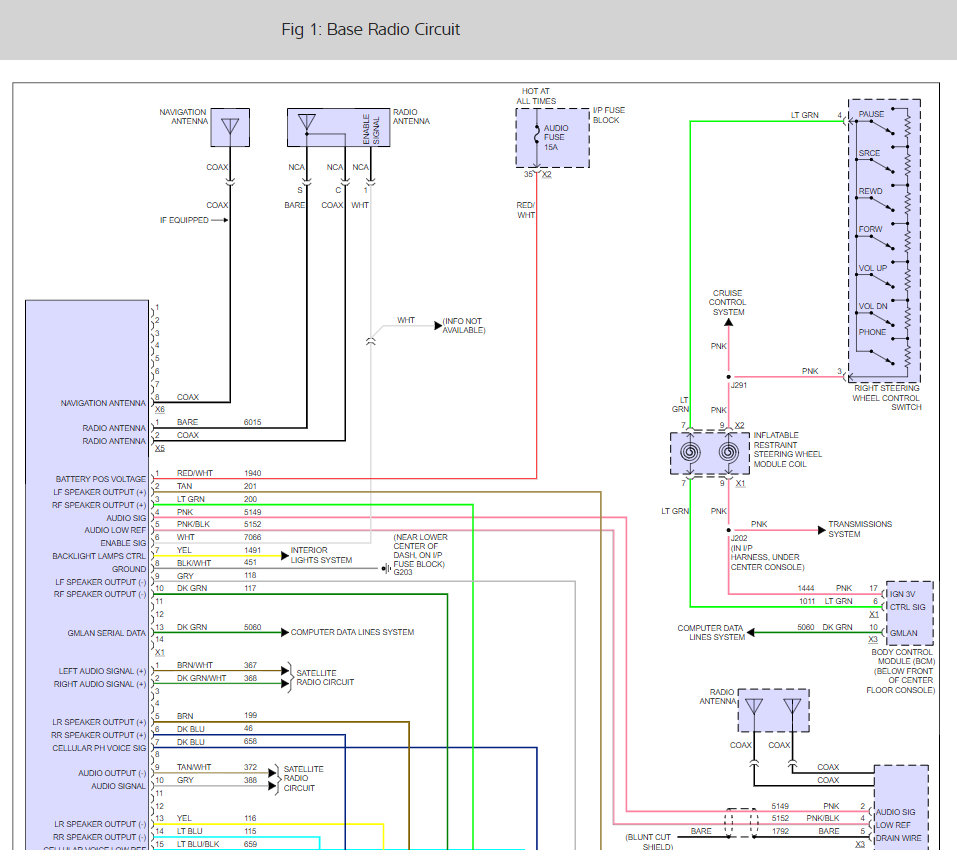
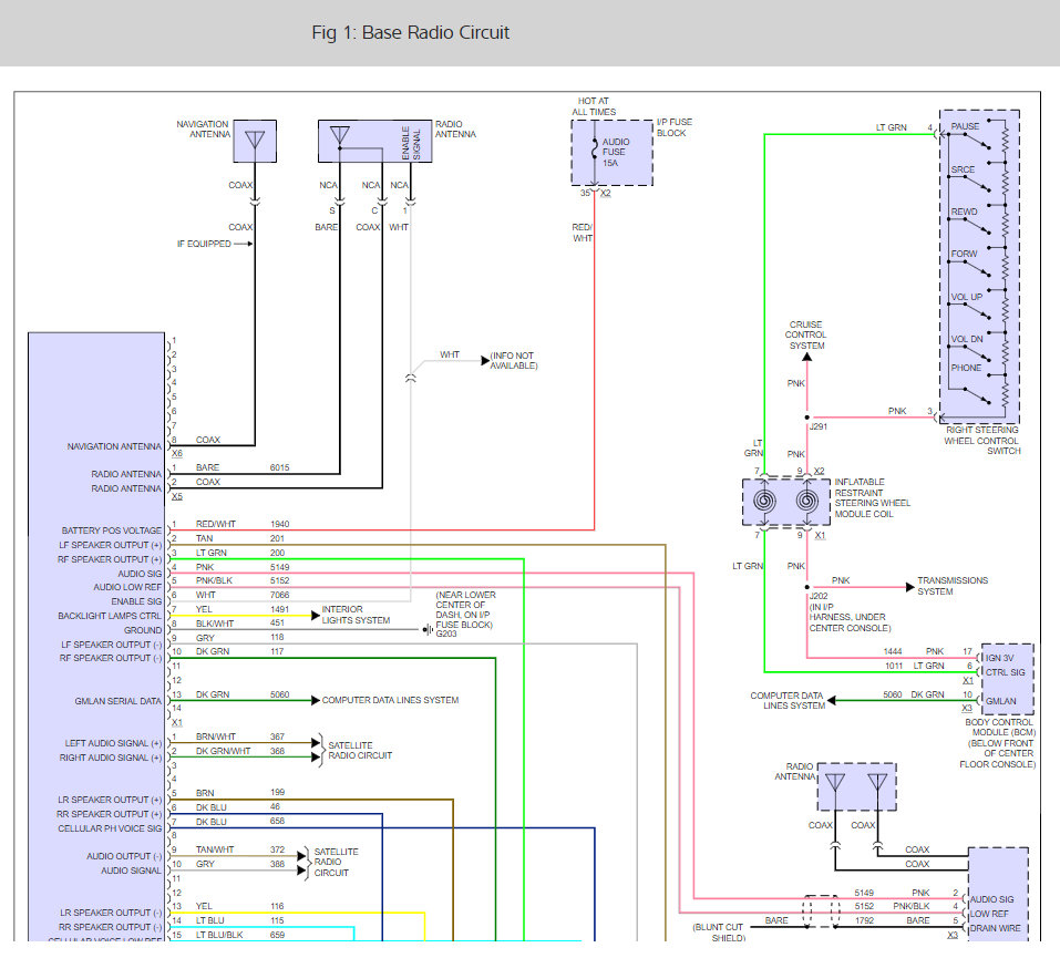
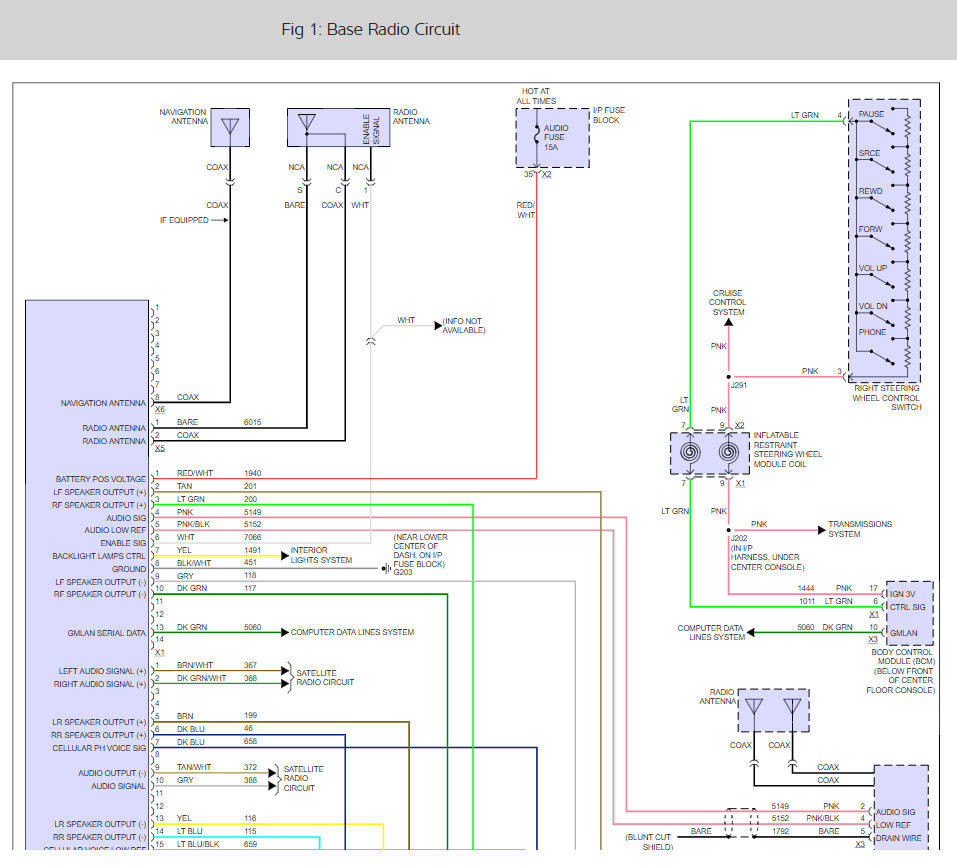
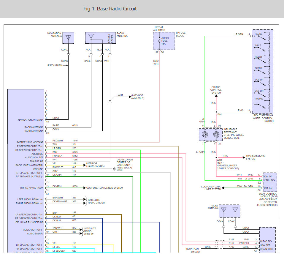
The radio will turn on and off by itself, losing all date and time coding, but not radio presets. It can be on for weeks at a time or seconds. I have replaced the fuse and it did not fix the issue.


