Interior lights, key fob not working and trunk light flashes?

Tiny
DAVID LEE2
  • MEMBER
  • 2008 BUICK LESABRE
  • 220,000 MILES
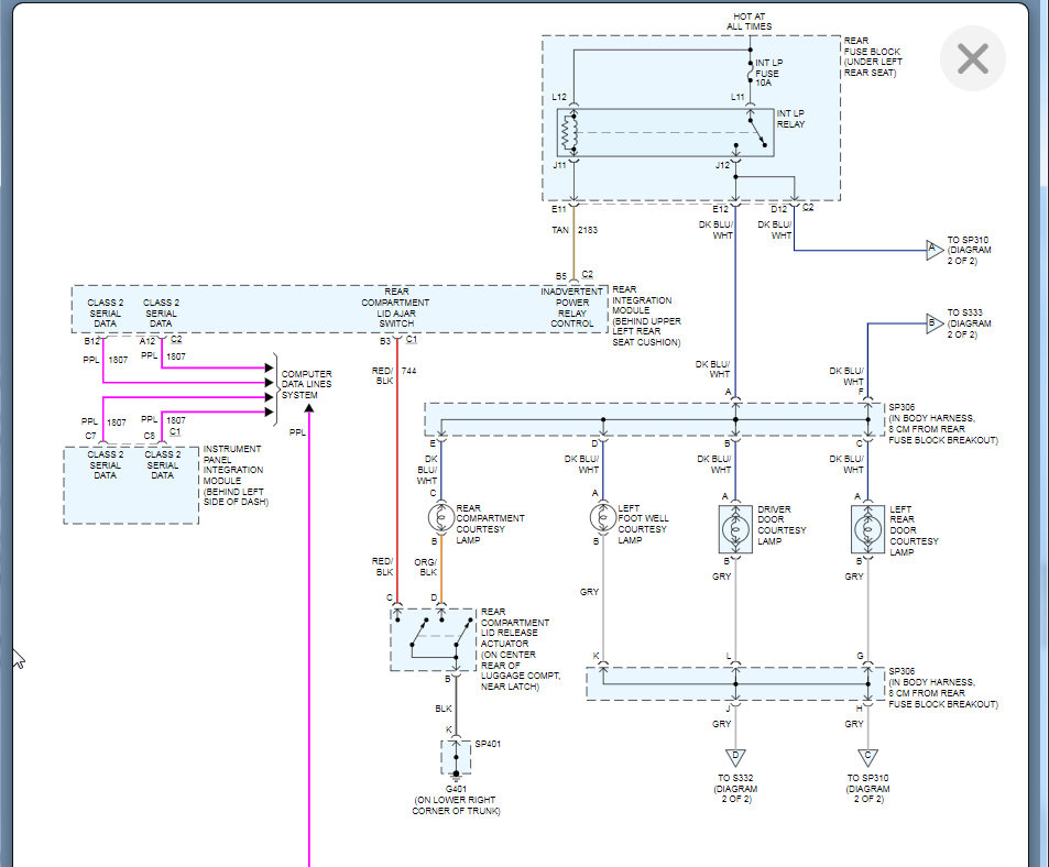
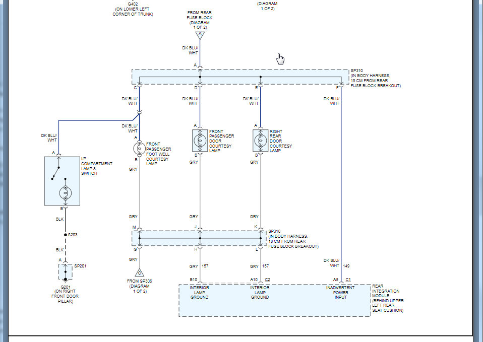
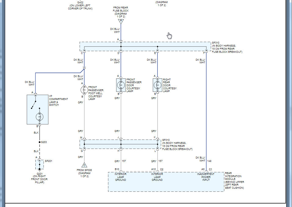
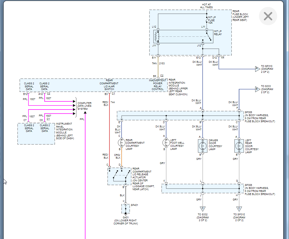
Interior lights don't work but fuse is good. Trunk light flashes also and key fob quit working.
Monday, April 26th, 2021 AT 1:40 AM

1 Reply

Tiny
KASEKENNY
  • MECHANIC
  • 18,907 POSTS
This sounds like different issues so let's start with the interior lights and fix this and if that fixes the rest then that is great. If not then we can get a new post started on those issues.

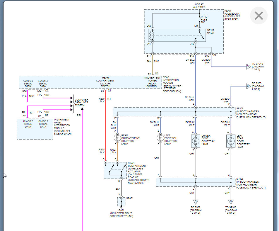
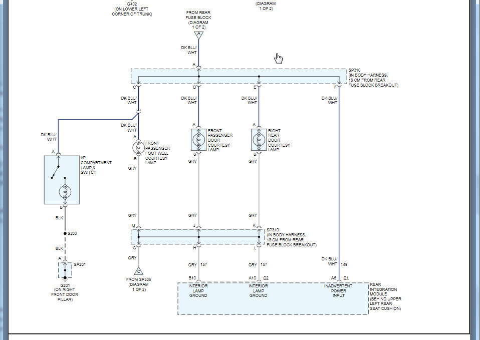
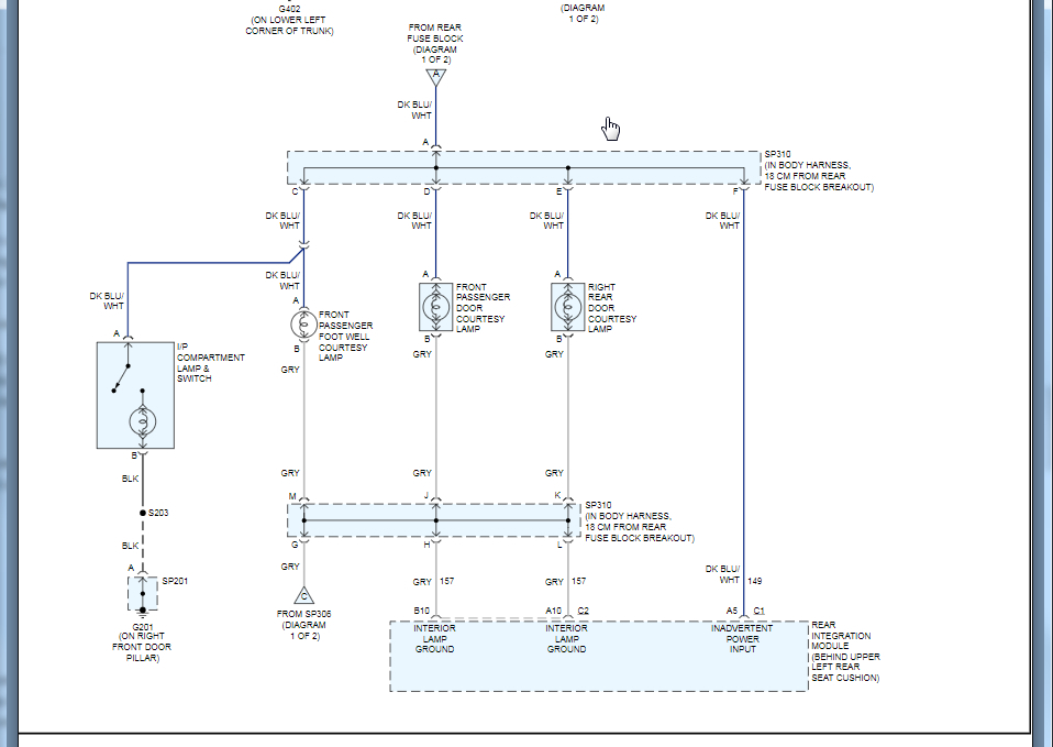
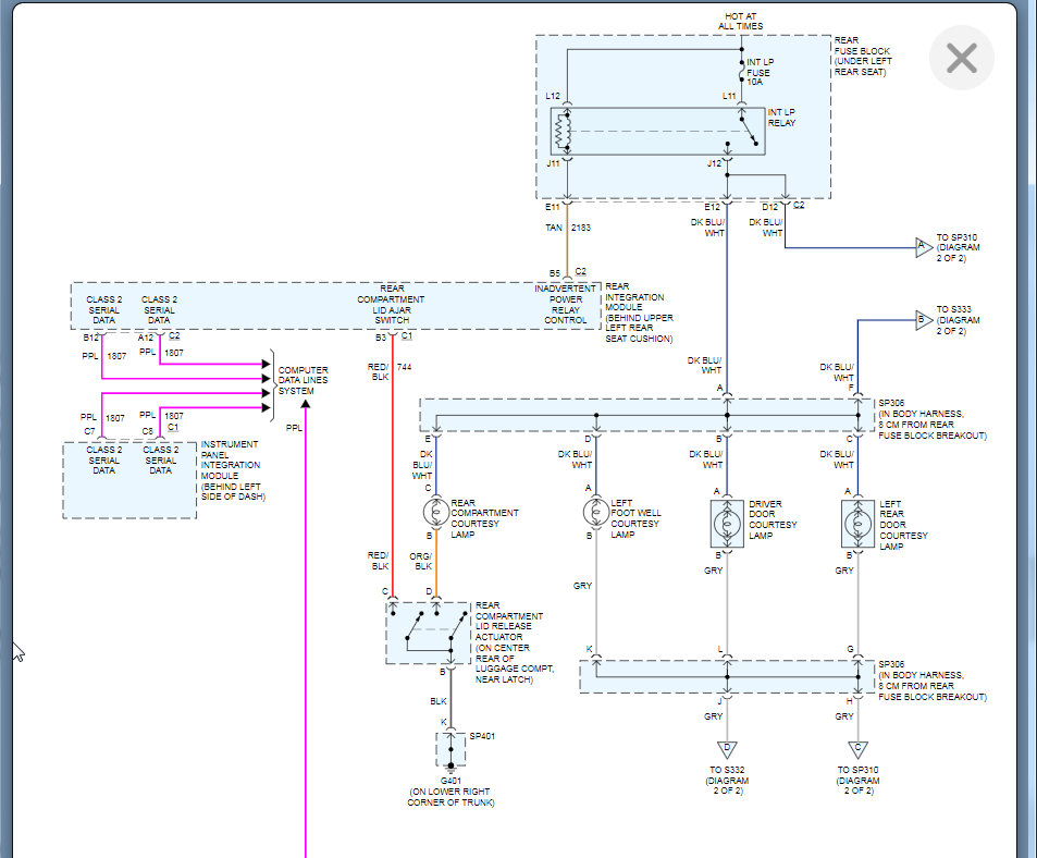
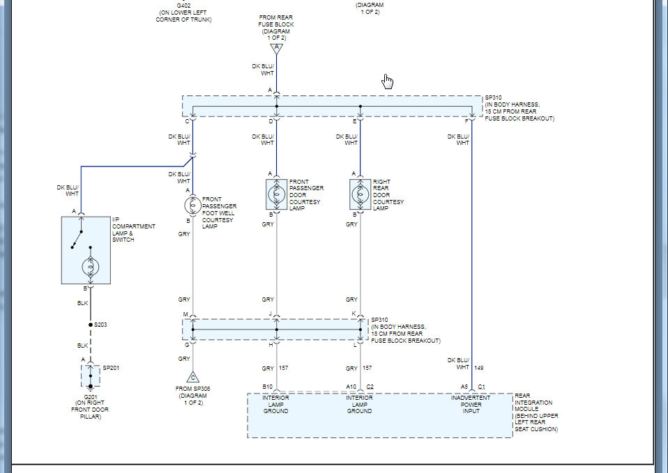
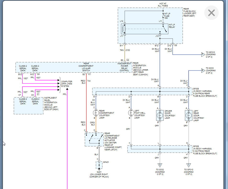
We need to check voltage through the circuit and find where we do not have any voltage. Here is a guide that will help with this:

https://www.2carpros.com/articles/how-to-check-wiring

Below is the wiring diagrams and info on the relay location that we need to track down. This is in the rear fuse block under the seat. Please run through this material and let us know what questions you have. Thanks
Was this
answer
helpful?
Yes
No
Tuesday, April 27th, 2021 AT 8:33 AM

Please login or register to post a reply.