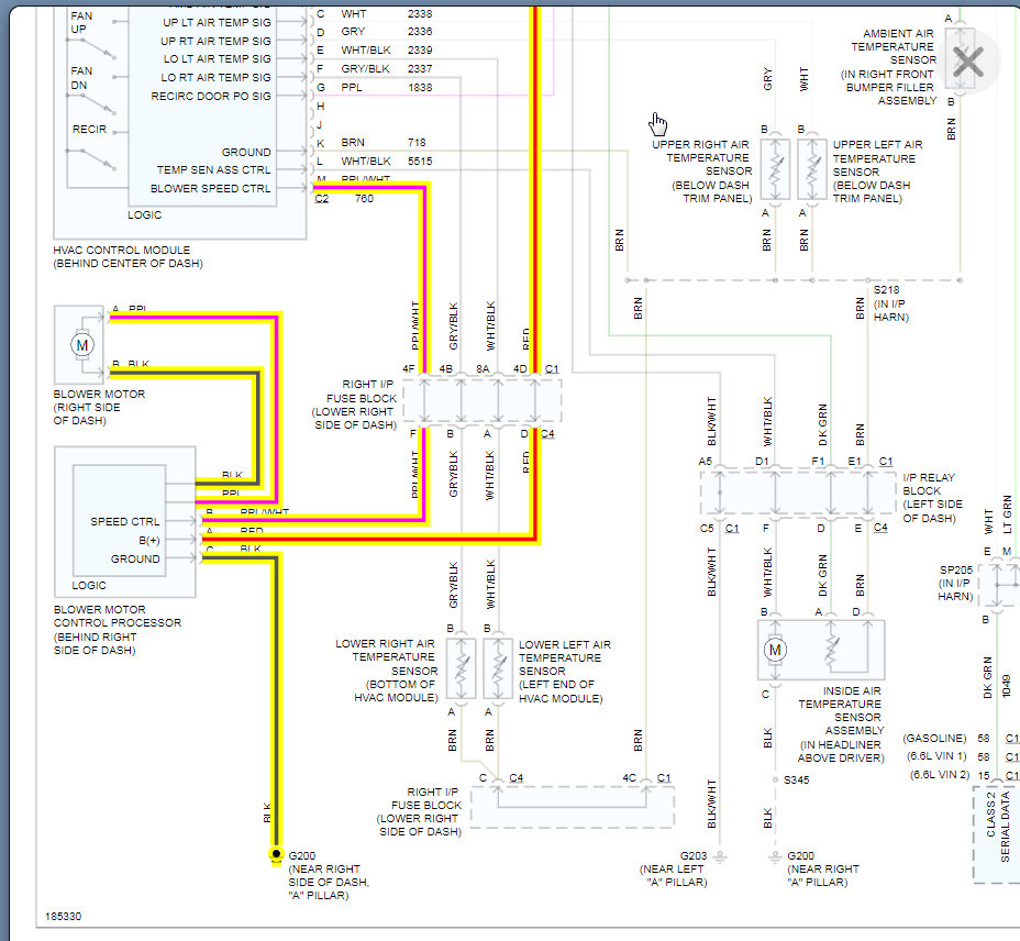
Tuesday, March 23rd, 2021 AT 6:45 AM
When I started the truck and turn the heater on nothing was working. The back heater works fine you can hear the motor blowing the hot air but the front is not. I started driving down the road and the heater came on. I came back out started the truck up and the heater is not working. I started the truck and was letting it idle then the heater came on and now it's turning on shutting off turning on shutting off. What would be causing this a fuse and if so would it be the one underneath the hood?








