Interior fan not working

Tiny
SCOTT PARKER
  • MEMBER
  • 1989 MERCEDES BENZ 300SE
  • V6
  • 2WD
  • AUTOMATIC
  • 129,100 MILES
The interior fan stopped working, could it be a fuse?
Wednesday, June 6th, 2018 AT 1:12 PM

3 Replies

Tiny
KEN L
  • MASTER CERTIFIED MECHANIC
  • 55,322 POSTS
Sure can, lets run a few easy test to see what is going on first. This guide will show you how to remove the blower fan and test for power and ground.

https://www.2carpros.com/articles/blower-fan-motor-works-on-high-speed-only

and

https://www.2carpros.com/articles/how-to-use-a-test-light-circuit-tester

Check out the diagrams (below). Please let us know what you find. We are interested to see what it is.

Cheers, Ken
Was this
answer
helpful?
Yes
No
Thursday, June 7th, 2018 AT 7:56 PM
Tiny
JACOBANDNICKOLAS
  • MECHANIC
  • 110,192 POSTS
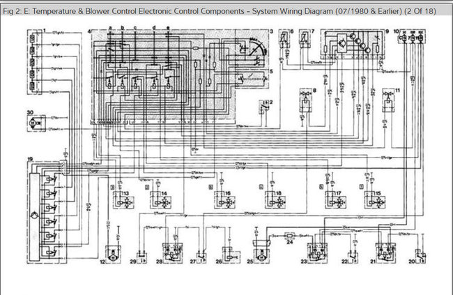
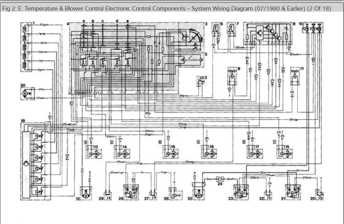
Hi Scott and thanks for using 2CarPros.com. As far as it not working, it could be a few different things. However, the fuse is what I would check first. I have attached pictures of all the relays and fuses for your vehicle. Review them first. If you find the fuse is good,. next I would check the relay, which is also listed in the attached pictures.

Here are general directions for testing a relay:

https://www.2carpros.com/articles/how-to-check-an-electrical-relay-and-wiring-control-circuit

If the relay is good, next you will need to check for power to the blower motor. Not keep in mind, you said it doesn't work at all, so I am basing my recommendations on that. If, however, the motor runs only on high speed, suspect the blower control regulator. See pictures 8 and 9.

The blower motor on this vehicle is located in the center of the cowl. See picture 6.

If you find there is power to the red wire going to the blower motor (see schematic / pic9) then the motor has failed. Here are directions for replacement. The remaining pictures correlate with these directions.

________________________________________

1989 Mercedes Benz 300E (124.030) L6-3.0L (103.983)
Vehicle  Heating and Air Conditioning  Blower Motor  Service and Repair Â

REMOVE/INSTALL BLOWER MOTOR
Removal and Installation of Blower Motor :

A. "Behr" Air Conditioner Unit :
Remove windshield wiper system. See Wiper Motor Service and Repair.
Pull out outside air temperature sensor (B10/5).
Remove cover (1); for this purpose unclip 8 clamps (arrows).
Unclip mounting strap (2).
Pull off flat plug on blower motor and remove blower motor (M2).
Reinstall in opposite order. Assure that the blower motor catches properly in the mount.
B. "Siemens/Thermal" Air Conditioner Unit :
Remove wiper system. See Wiper Motor Service and Repair.
Remove outside air temperature sensor.
Remove cover by unclipping 8 clips (arrows).
Unclip retaining strap (3).
Detach flat plug on blower motor and remove blower motor (M2).
Install in reverse sequence. Ensure that the blower motor engages correctly in the mounting. If the blower motor has had to be replaced, observe note.
NOTE : The "Siemens/thermal" air conditioner unit has been installed since 01/88. As only the Behr blower motor is available for all air conditioner units in the replacement parts market, the motor bracket also has to be exchanged when replacing the blower motor on the Siemens/thermal air conditioner unit boxes.
The Siemens/thermal air conditioner unit can be recognized by the bracket on the blower motor, which is secured with 4 screws (arrows) (this is 3 screws in the case of "Behr").
If the electrical cables are soldered to the blower motor, snip off immediately after the connections and solder a push-on bush to the red cable and a flat-pin terminal to the brown cable.
Scope of Work :
Remove bracket (item a) by unscrewing 4 screws (arrows).
Install new retaining strap and new bracket (items 2 and 3) with the existing 3 screws (arrows).
Install in reverse sequence.

I hope this helps. Let me know if you have other questions.

Take care,
Joe
Was this
answer
helpful?
Yes
No
Thursday, June 7th, 2018 AT 8:14 PM
Tiny
JACOBANDNICKOLAS
  • MECHANIC
  • 110,192 POSTS
Hi again. I wanted to update you with some new information I learned today while discussing your vehicle with a German car specialist. He told me that Mercedes had several issues with the blower motor fan fuse melting into the fuse box and then not working. According to him, there was a simple kit which included an in-line 30amp fuse used to repair the problem. Please keep in mind, this may not be the issue, but I have known him for years and trust him. That would be the first thing I would recommend checking.

Let me know how it works out for you.

Take care,
Joe
Was this
answer
helpful?
Yes
No
Friday, June 8th, 2018 AT 7:09 PM

Please login or register to post a reply.