Instrument panel gauges not working

Tiny
HOWARD CORNELL
  • MEMBER
  • 2000 DODGE DAKOTA
  • 4.7L
  • V8
  • 4WD
  • AUTOMATIC
  • 164,000 MILES
All guages speedometer, fuel, volt meter, oil pressure gauge, just quit working. Also when shutting the key off, engine does quick surge and then shuts off.
Thursday, January 16th, 2020 AT 10:49 AM

1 Reply

Tiny
KASEKENNY
  • MECHANIC
  • 18,907 POSTS
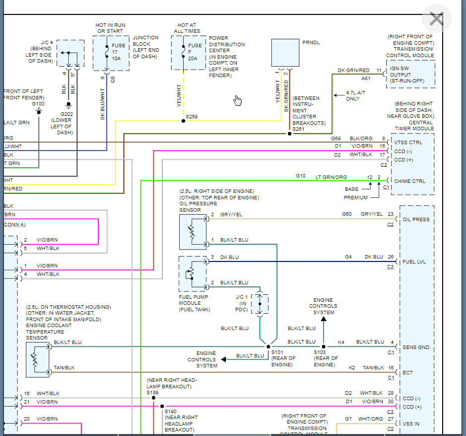
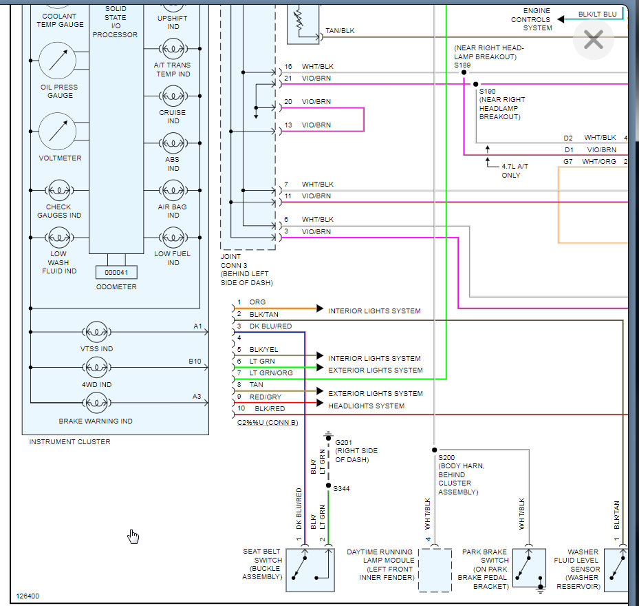
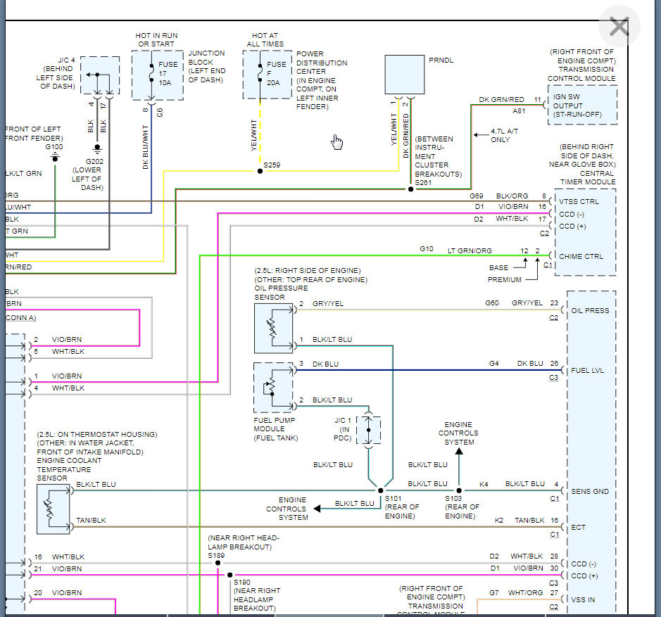
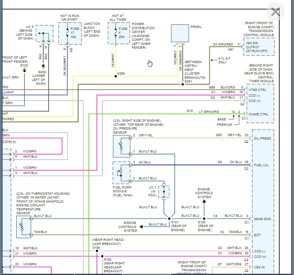
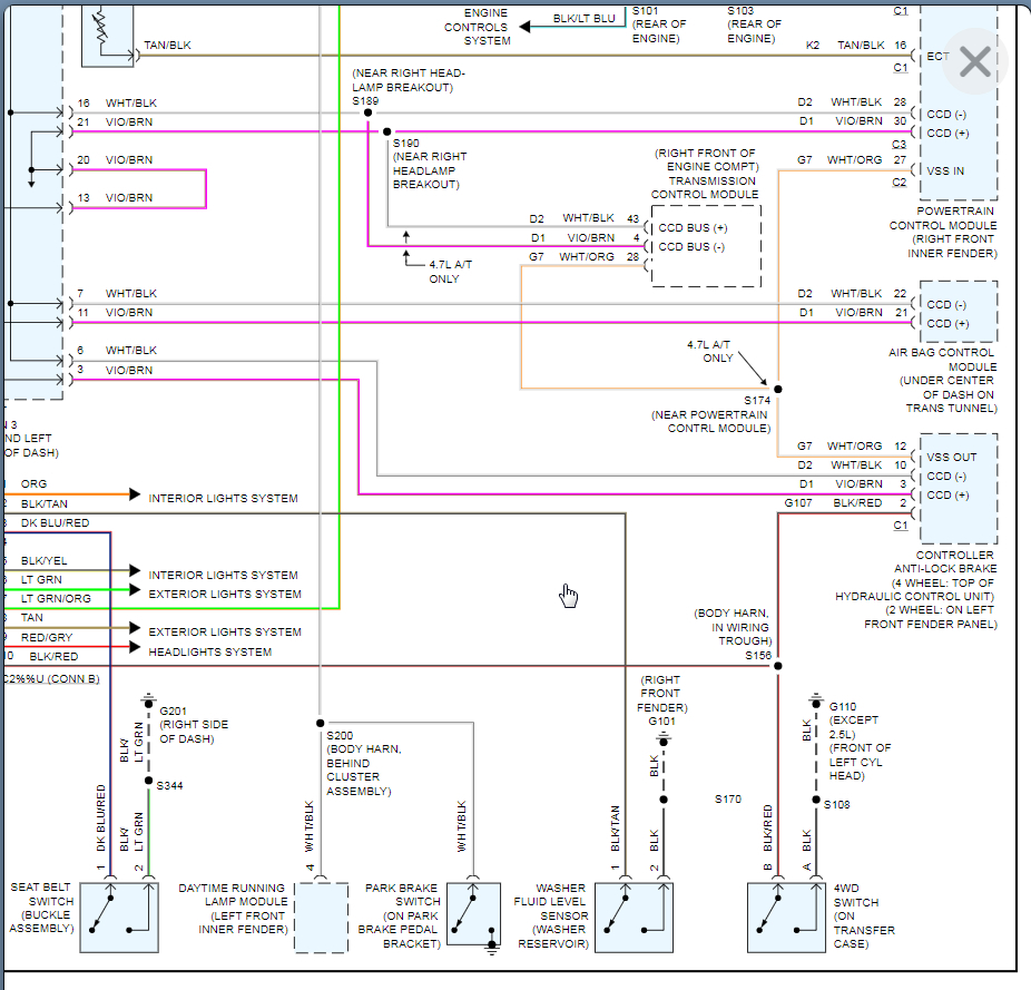
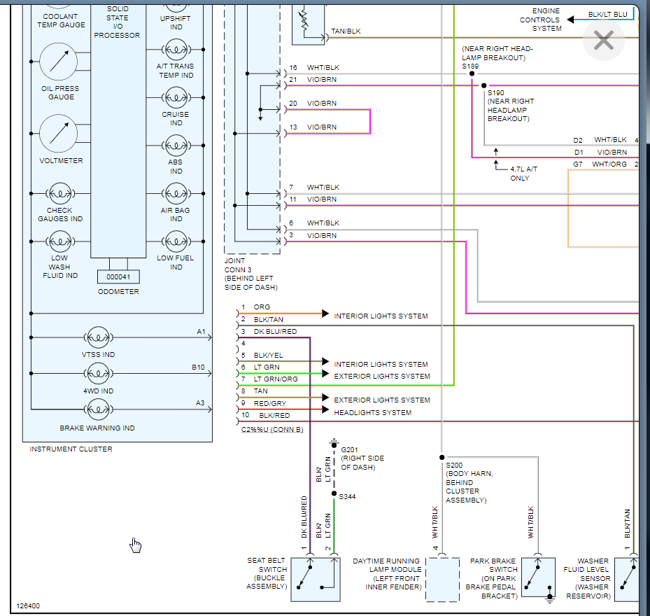
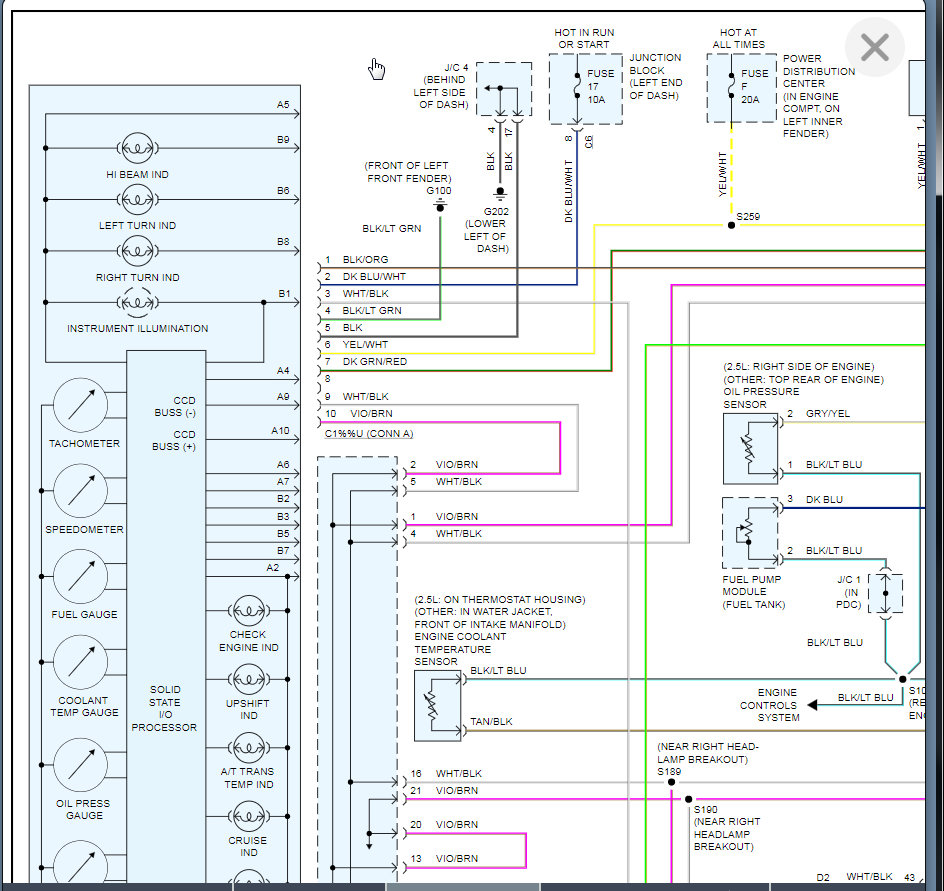
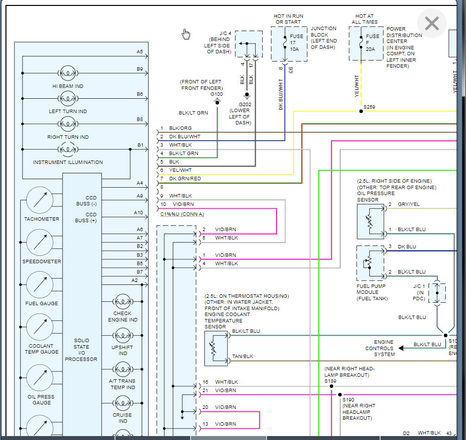
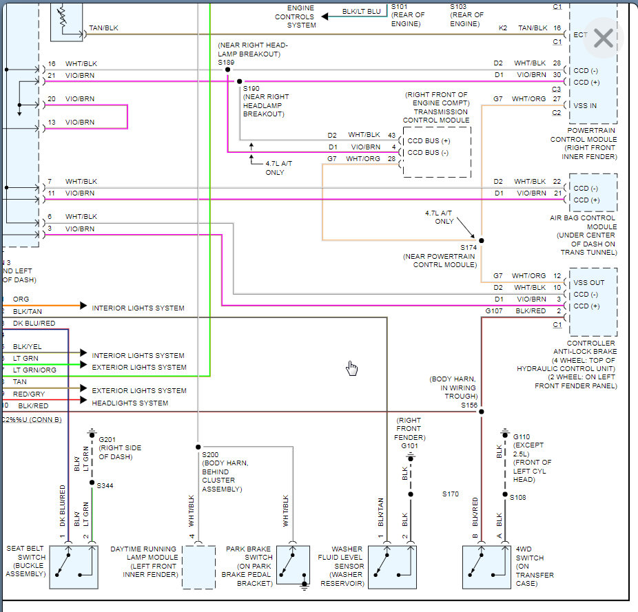
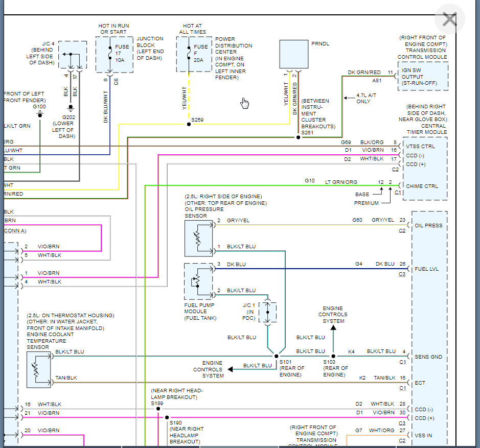
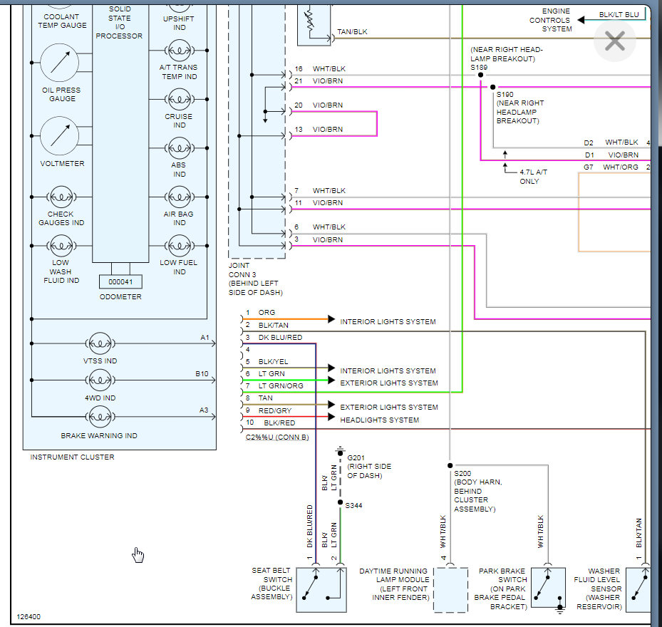
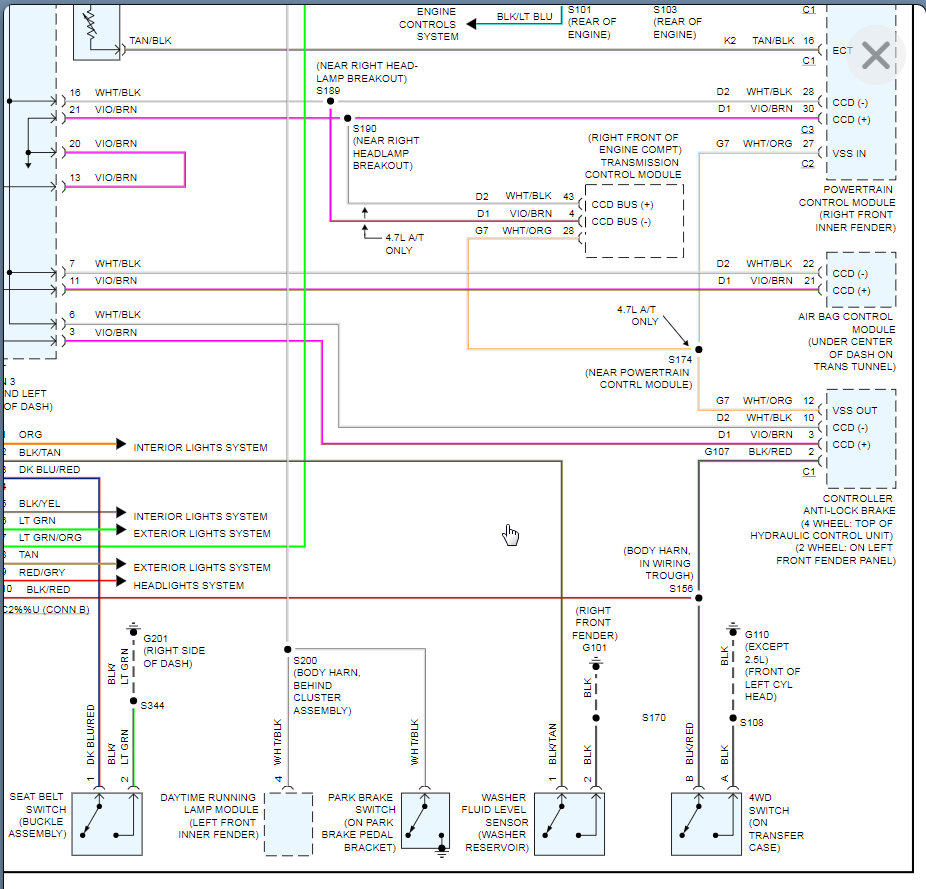
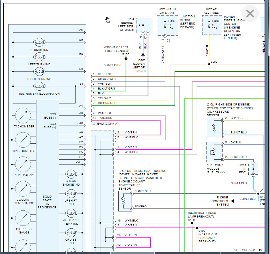
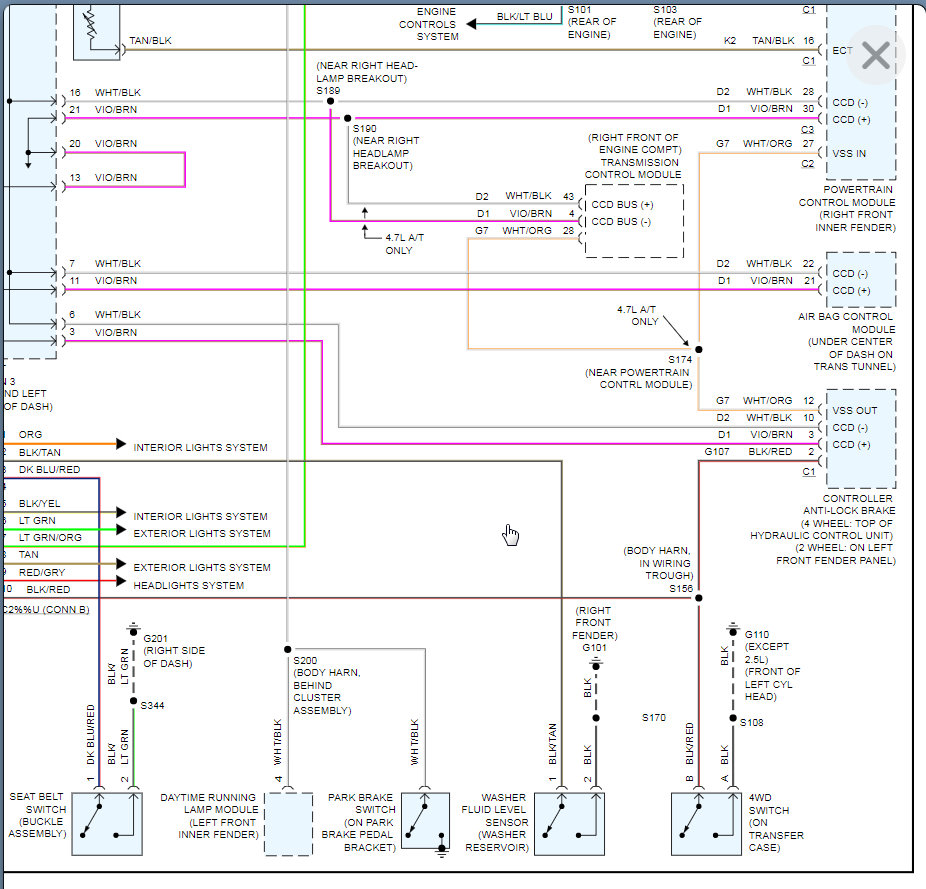
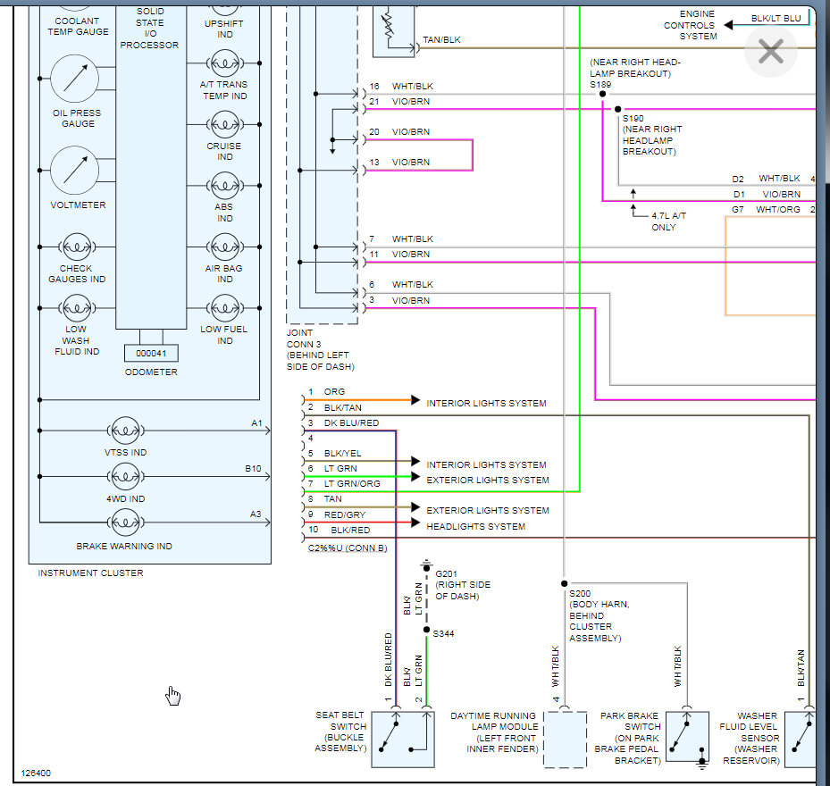
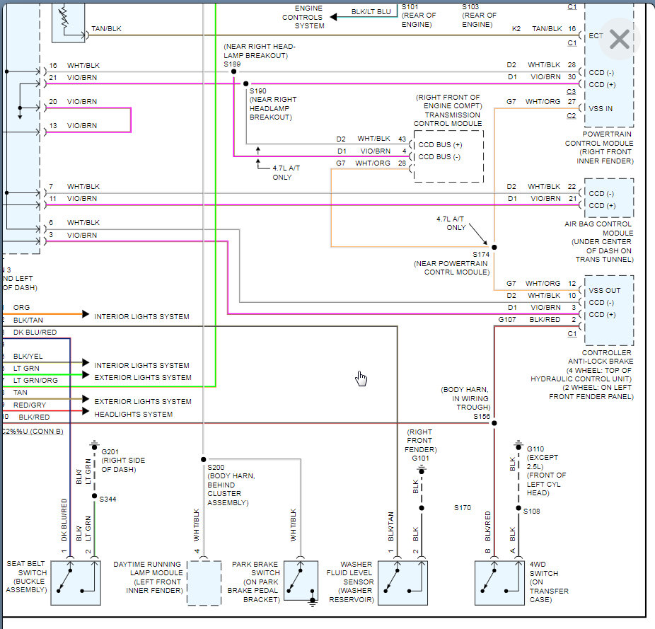
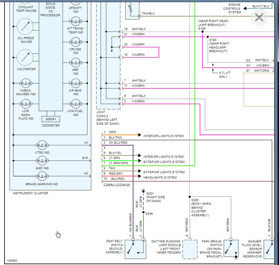
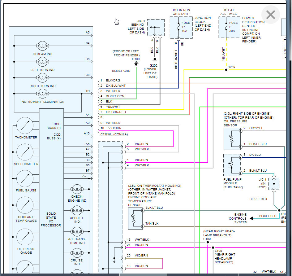
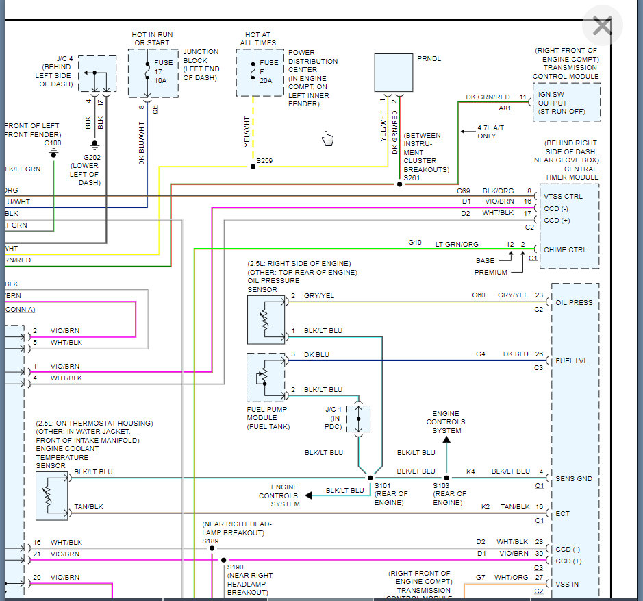
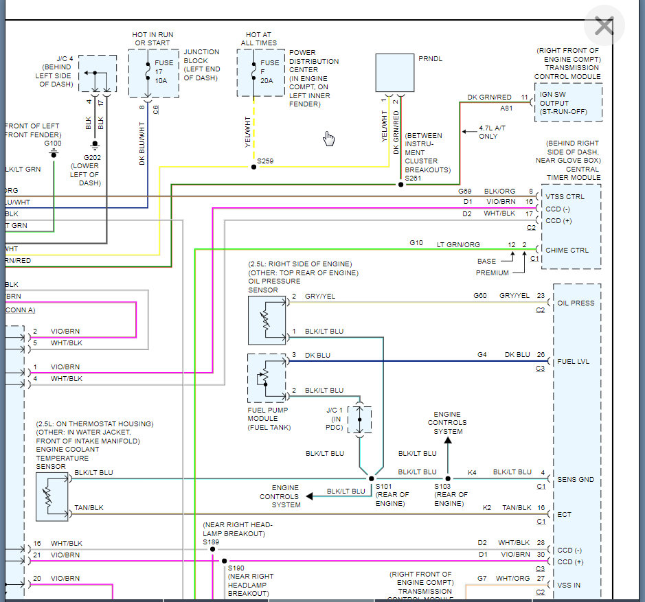
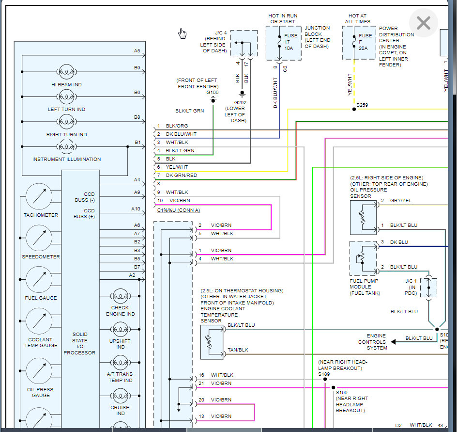
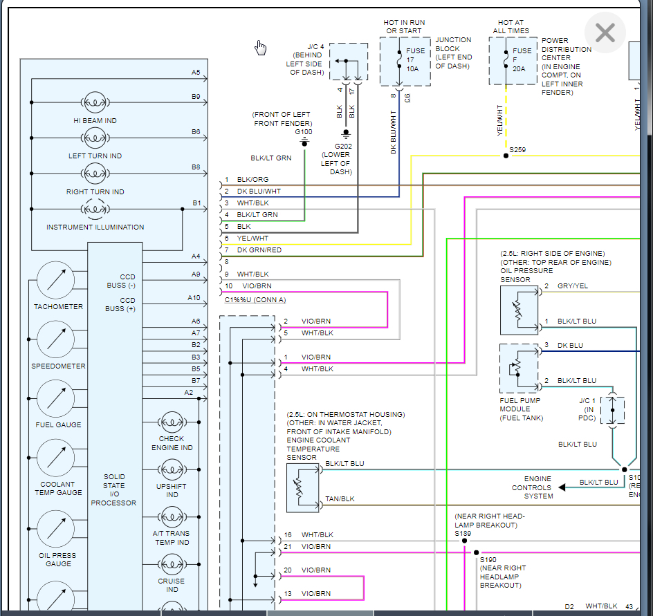
More than likely these are two separate issues. The cluster issue is probably the just the cluster. I attached the wiring diagram which shows the cluster takes direct input for the various sensors and the PCM to display these various gauges. If they all failed then the common denominator is the cluster or its ground. Check the G100 in the front left fender.

As for the surging, that may just be a transmission issue or excess fuel in the engine so we would need to dig into that separate. However, a failed cluster wouldn't cause a surge after the engine shuts off.

Let's look into the cluster first and then we can deal with the surging.
Was this
answer
helpful?
Yes
No
+2
Thursday, January 16th, 2020 AT 5:37 PM

Please login or register to post a reply.