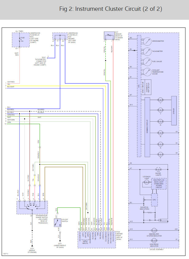
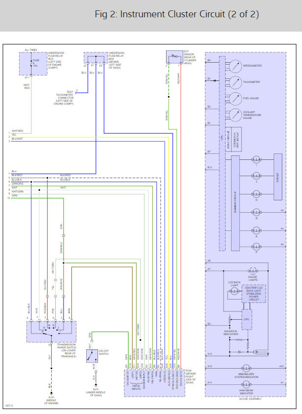
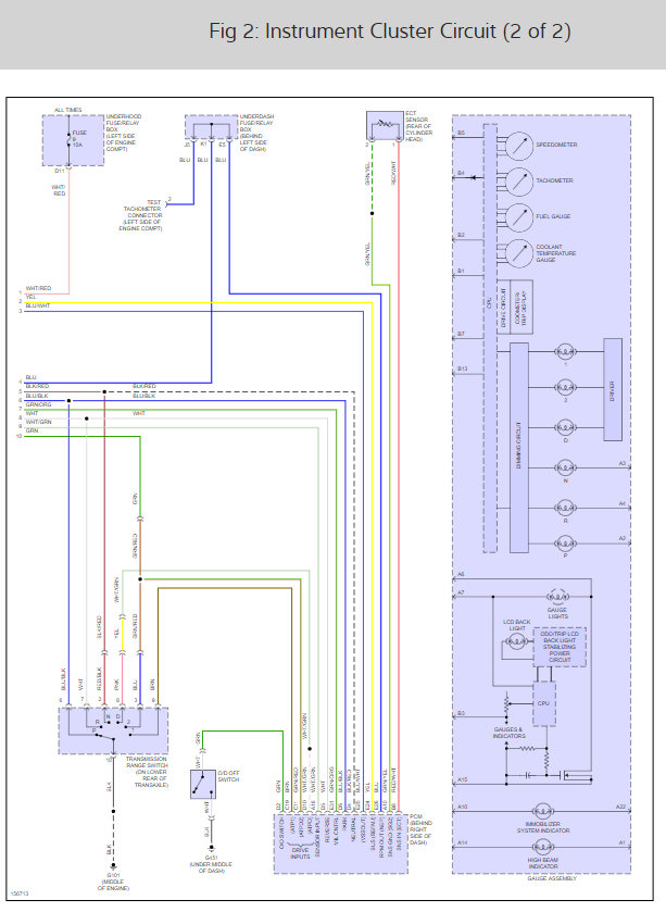
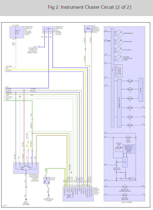
Friday, April 6th, 2018 AT 12:26 PM
My odometer lights were blinking so I read unhook the negative cable wait sixty seconds put it on did that. Now I have no speedometer, tachometer, temperature gauge and fuel gauge, nothing works. Checked all the fuses everything is good.







