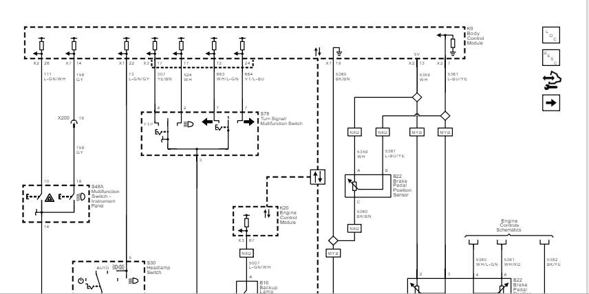
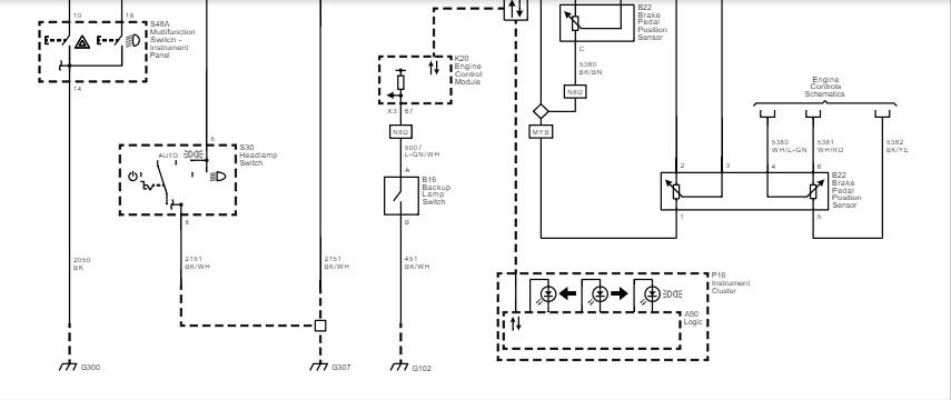
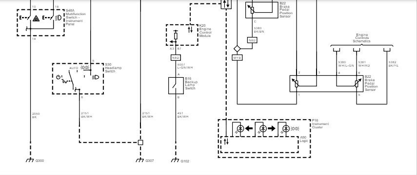
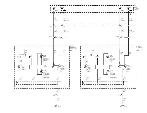
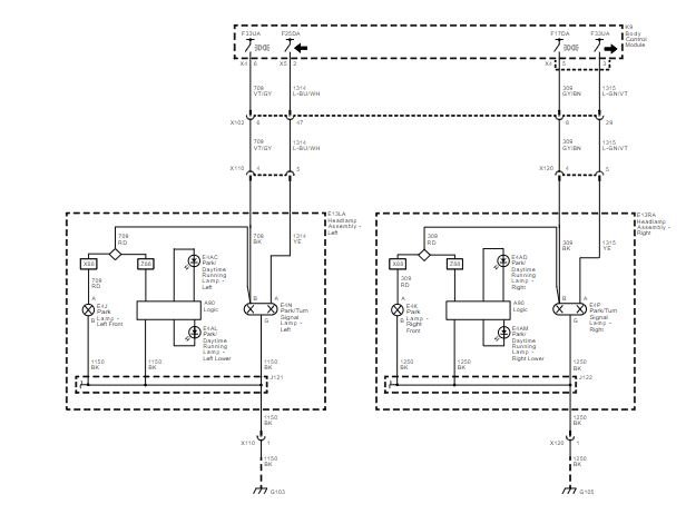
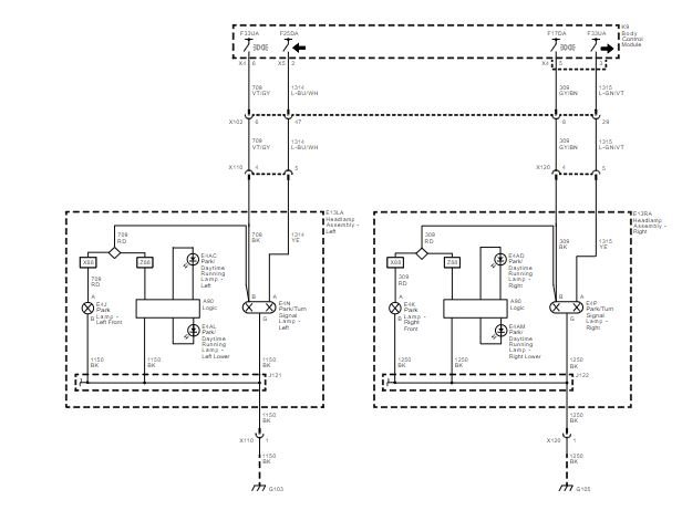
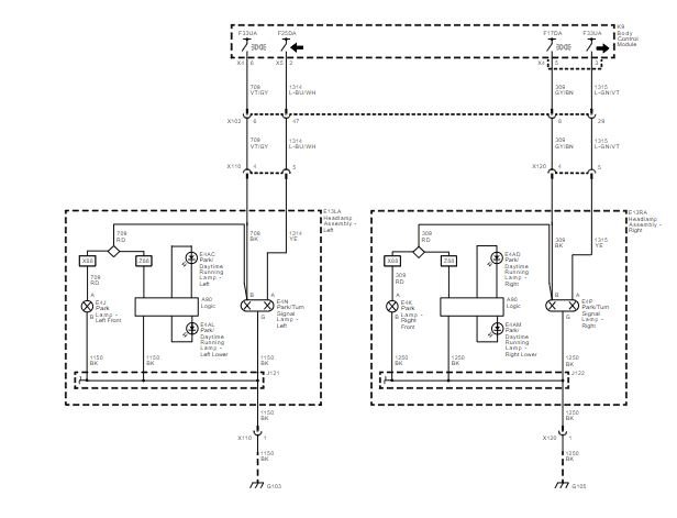
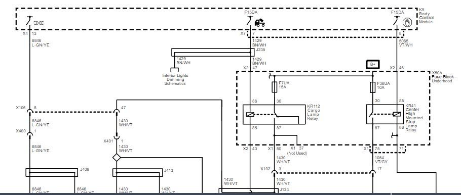
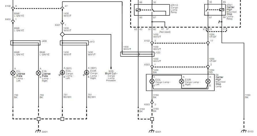
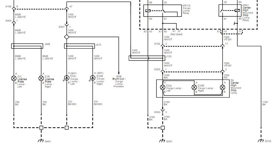
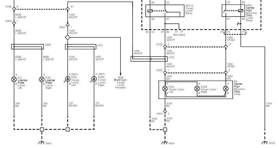
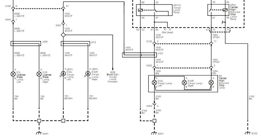
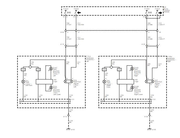
I have green, yellow, red, black, brown, blue, and white.
On the light bar I only have four which are green for right turn, yellow for left turn, white is the ground and brown is the running lights.
I think yellow goes to yellow.
Green goes to green.
White goes to black.
I don't know where brown goes.
Monday, March 4th, 2019 AT 10:45 AM







