Install new head and now I have valve noise

Tiny
RANDY ARWOOD
  • MEMBER
  • 28 POSTS
I called the company who rebuilt the head and they sending me four new tappets, couldn't get them to send eight. In the mean time I removed all the tappets, cleaned and reinstalled and still have same tick tick noise. I'm a try and upload video, tell me your thoughts.
Was this
answer
helpful?
Yes
No
Tuesday, May 28th, 2019 AT 1:51 PM
Tiny
STEVE W.
  • MECHANIC
  • 15,694 POSTS
Yeah that is some serious valve train noise.
Was this
answer
helpful?
Yes
No
Tuesday, May 28th, 2019 AT 8:18 PM
Tiny
RANDY ARWOOD
  • MEMBER
  • 28 POSTS
I couldn't wait, I pulled all 8 tappets from the old head, disassembled, cleaned and used all to replace the ones that came in the new head. Started car and noise went away in about two minutes, after they pumped up with oil. So it is definitely a bad tappet or a few. How do I tell which one is failed or I guess I just write all 8 off and get all new ones?
Was this
answer
helpful?
Yes
No
Tuesday, May 28th, 2019 AT 8:31 PM
Tiny
STEVE W.
  • MECHANIC
  • 15,694 POSTS
About the easiest way is to use an automotive stethoscope to listen to each rocker arm with the engine running. Start with a cold engine and put a few towels around it to catch the oil. Start it and go down each rocker you will hear and feel the ones causing the problem.
Was this
answer
helpful?
Yes
No
Tuesday, May 28th, 2019 AT 9:58 PM
Tiny
RANDY ARWOOD
  • MEMBER
  • 28 POSTS
Well I was trying to stethoscope through the valve cover but it didn't work to well, can't run it with cover off due to three foot oil stream shooting strait up. I'm on the next problem, my temperature gauge stays cold. Going to check sending unit tomorrow. The gauge works better after I flushed the heater core, it came up bout a 1/4 inch on the gauge when cars hot. Needle still not in the middle though. And the fan never comes on accept when car is first started. So I'll be in the shop tomorrow trying to figure that out. I also have a brake light in dash staying lit. So, one problem solved and a few more to go.
Was this
answer
helpful?
Yes
No
Tuesday, May 28th, 2019 AT 10:50 PM
Tiny
STEVE W.
  • MECHANIC
  • 15,694 POSTS
Oh this is one of "those" cars. LOL Fix one thing and two others pop up. BTDT. To run it with the cover off you make a tent out of cheap flashing and set it so the oil deflects back into the head. But I think you might be able to tell using the tool you have, if you bring a cylinder up to TDC the rockers should be tight on a good lifter. The ones clattering will be loose.
Was this
answer
helpful?
Yes
No
Saturday, June 1st, 2019 AT 12:15 AM
Tiny
RANDY ARWOOD
  • MEMBER
  • 28 POSTS
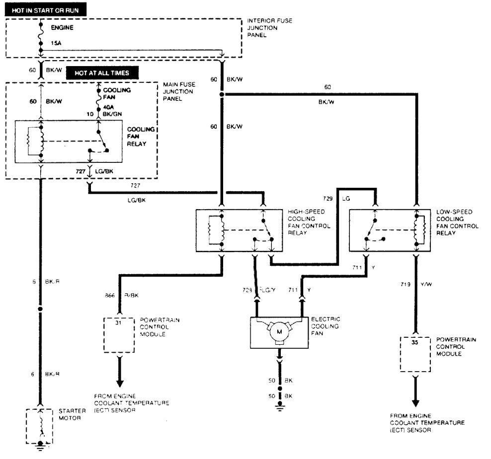
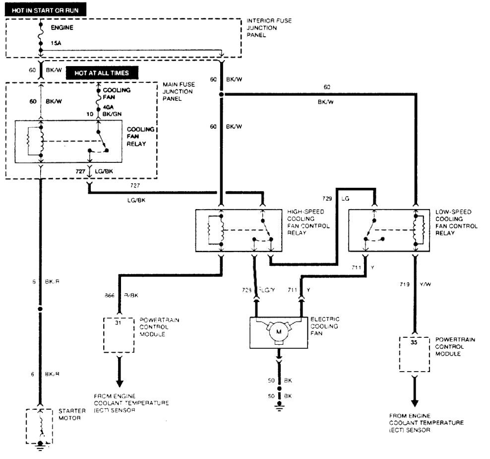
I have no more valve-train noise at this point. What I do have is a bad PCM not controlling the cooling fan as it should, I've checked both relays high and low fan and checked the fan, only thing left is the PCM. I am not getting signal to the relay to switch from the PCM. So I have a PCM on order. The low speed fan comes on when ac is turned on but will not actuate otherwise. Really confusing to explain but I believe I have narrowed it down. Thanks for all the help
Was this
answer
helpful?
Yes
No
Saturday, June 1st, 2019 AT 5:53 PM
Tiny
STEVE W.
  • MECHANIC
  • 15,694 POSTS
Not confusing to me. The PCM controlled fans can be a real pain. I've added thermal switches on more than one car because the controller failed. They worked for a lot of years.
Was this
answer
helpful?
Yes
No
Sunday, June 2nd, 2019 AT 12:57 AM
Tiny
RANDY ARWOOD
  • MEMBER
  • 28 POSTS
Ya, I was looking at that option here but didn't find one, I thought would work great. They all had mixed reviews, some people said works great they just don't last. Others said they didn't last at all. I had trouble finding one with an A/C bypass also, I'd need 2 relay one, one to run low speed for engine heat and one to run high fan when A/C is on.
Was this
answer
helpful?
Yes
No
Sunday, June 2nd, 2019 AT 7:09 AM
Tiny
STEVE W.
  • MECHANIC
  • 15,694 POSTS
So the PCM isn't grounding at pin 31 to turn on the high speed relay? That system is sort of common. The fan is a 2 speed unit. Apply 12 volts to the Yellow lead and it runs on low, remove that and apply 12 volts to the Light green/ yellow stripe and it should spin up on high. The PCM should show a ground at pin 35 and pin 31 when the coolant temp hits 230 F
That turns on both relays, the low speed switches to an open circuit while the high speed relay switches power to the other terminal of the fan for high speed.
Was this
answer
helpful?
Yes
No
Sunday, June 2nd, 2019 AT 6:17 PM
Tiny
RANDY ARWOOD
  • MEMBER
  • 28 POSTS
Yes, I have jumped both high and low and both work. Pin 31 for high speed never becomes grounded. Even when AC is switched on. Pin 35 stays grounded all the time keeping the relay open and not allowing power to get to the yellow wire for low speed. When the AC is kicked on pin 35 drops ground and thus operating low speed fan. If I do nothing the car temperature gauge reaches way past middle range and surpasses the "A" in "normal" where as if I jump low speed fan the temperature stays right in the middle between r and m.
Was this
answer
helpful?
Yes
No
Monday, June 3rd, 2019 AT 10:12 AM
Tiny
STEVE W.
  • MECHANIC
  • 15,694 POSTS
Did you check that the coolant temperature sensor is switching? That is what tells the PCM to change state.
Was this
answer
helpful?
Yes
No
Monday, June 3rd, 2019 AT 6:59 PM
Tiny
RANDY ARWOOD
  • MEMBER
  • 28 POSTS
So I replaced the temperature sending unit, the temperature sensor. The temperature sensor had a resistance of over 2k ohms while car was hot. As my Chilton sucks and tells me to go to the dealer to diagnose a bad temp sensor I assume it is good, partly because it's new and partly because the car idles down when the temperature gauge starts to indicate the car is warm, meaning the PCM is getting a signal from that sensor.
Was this
answer
helpful?
Yes
No
Monday, June 3rd, 2019 AT 8:16 PM
Tiny
RANDY ARWOOD
  • MEMBER
  • 28 POSTS
The sending unit and the temperature sensor are both new.
*Correction of the above.
Was this
answer
helpful?
Yes
No
Monday, June 3rd, 2019 AT 8:17 PM
Tiny
STEVE W.
  • MECHANIC
  • 15,694 POSTS
In that case it could very well be the PCM. Do you have access to a scan tool that can activate the fans through the PCM? I'm guessing no. That would be the ideal method to verify the problem.
Was this
answer
helpful?
Yes
No
Thursday, June 6th, 2019 AT 2:50 PM
Tiny
RANDY ARWOOD
  • MEMBER
  • 28 POSTS
Nope, I have an obd2 scanner but this is obd1.
Was this
answer
helpful?
Yes
No
Thursday, June 6th, 2019 AT 2:51 PM
Tiny
STEVE W.
  • MECHANIC
  • 15,694 POSTS
Time to hunt up a brick (Snap-On MT-2500) With the proper cartridges and keys they can cover all of OBD I through OBD II / 2007-9 with the later cables and CAN adapter. Those are impressive tools for being "obsolete"!
Was this
answer
helpful?
Yes
No
Thursday, June 6th, 2019 AT 4:06 PM
Tiny
RANDY ARWOOD
  • MEMBER
  • 28 POSTS
Ya maybe, I do own and operate two of these cars now. My youngest car at this point is a 2008.
Was this
answer
helpful?
Yes
No
Thursday, June 6th, 2019 AT 4:13 PM

Please login or register to post a reply.