Wednesday, November 6th, 2019 AT 4:32 PM
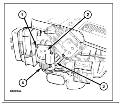
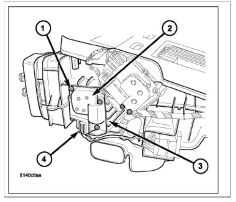
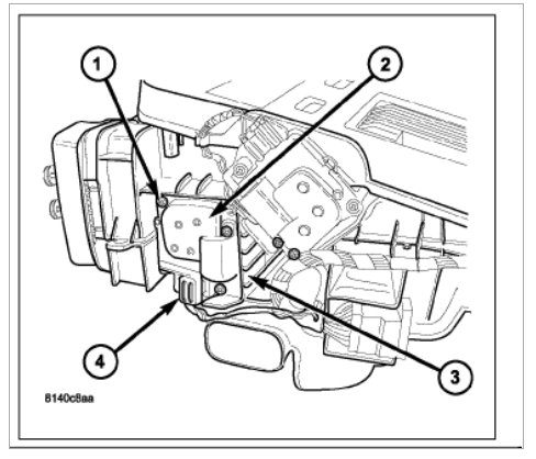
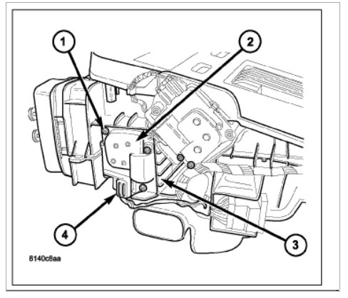
Location of blend door? What to remove to access the part to change? After replacing is there a need to scan or any other requirement prior to use? Because of the time required for a mechanic, I need to do this myself. The control that causes the most "machine gun noise" on my vehicle listed above, is the center control that has the blue to red marking and when changing from one temperature to another the noise starts. Also at time I hear one click noise when the fan speed is changer or the control that sends the air to the different outlets. Maybe the blend door actuator replacement fixes it all. Need to find out the location and what needs to be remove for access to the door and then after replacing it, is there any adjustments, etc, necessary?











































