Thursday, September 24th, 2020 AT 3:02 PM
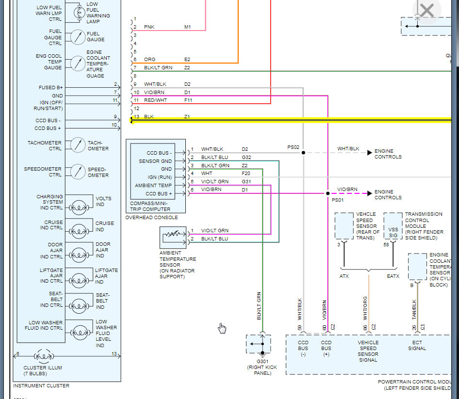
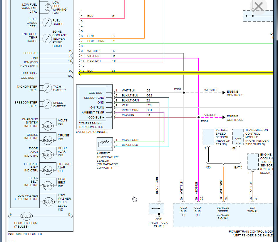
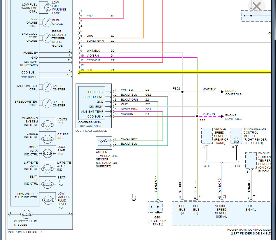
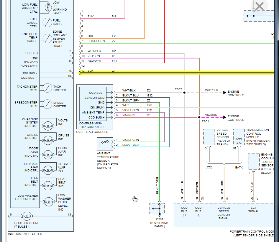
The instrument cluster inoperable, No PRNDL, Fuel, odometer, temperature. Retrieve P0106. Check Power and Ground at the cluster okay. Red/white 12V key On. I have questions how to check CC BUS (-) and (+). What should be the reading if the engine running? Please can you guide me what to check next. Thank you!




