Thursday, November 25th, 2010 AT 12:07 AM
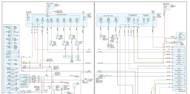
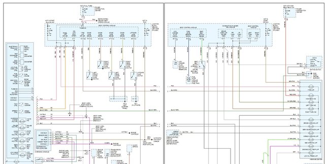
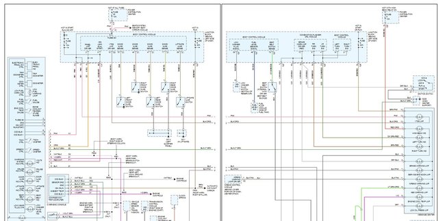
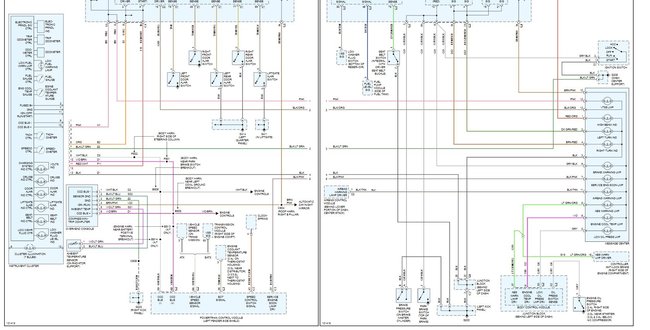
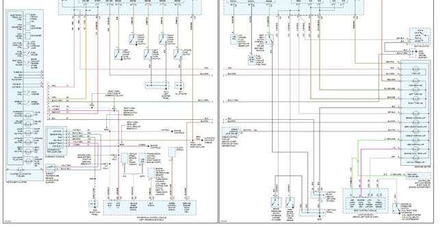
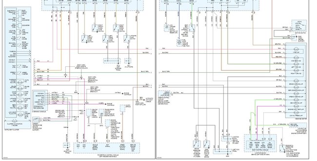
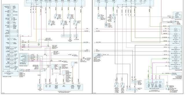
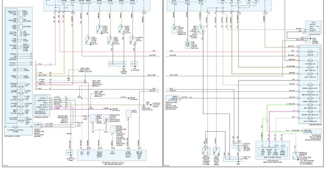
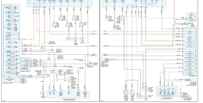
I have a 2002 Dodge Caravan with instrument cluster issues (gauges don't work) there is no communication with the instrument cluster, I have tried replacing the cluster, the BCM, removing Fuse box and cleaning all connections and terminals and used dielectric grease on all connections.I tried the speedometer Reset procedure and no codes, flashing lights or anything at all. Do you have any ideas as to why there is no communication with the instrument cluster? I have also disconnected the battery to try to reset the computer, checked fuses still nothing.





