Sunday, May 9th, 2010 AT 7:41 PM
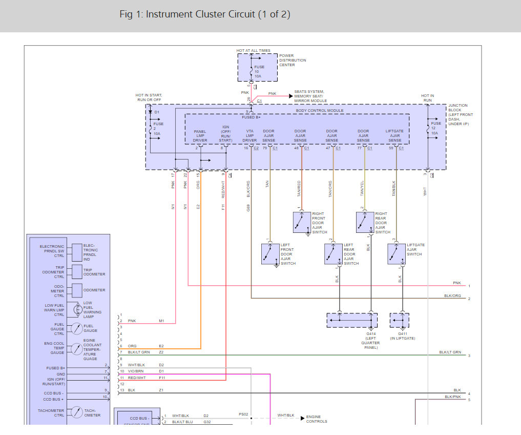
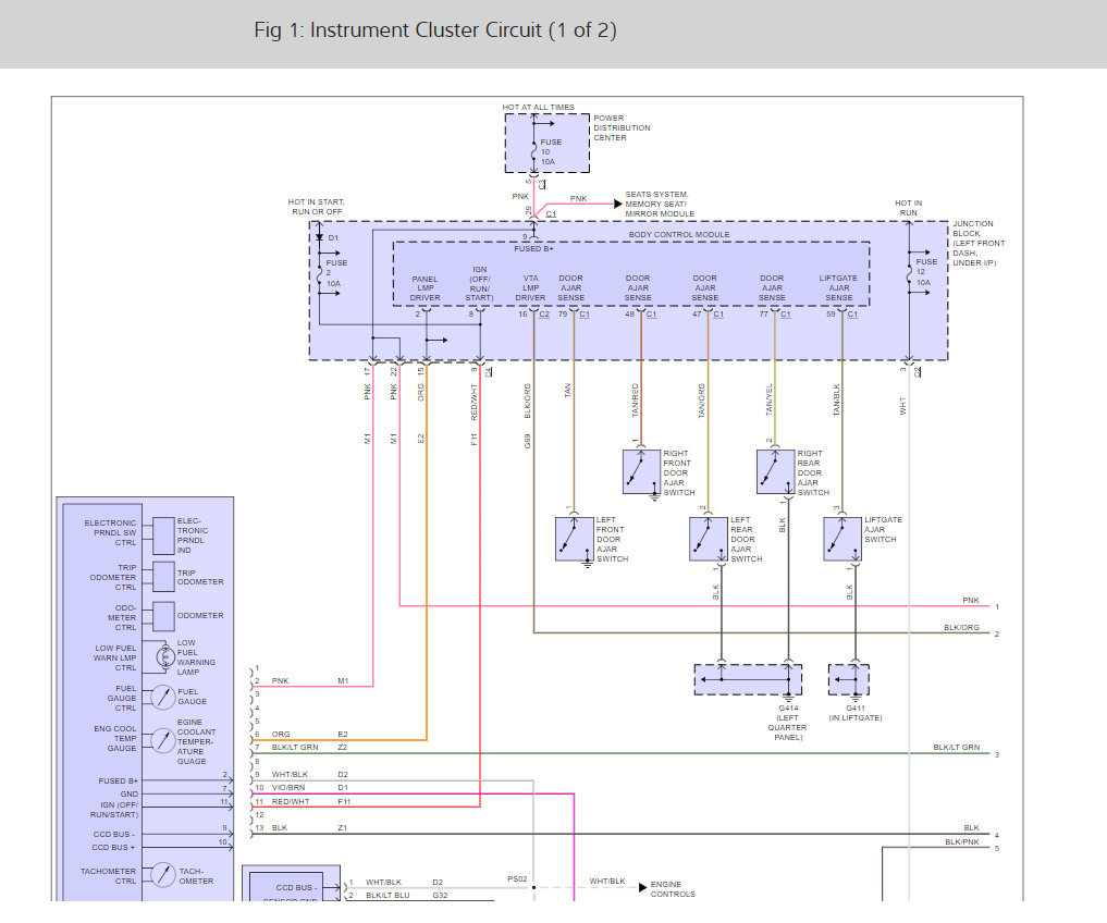
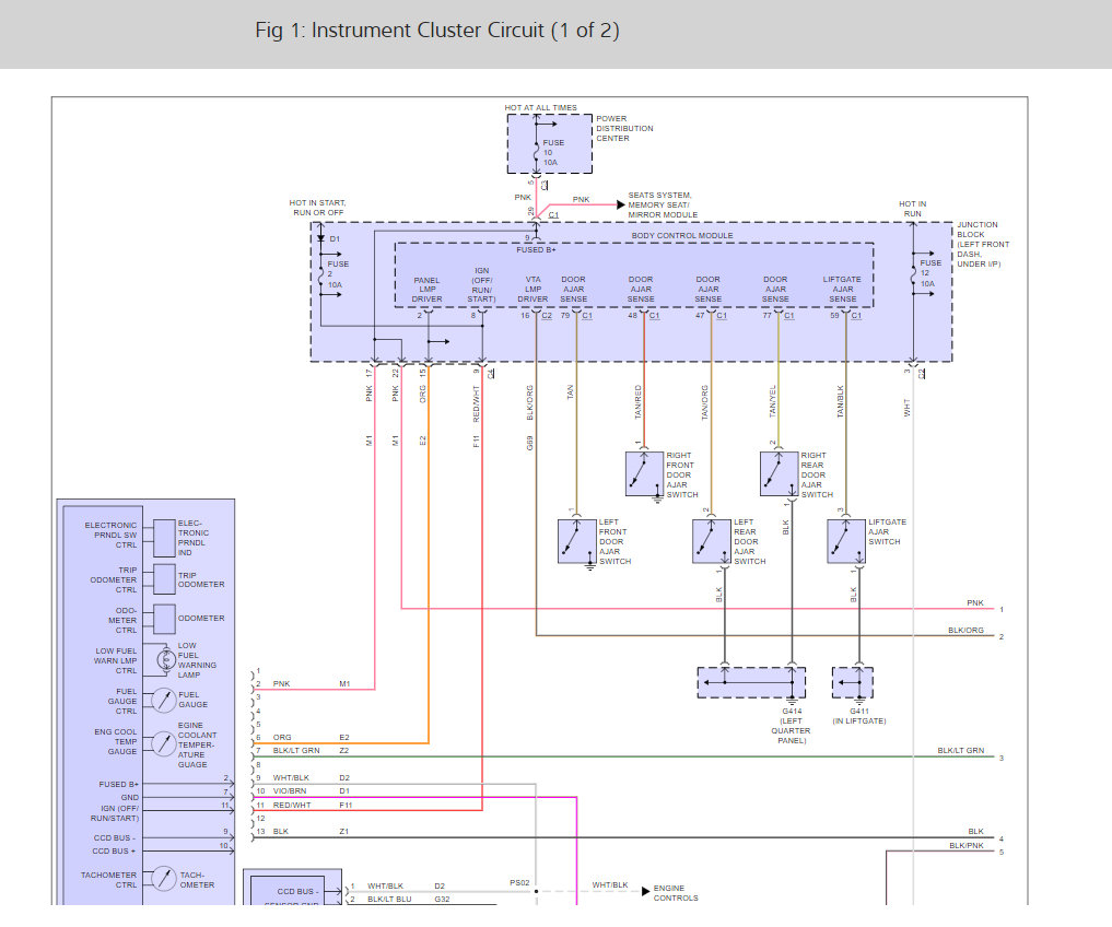
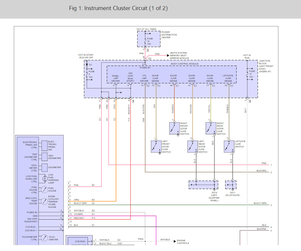
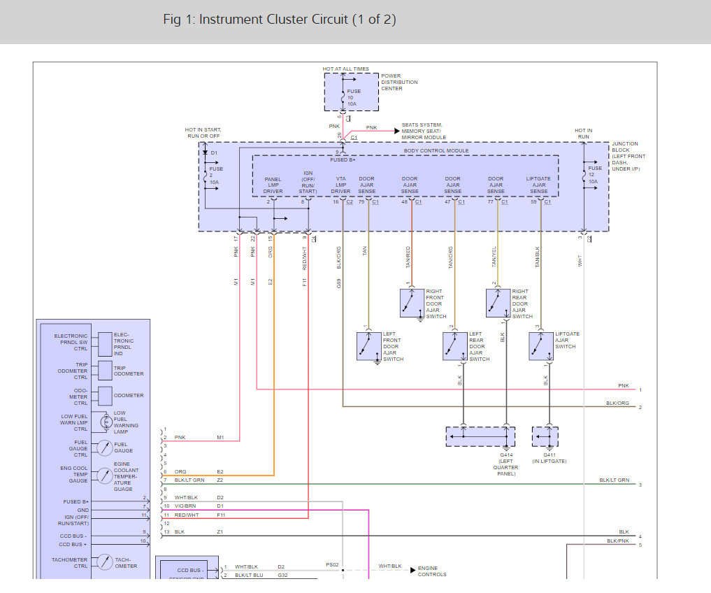
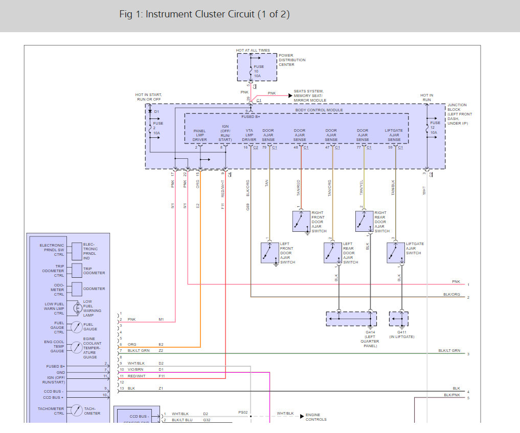
The instrument lights, including switch illumination ( temp, ac controls etc) do not work. I have checked bulbs and fuses including the 10 amp fuse in the relay panel. I have replaced the instrument panel and gauges, tried a different headlight and dimmer switch with no luck. I have power to the fuse on the interior fuse block ( panel illumination fuse). I also changed the BCM. All other lights work, courtesy lights, interior lights, all warning lights, turn signal indicators. The dimmer switch turns on the interior lights but does not affect the dimming on the mileage, transmission indicator, or digital readout for the compass and mileage computer in the overhead display( they do illuminate). Can you please give me some sort of direction to pursue in tracking this problem down. Thank you very much for your time and expertise.








