turn the key off and it may start after a few tries.
Sometimes (especially when cold) check gauges lite (charging = 0) after restart and warm = normal charge.
Side note: A/C blower will turn on but A/C clutch not engaging.
Mechanic replaced lock mechanism. (Still issues as above and below)
He clears all codes then some come back, clears again, maybe less codes or no codes or more codes.
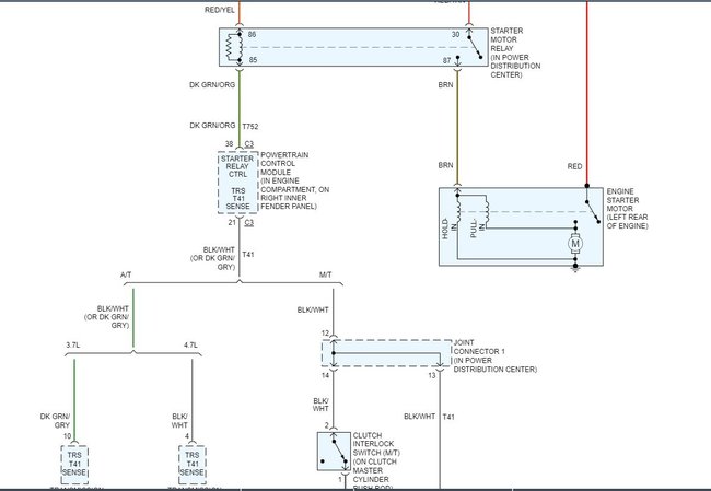
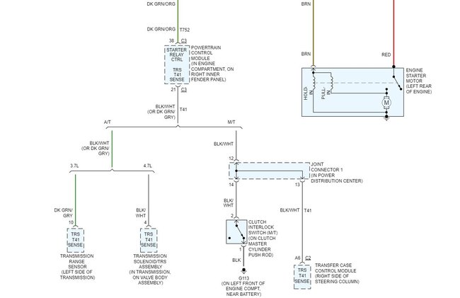
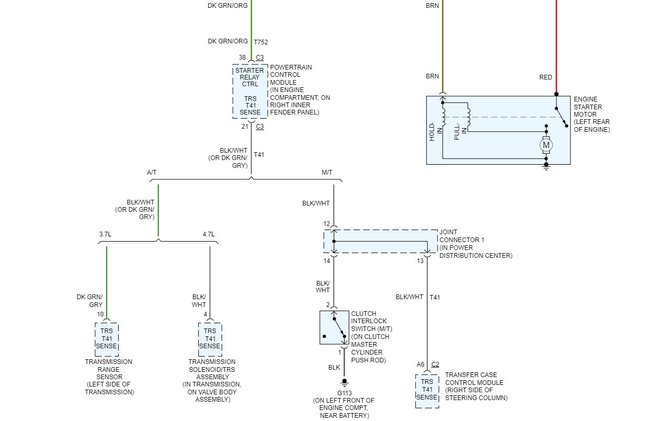
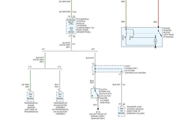
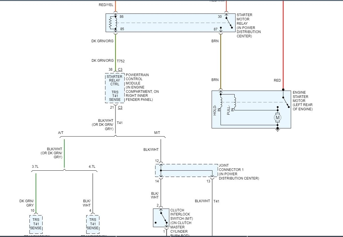
Any ideas? He checked all fuses and things.
Tuesday, April 5th, 2022 AT 6:40 AM






