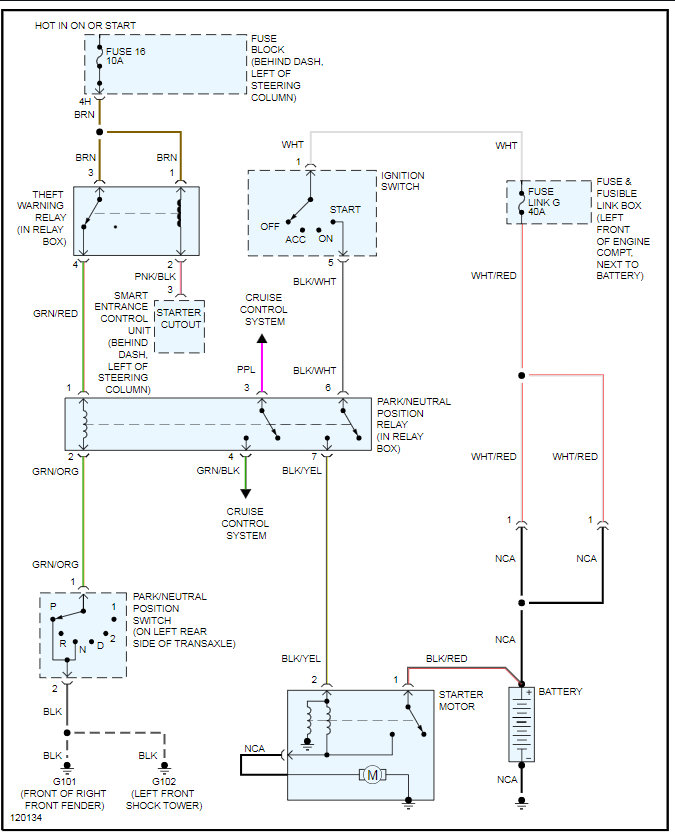
Wednesday, October 6th, 2010 AT 2:33 PM
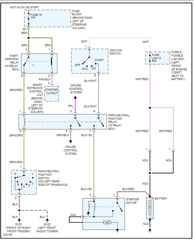
All the lights and accessories work. I have approximately 13 volts at battery, headlights are bright. Pulled cables and cleaned off anyway, it needed it. When I turn the key to start I can here relays clicking but starter motor is doing nothing not even a click. Could this be a bad starter?




