How to diagnose cruise control issues and how to repair?

Tiny
HALEY YOUNG
  • MEMBER
  • 2010 TOYOTA COROLLA
  • 250,000 MILES
Hi, I'm having issues with my cruise control. I was able to find the most common reasons why it wouldn't work which are "module, sensor or switch issues, or throttle actuation problems." But how do I know which thing it is?
Sunday, April 23rd, 2023 AT 6:20 AM

8 Replies

Tiny
AL514
  • MECHANIC
  • 5,561 POSTS
Hello, what size engine do you have and is it Auto or Manual transmission? And when you press the Cruise Control switch on button do you get any light on the Dash (Instrument Cluster) indicating the system turned on?
Also, there are some design differences for this year, going over service information it seems Toyota shifted over to a different company still under the Toyota brand, but there are some minor changes in the wiring diagrams I'm seeing.
So, there is a tag under the hood in the engine compartment and a tag on the driver's door frame. One of these tags may mention TMC made, or NUMMI made. If it is there including that information as well. Because it does include the cruise control and instrument cluster in the differences.
Was this
answer
helpful?
Yes
No
Sunday, April 23rd, 2023 AT 12:58 PM
Tiny
HALEY YOUNG
  • MEMBER
  • 4 POSTS
The light does not turn on, it's an auto and I'm not sure about the engine. I have the VIN 2T1BU4EE9AC508242.
Was this
answer
helpful?
Yes
No
Sunday, April 23rd, 2023 AT 1:06 PM
Tiny
AL514
  • MECHANIC
  • 5,561 POSTS
Okay, thank you. Can you check the tag under the hood or in the driver's door frame for anything that mentions TMC Made or NUMMI Made? Toyota switched over for this year and some of the wiring diagrams are slightly different. If it doesn't say, then we will just do the best we can.
Was this
answer
helpful?
Yes
No
Sunday, April 23rd, 2023 AT 1:10 PM
Tiny
HALEY YOUNG
  • MEMBER
  • 4 POSTS
I'm not finding anything but I'm probably just not looking in the right spot.
Was this
answer
helpful?
Yes
No
Sunday, April 23rd, 2023 AT 1:13 PM
Tiny
AL514
  • MECHANIC
  • 5,561 POSTS
There is only 1 tag usually on the underside of the hood or near where the hood latch is on top of the radiator. It might not be listed. Another difference between the 2 designs is this additional Cruise Control Cancel Switch on the left side of the dash. The other design does not have this switch. It only has one Cruise control switch with an on button, Res, Set, and Cancel buttons.
Was this
answer
helpful?
Yes
No
Sunday, April 23rd, 2023 AT 1:21 PM
Tiny
AL514
  • MECHANIC
  • 5,561 POSTS
Do you have any warning lights on the Dash that are on, such as check engine light, brake light, traction control or ABS light? The most likely failure here is the clock spring inside the steering wheel. The wires for the cruise control run through there and they don't last usually past 100,000 miles.
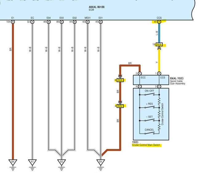
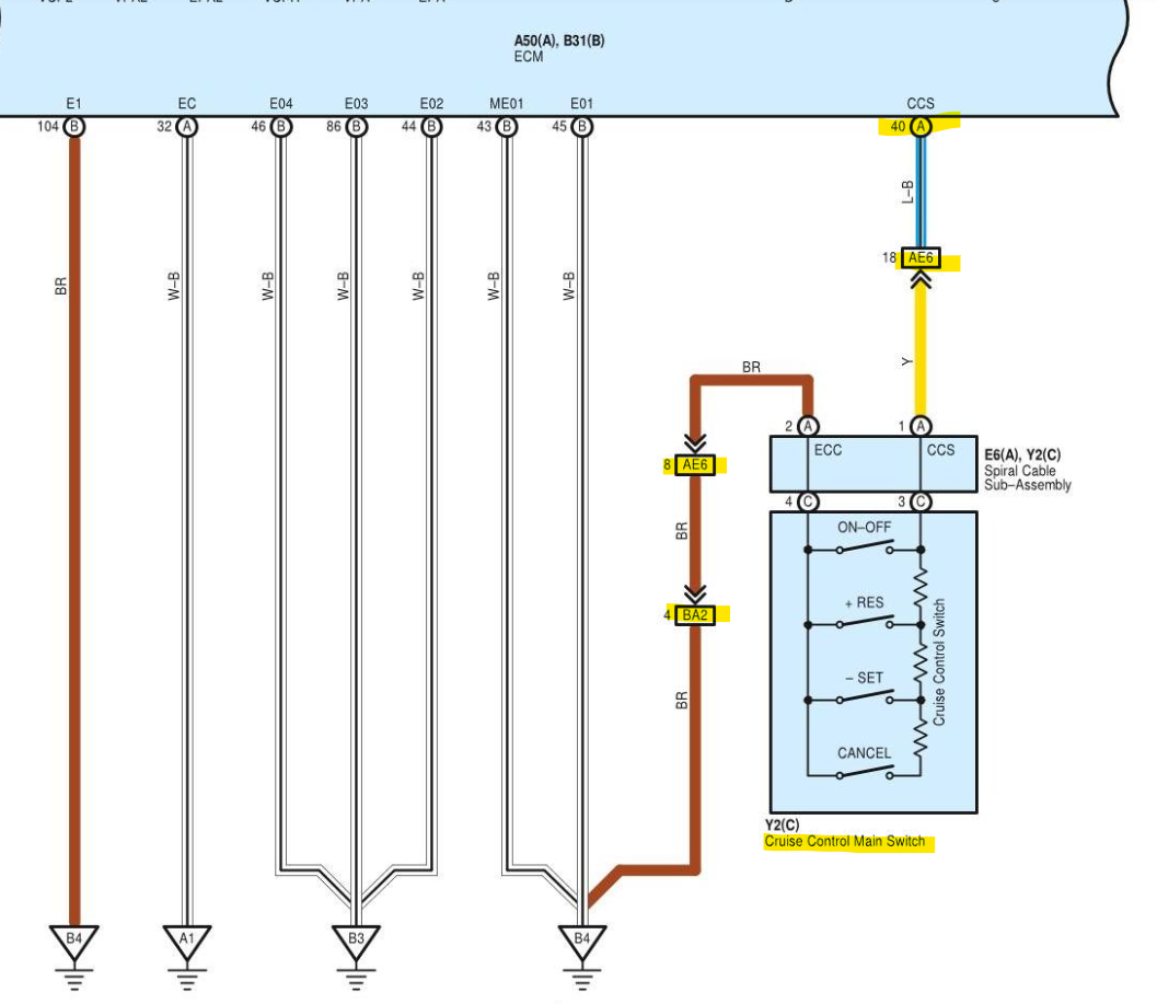
You can check the Ground wire for the Cruise Control switch, which is in the 2nd diagram labelled B4, it's a brown wire that is bolted to the engine cylinder head. But the only real way to test this cruise control switch circuit is to measure the voltage at the engine computer to the B4 ground location while pressing the control buttons and see if there is a voltage change. There are a number of connectors the control wires run through so it can also be one of them, diagrams 3 and 4 are of each design and high lighted in yellow is each connector the wire runs through. Another concern though is that there is going to be an air bag in the front of the steering wheel, and if you are not familiar with working on these systems, the air bag can go off, even with testing with a multimeter.

https://www.2carpros.com/articles/how-to-use-a-voltmeter

https://www.2carpros.com/articles/how-to-check-wiring
Was this
answer
helpful?
Yes
No
Sunday, April 23rd, 2023 AT 1:38 PM
Tiny
HALEY YOUNG
  • MEMBER
  • 4 POSTS
Nope, no lights, but the lights do work.
Was this
answer
helpful?
Yes
No
Sunday, April 23rd, 2023 AT 1:47 PM
Tiny
AL514
  • MECHANIC
  • 5,561 POSTS
Refresh this page and read my last post.
Was this
answer
helpful?
Yes
No
Sunday, April 23rd, 2023 AT 1:55 PM

Please login or register to post a reply.