Door locks fuse or relay location

Tiny
SINICAB
  • MEMBER
  • 2000 INFINITI I30
  • V6
  • AUTOMATIC
  • 146,000 MILES
Good day, I’m trying to locate the fuse or the relay for the door locks. My door locks my automatic door locks are not working and I have no vanity mirror lights or internal lights at all. The fuse panel inside the car underneath the steering column has a fuse called a room light. I change that but it didn’t help please help me locate the automatic door fuse or relay in the internal light fuse please.
Thursday, March 14th, 2019 AT 6:01 PM

2 Replies

Tiny
D6SPAN
  • MECHANIC
  • 58 POSTS
Hi Sinicab!
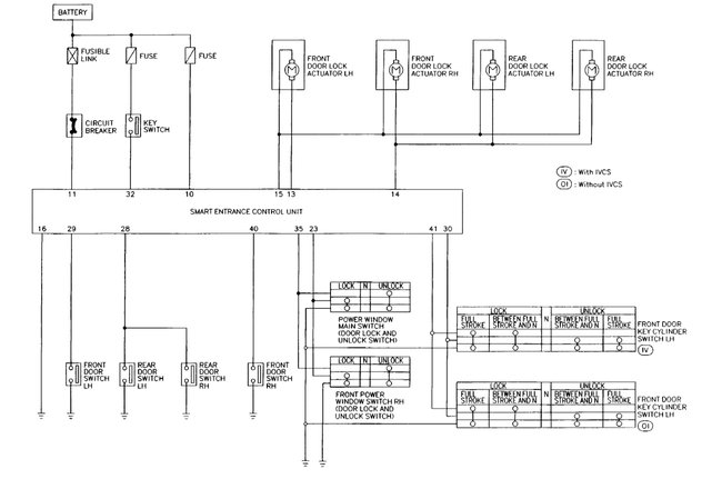
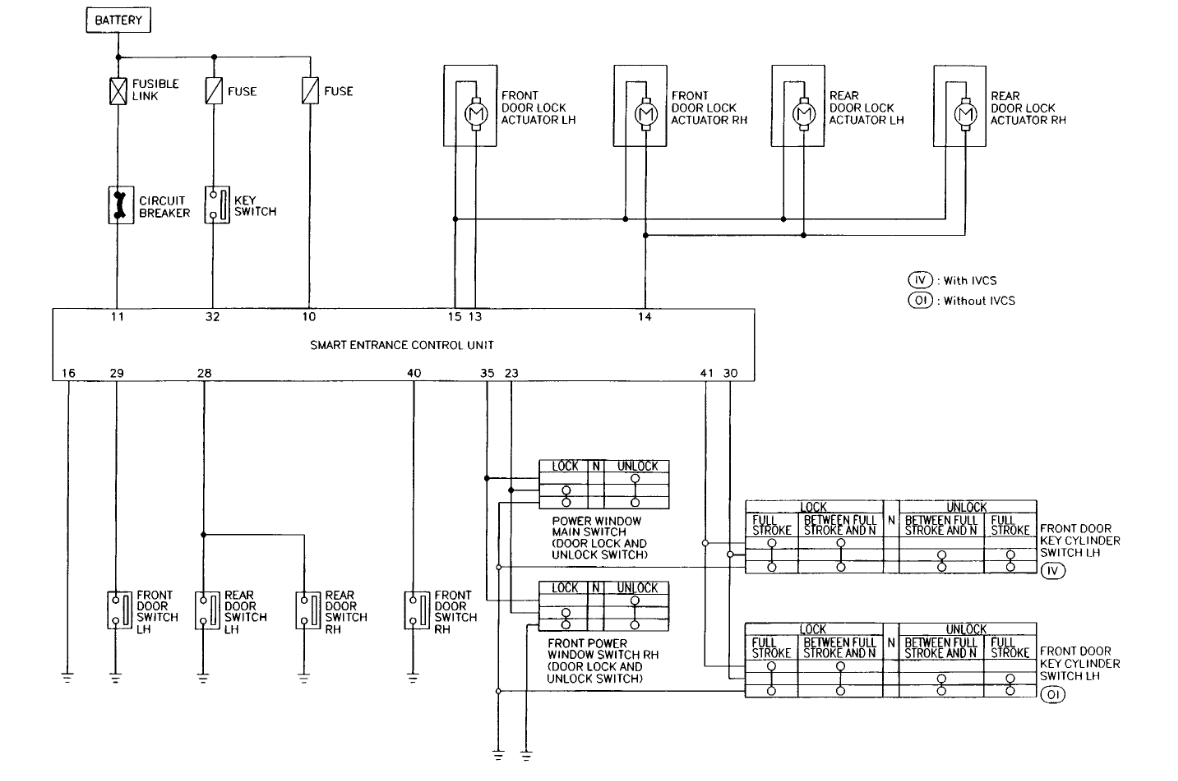
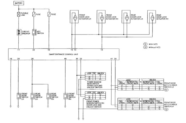
I'm sorry you are frustrated but I understand completely! I am posting the wiring schematic for the power locks. The power comes from the battery and then flows through fuse 13 (10 Amp fuse) to the smart entrance control unit, which controls all of the power locks.
Use a multimeter or volt meter (I'll post an article on how to use one if you don't know) to check for battery power at both sides of fuse 13. If you have power at sides, check the black wire bolted to the frame behind the driver side kick panel. it should have almost no voltage at all. I included a generic picture of a kick panel (passenger side) so you know what it is hiding behind. It should look the same on the driver side. A flathead screwdriver will pry it up in most cases.
If all of that checks out, your smart entrance control unit may be bad since it controls all of your power locks.
Best of luck!

Here is the article I mentioned before:
https://www.2carpros.com/articles/how-to-use-a-voltmeter
Was this
answer
helpful?
Yes
No
Saturday, March 16th, 2019 AT 9:52 AM
Tiny
D6SPAN
  • MECHANIC
  • 58 POSTS
Another thing, here is an informative article on how to test wiring:
https://www.2carpros.com/articles/how-to-check-wiring
Was this
answer
helpful?
Yes
No
Saturday, March 16th, 2019 AT 9:57 AM

Please login or register to post a reply.