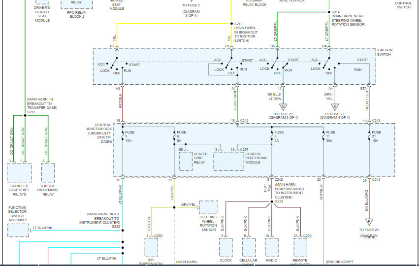
Tuesday, December 22nd, 2020 AT 12:46 PM
My ignition switch was pulled out and I was cranking it with the tumbler due to my key being worn down. The wires were pulled out and I can't figure out how to put them back in. I looked up diagram but I'm not getting the same wire colors and places you put them as the internet. I'm currently without a ride due to this.






