What size socket is required to remove the upper and lower cover to access the ignition switch?

Tiny
BENNIE SHELTON
  • MEMBER
  • 2004 CHRYSLER PT CRUISER
  • 2.4L
  • 4 CYL
  • 2WD
  • AUTOMATIC
  • 185,000 MILES
Ignition switch access for the vehicle listed above GT Turbo.
Friday, April 12th, 2024 AT 12:26 AM

17 Replies

Tiny
KEN L
  • MASTER CERTIFIED MECHANIC
  • 55,488 POSTS
I believe these screws are t25 long tool torx bits. Here are the instructions for changing out the ignition switch in case you need it and want to see how the job is done. Check out the images (below). Let us know if you need anything else.
Was this
answer
helpful?
Yes
No
+1
Friday, April 12th, 2024 AT 6:38 PM
Tiny
JERRYSIDDOCK
  • MEMBER
  • 63 POSTS
Turns out I have a worn-down actuator, I changed the switch and in the course of doing so found the path of the seatbelt dinging. Now I need to change the actuator as sometimes it doesn't fall back far enough to enable the temp and fuel level gauge, and sometimes when i'm driving the engine will shut off and I have to wiggle the key to get it to come back on, which is kind of dangerous.
Was this
answer
helpful?
Yes
No
Friday, May 17th, 2024 AT 6:51 AM
Tiny
KEN L
  • MASTER CERTIFIED MECHANIC
  • 55,488 POSTS
Glad you could get it fixed, thanks for letting us know. Please use 2CarPros anytime we are here to help.
Was this
answer
helpful?
Yes
No
+1
Friday, May 17th, 2024 AT 9:32 AM
Tiny
JERRYSIDDOCK
  • MEMBER
  • 63 POSTS
I still have to do something with the actuator itself because it has worn thin, which is what caused the original problem, the slot in the original switch is worn on the outside edge and the actuator has too much slop, (not thick enough), to engage as it should. There doesn't seem to be a lot/any actuators available. It's pot metal so soldering it to make it thicker is out of the question. Maybe I could glue a piece of shim stock to it?
Was this
answer
helpful?
Yes
No
Saturday, May 18th, 2024 AT 5:24 AM
Tiny
KEN L
  • MASTER CERTIFIED MECHANIC
  • 55,488 POSTS
Can you upload an image of what you are talking about?
Was this
answer
helpful?
Yes
No
+1
Monday, May 20th, 2024 AT 11:38 AM
Tiny
JERRYSIDDOCK
  • MEMBER
  • 63 POSTS
I'm not sure if the reply went through, here is another image.
Was this
answer
helpful?
Yes
No
Saturday, May 25th, 2024 AT 4:30 PM
Tiny
KEN L
  • MASTER CERTIFIED MECHANIC
  • 55,488 POSTS
Thanks for the images, I don't see where the part is worn?
Was this
answer
helpful?
Yes
No
Saturday, May 25th, 2024 AT 4:57 PM
Tiny
JERRYSIDDOCK
  • MEMBER
  • 63 POSTS
I've circled where it has worn. It is no longer thick enough to fully engage the slot in the switch before it starts to turn. I have already changed the switch as the hole the actuator engages is eat up.
Was this
answer
helpful?
Yes
No
Sunday, May 26th, 2024 AT 2:17 AM
Tiny
KEN L
  • MASTER CERTIFIED MECHANIC
  • 55,488 POSTS
I see, this cannot be repaired and must be replaced. You might be able to find one at a auto wrecker or check Ebay, I don't know if the dealer will have this part it may be obsolete.
Was this
answer
helpful?
Yes
No
+1
Sunday, May 26th, 2024 AT 9:27 AM
Tiny
JERRYSIDDOCK
  • MEMBER
  • 63 POSTS
It is obsolete, and the only source I can find is Clockspring Experts, but even they aren't sure it'll work. I'd like to put an off/run/start switch, like on a Hammond B-3, and not worry about the anti-theft feature.
Was this
answer
helpful?
Yes
No
Sunday, May 26th, 2024 AT 10:24 AM
Tiny
KEN L
  • MASTER CERTIFIED MECHANIC
  • 55,488 POSTS
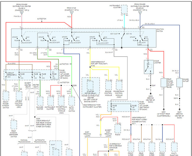
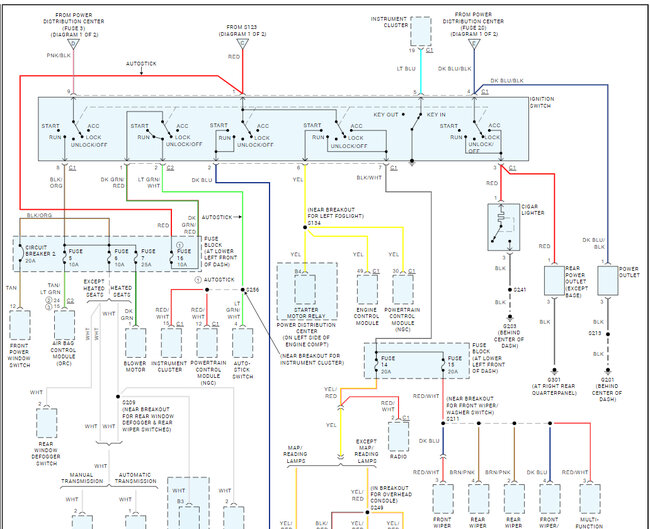
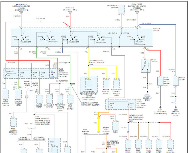
I would try a wrecking yard, but here is the ignition switch wiring diagrams so you can see how the switches should go.
Was this
answer
helpful?
Yes
No
+1
Monday, May 27th, 2024 AT 9:50 AM
Tiny
JERRYSIDDOCK
  • MEMBER
  • 63 POSTS
Is there another version of this drawing? My ignition switch has five terminals: (SR-P-R/S-S-B), but the ignition switch in the partial drawing above has eleven terminals. Mine is an 07 PT Cruiser with an automatic transmission and the ignition switch is peculiar to 2007/2008, different from preceding and years that followed, or am I missing something?
Was this
answer
helpful?
Yes
No
Monday, May 27th, 2024 AT 1:59 PM
Tiny
KEN L
  • MASTER CERTIFIED MECHANIC
  • 55,488 POSTS
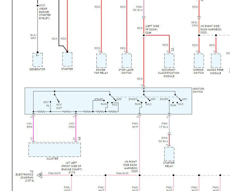
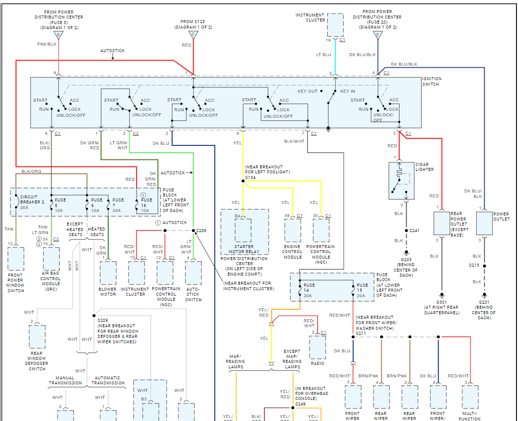
It says 2004 in the question started, here is the information for the 2007
Was this
answer
helpful?
Yes
No
+1
Tuesday, May 28th, 2024 AT 9:14 AM
Tiny
JERRYSIDDOCK
  • MEMBER
  • 63 POSTS
Looking through prior exchanges. I jumped in on a thread instead of starting a new one, sorry "bout that and thanks. Seems like that rod at the end of the actuator pokes through and closes a contact at the very end of the switch itself. Thank you, sorry for the confusion.
Was this
answer
helpful?
Yes
No
Tuesday, May 28th, 2024 AT 2:41 PM
Tiny
KEN L
  • MASTER CERTIFIED MECHANIC
  • 55,488 POSTS
No worries, let us know if you need anything else.
Was this
answer
helpful?
Yes
No
+1
Wednesday, May 29th, 2024 AT 8:39 AM
Tiny
JERRYSIDDOCK
  • MEMBER
  • 63 POSTS
I went to the dealer today and had him make me a key off the VIN, now I can rotate the cylinder to take it out.
Was this
answer
helpful?
Yes
No
Wednesday, May 29th, 2024 AT 9:36 AM
Tiny
KEN L
  • MASTER CERTIFIED MECHANIC
  • 55,488 POSTS
Nice work.
Was this
answer
helpful?
Yes
No
+1
Wednesday, May 29th, 2024 AT 9:43 AM

Please login or register to post a reply.