Sunday, September 26th, 2021 AT 10:22 AM
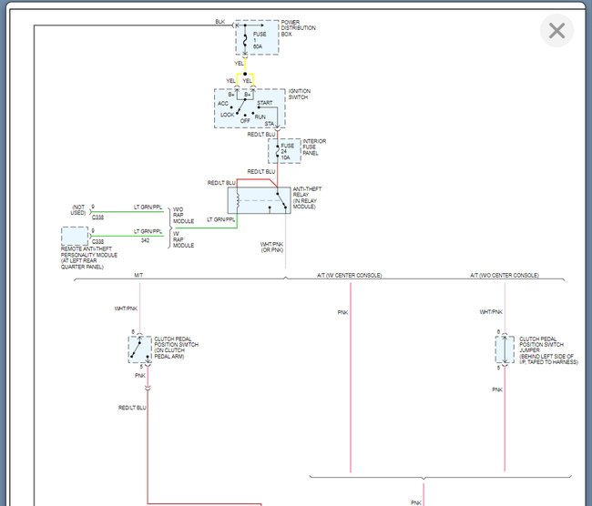
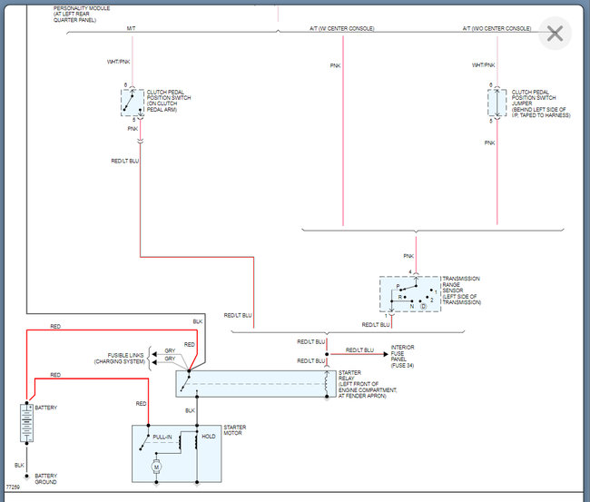
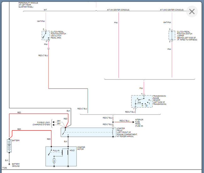
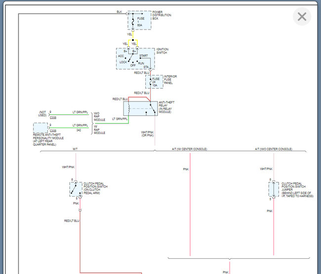
The key will still turn the ignition switch but it won't turn the vehicle on. It feels like it isn't turning all the way. When I turn the key back and pull it out the dash light stay on. I replaced the switch but it did the same thing. Won't turn over and dash lights stay on even with the key out. While the switch was out I was able to turn it over with a screwdriver though but couldn't turn it off. The steering wheel doesn't lock either.







