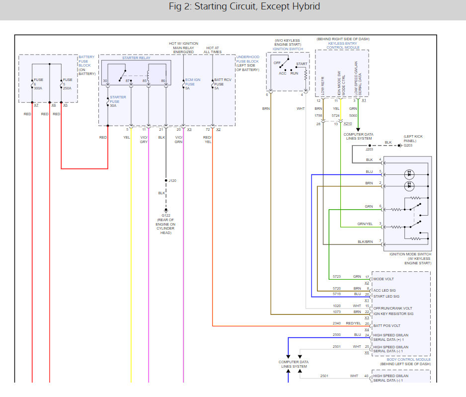
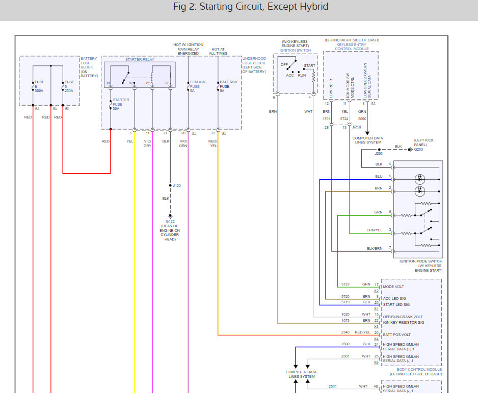
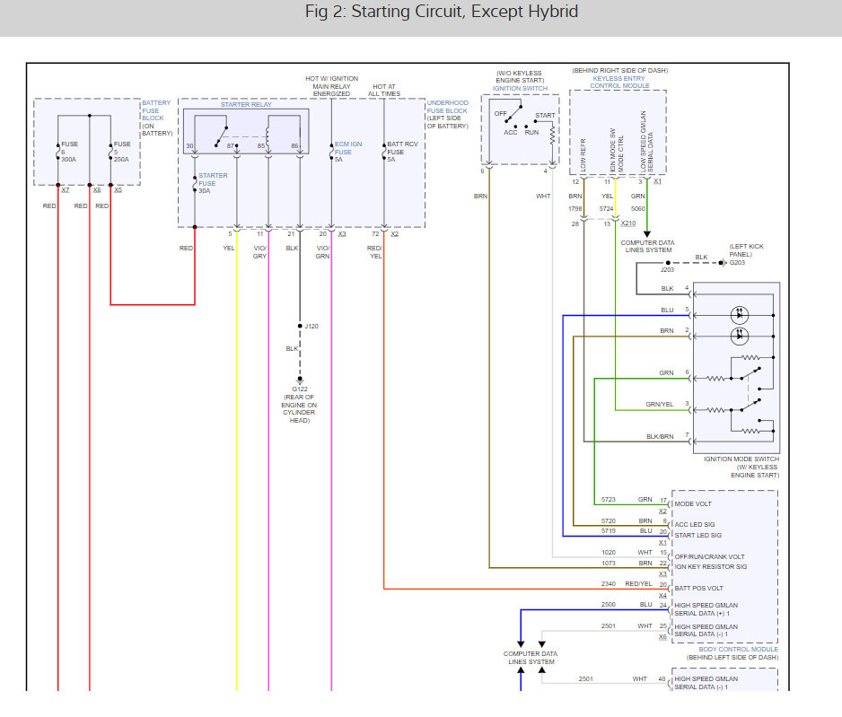
Sunday, January 21st, 2018 AT 7:50 PM
I have a very frustrating and confusing issue. I am trying to install a remote start, and need to wire it to the accessories and Ignition wires of the ignition wire harness. Now the starter does not work?




