Ignition cylinder

Tiny
BRANDONE2010
  • MEMBER
  • 2007 CHEVROLET IMPALA
  • 203,000 MILES
Had a broken key extracted, but car would not start neither would my dash lights or anything come on after. I pulled out my ignition cylinder but noticed the tumblers inside the cylinder were gone. Is this my reason for the the car not getting power?
Friday, July 19th, 2019 AT 11:37 AM

5 Replies

Tiny
SCGRANTURISMO
  • MECHANIC
  • 4,897 POSTS
Hello,

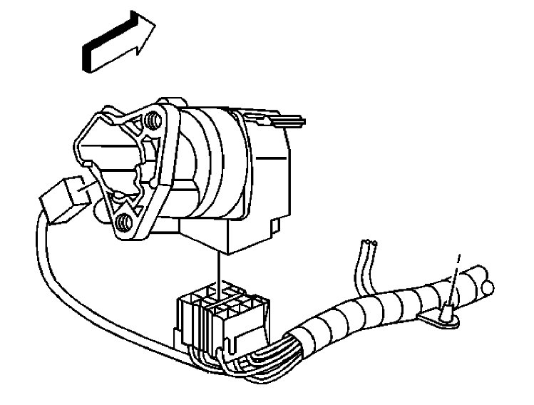
Yes. If the tumblers are missing from the inside of your vehicle's ignition lock cylinder, the key will probably just spin aimlessly inside the lock cylinder. The ignition switch usually works by the key pushing a plastic arm that pushes a metal arm in the ignition switch. If you replace the keys with the lock cylinder, they will have to programmed to the Theft Deterrent Module (TDM)/Engine Control Module (ECM). There are only two places that can do this for you, the dealership or a locksmith. In the diagrams down below I have included the diagrams down below the step by step guide from the vehicle manufacturer for the removal and installation of the ignition switch and ignition lock cylinder. Please go through this guide and get back to us with what you are able to find out.

Thanks,
Alex
2CarPros
Was this
answer
helpful?
Yes
No
Saturday, March 13th, 2021 AT 10:08 AM
Tiny
BRANDONE2010
  • MEMBER
  • 3 POSTS
Now the only thing that was removed was the lock cylinder. So I should be able to replace the lock cylinder and get a new key programmed and be good to go right?
Was this
answer
helpful?
Yes
No
Saturday, March 13th, 2021 AT 10:08 AM
Tiny
SCGRANTURISMO
  • MECHANIC
  • 4,897 POSTS
Hello again,

Yes. I included the directions for the ignition switch also, just in case, and there were no separate directions for just the lock cylinder, that was included in the directions for replacing the ignition switch. Just follow the directions until you come to the ignition lock cylinder and go from there. Please keep us informed as to your progress, or feel free to ask should you need any help or have any other questions.

Thanks,
Alex
2CarPros
Was this
answer
helpful?
Yes
No
Saturday, March 13th, 2021 AT 10:08 AM
Tiny
BRANDONE2010
  • MEMBER
  • 3 POSTS
Well thanks. Come to find out my car wasn’t getting any power from the ignition because of a broken fuse.
Was this
answer
helpful?
Yes
No
Saturday, March 13th, 2021 AT 10:08 AM
Tiny
SCGRANTURISMO
  • MECHANIC
  • 4,897 POSTS
Hello again,

I am glad that you got your vehicle fixed. I don't have your vehicle in front of me, and can only diagnose the problem with the information that is given to me. Again, I truely am happy you got your vehicle running again.

Thanks,
Alex
2CarPros
Was this
answer
helpful?
Yes
No
Saturday, March 13th, 2021 AT 10:09 AM

Please login or register to post a reply.