Started to turn over and then shut off. Wouldn't do anything after. No click, nothing?

Tiny
ANDREW88W
  • MEMBER
  • 2013 DODGE CHARGER
  • 5.7L
  • V8
  • 2WD
  • AUTOMATIC
  • 117,000 MILES
Car listed above Pursuit. 5.7L V8 with Hemi. Vehicle was running fine. Drove to location. Came back out, attempted to start the vehicle. It started to turn over and then shut off. Wouldn't do anything after. No click, nothing. Checked and replaced started and starter relays. All operational. Received check engine light and code of P0463. Secondary fuel pump on right side was running weak. Pump replaced. Fuel pressure to fuel rails. Still no click no start. Used jumper wire on starter relay and starter has power. Brand new battery, charged, and checked as good.
Saturday, March 27th, 2021 AT 6:33 PM

1 Reply

Tiny
JACOBANDNICKOLAS
  • MECHANIC
  • 110,194 POSTS
Hi,

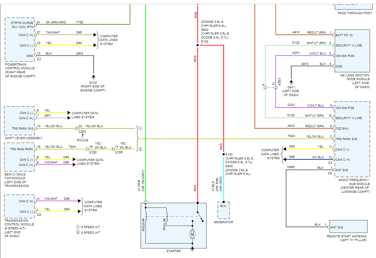
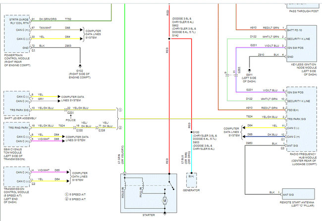
First, I attached the wiring schematic for the starting system below. I had to cut the pic in half to make them readable, but I overlapped them so you can follow from one to the other.

The first thing to check is fuse 1042 in the under hood fuse box. In addition to checking the fuse, confirm there is power both to and from it. Here is a link you may find helpful:

https://www.2carpros.com/articles/how-to-check-a-car-fuse

Next, check for power at the highlighted wire points. This should be done with the key in the start position. You will need a helper.

https://www.2carpros.com/articles/how-to-check-wiring

Now, if you look at the relay, it shows wire A is battery + voltage. If you were to use a jumper wire between A and B (starter coil mtr) the starter should engage. This is the last thing to try.

If you get the starter to engage doing that and the relay is good, it sounds like there is a possible issue with the body control module see in the schematic. Again, you need to check the light blue/tan wire for a signal. If there isn't one, there is a good chance the BCM is bad.

One last thing. If you look at pic 3 below, it is of the power distribution box under the hood. I highlighted fuse 4. According to the manual, that is fuse 1004. Again, make sure there is power to and from it.

Let me know what you find or if you have other questions.

Take care,
Joe

Was this
answer
helpful?
Yes
No
Tuesday, June 29th, 2021 AT 9:12 AM

Please login or register to post a reply.