When ignition is on or start position; no click, no sound at all except buzzer for key?

Tiny
SISTO27
  • MEMBER
  • 1992 FORD F-350
  • 7.5L
  • V8
  • 2WD
  • AUTOMATIC
  • 157,000 MILES
I have the truck listed above Super Duty Gas 7.5L Flatbed. No crank or start, new starter was installed sitting over a year. No Instrument lights or milage lights up check engine light etc, on dash when ignition is on or start position; no click, no sound at all except buzzer for key. Checked all fuses under hood and in cab all checked okay. Where do I begin? Thanks
Monday, April 24th, 2023 AT 2:23 AM

40 Replies

Tiny
KEN L
  • MASTER CERTIFIED MECHANIC
  • 55,281 POSTS
It sounds like you have a bad connection at the battery, or the battery is dead. Here are three guides to help figure out what's going on:

https://www.2carpros.com/articles/car-battery-load-test

and

https://www.2carpros.com/articles/everything-goes-dead-when-engine-is-cranked

This guide may help as well:

https://www.2carpros.com/articles/starter-not-working-repair

Please go over these guides and report back.

Was this
answer
helpful?
Yes
No
Monday, April 24th, 2023 AT 1:53 PM
Tiny
SISTO27
  • MEMBER
  • 26 POSTS
Ken, I went and got a new battery and changed the terminals and it's all good now sorry about that. All gauges light up but still no crank no start no clicking nothing.
Was this
answer
helpful?
Yes
No
Monday, April 24th, 2023 AT 10:08 PM
Tiny
KEN L
  • MASTER CERTIFIED MECHANIC
  • 55,281 POSTS
Okay, let's use a test light at the starter trigger wire to see if there is power when the key is in the crank position. Please go over this guide to see:

https://www.2carpros.com/articles/starter-not-working-repair

Please go over this guide and report back.
Was this
answer
helpful?
Yes
No
Tuesday, April 25th, 2023 AT 8:54 AM
Tiny
SISTO27
  • MEMBER
  • 26 POSTS
When the key is in the crank position I have no power to the trigger wire.
Was this
answer
helpful?
Yes
No
Tuesday, April 25th, 2023 AT 9:54 AM
Tiny
KEN L
  • MASTER CERTIFIED MECHANIC
  • 55,281 POSTS
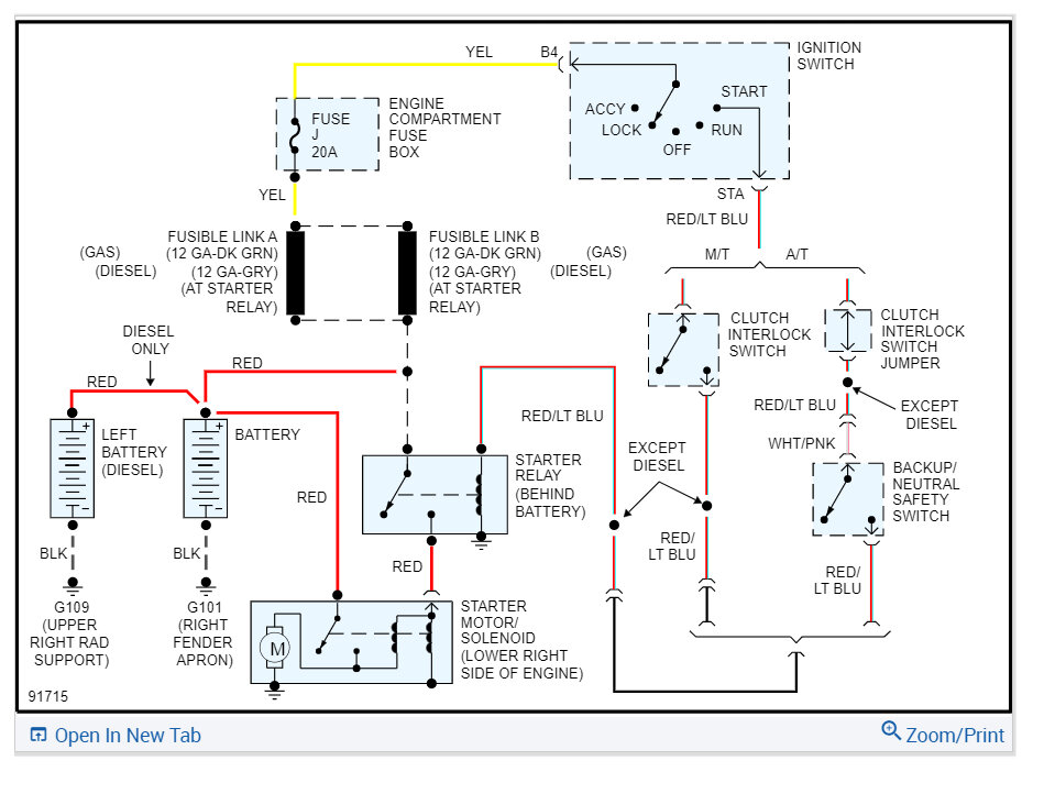
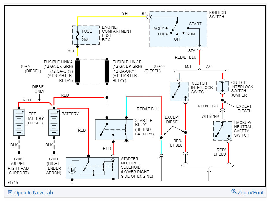
Okay, see if the engine will start in neutral. here is the starter system wiring diagram so you can use a test light to see where you lose power.

https://www.2carpros.com/articles/how-to-use-a-test-light-circuit-tester

Check out the images (below). Please let us know what happens.
Was this
answer
helpful?
Yes
No
Wednesday, April 26th, 2023 AT 9:19 AM
Tiny
SISTO27
  • MEMBER
  • 26 POSTS
Hello Ken, I put it in neutral and no crank, no start. I have pulled and checked the fuses, and none are burnt but I have not checked both ends of the individual fuses in the box with the test light, yet I should get to it today. Looking over the wiring diagram I located the neutral safety switch and will check that also. I have an automatic transmission, so I won't have a clutch interlock switch on my truck, is that correct? Also, in the engine compartment fuse box none of the fuses are labeled with letters just numbers so #10 a 20-amp yellow maxi fuse which is to the starter relay coil instrument panel fuse is this Fuse J listed on the diagram. Lastly the starter relay (behind battery) isn't that the relay with two larger posts and a small post where one of the larger posts has a large red cable from the battery to the relay to the starter itself then the smaller post from the relay to the starter is the small trigger wire I checked yesterday, am I making sense to you. (I also have a 1989 F250 that did not crank, and that relay was bad but if I took a large screwdriver and arced the two larger posts together with the ignition in the on position the motor would start). I hope I am explaining this correctly, I want to take some pictures but my phone isn't connecting to my computer and I can't get the pictures downloaded from my phone to the PC to send to you, but I found my camera and I can use it to download pictures so I can send you photos if that helps. Thanks again for your patience, knowledge and time, my local mechanic retired last year but I am eager to learn all this with your help Ken. Talk to you soon. Thanks again.
Was this
answer
helpful?
Yes
No
Thursday, April 27th, 2023 AT 3:10 AM
Tiny
SISTO27
  • MEMBER
  • 26 POSTS
Ken, I took off the plug to the neutral safety switch I made a jumper wire and jumped the white and pink wire from the ignition to the light blue and red wire going to the starter and the motor cranked over.
Was this
answer
helpful?
Yes
No
Thursday, April 27th, 2023 AT 6:41 PM
Tiny
KEN L
  • MASTER CERTIFIED MECHANIC
  • 55,281 POSTS
Okay, can you test the yellow wire coming from the ignition switch to see if it has power in the crank position? Please let me know.
Was this
answer
helpful?
Yes
No
Saturday, April 29th, 2023 AT 10:52 AM
Tiny
SISTO27
  • MEMBER
  • 26 POSTS
Are you checking if the ignition switch is bad because the outer part of the ignition switch on the Column spins it won't start without the key, but it does affect the buzzer.
Was this
answer
helpful?
Yes
No
Saturday, April 29th, 2023 AT 3:00 PM
Tiny
SISTO27
  • MEMBER
  • 26 POSTS
Where is the easiest place to locate the yellow wire from the ignition? Because I am checking a yellow wire from the column under the ignition and the test light is on with the key out. I am not sure I am testing the right wire it is a solid yellow.
Was this
answer
helpful?
Yes
No
Saturday, April 29th, 2023 AT 3:19 PM
Tiny
SISTO27
  • MEMBER
  • 26 POSTS
I installed a new ignition switch.
Was this
answer
helpful?
Yes
No
Saturday, April 29th, 2023 AT 4:25 PM
Tiny
KEN L
  • MASTER CERTIFIED MECHANIC
  • 55,281 POSTS
Did that fix it?
Was this
answer
helpful?
Yes
No
Sunday, April 30th, 2023 AT 10:28 AM
Tiny
SISTO27
  • MEMBER
  • 26 POSTS
No, I plugged the old neutral safety switch back in and nothing. But Ken when I made that jumper wire to bypass the neutral safety switch that's just what I did I jumped the ignition wire direct to the starter solenoid, in that plug to the NS switch so when I did that the motor cranked over so doesn't that mean the neutral safety switch is bad? I bought a new NS switch and was going to change it but was waiting for your okay, I thought that probably was my problem.
Was this
answer
helpful?
Yes
No
Monday, May 1st, 2023 AT 7:49 AM
Tiny
SISTO27
  • MEMBER
  • 26 POSTS
I also changed the oil and filter in the motor and as soon as I get it running, I will flush the coolant. I purchased this truck new, and it only has 111,888 original miles on it right before it sat another father on my son's little league team, I was talking to him. He worked for an automotive shop and even wore a Mr. Goodwrench shirt (false advertising). I knew the shop he worked at and my heater core started leaking, so, he said he could work on it on the weekend. Well, the heater core was removed and never finished. He burned me on that job then moved to Idaho so that's my next project. Then I have a two-ton hoist on the flatbed I also have to fix. I am a monumental stonecutter by trade for 40 years this year. I almost lost my right leg and had to close my shop, but I saved my leg after the doc told me I would lose it. Now I want to reopen my shop and people still come around and want my services. Anyway, I just wanted to give you the history of this old Ford. I appreciate you taking the time to help myself and others nothing but good health and fortune back your way. Thanks Ken.
Was this
answer
helpful?
Yes
No
Monday, May 1st, 2023 AT 7:11 PM
Tiny
KEN L
  • MASTER CERTIFIED MECHANIC
  • 55,281 POSTS
I hope you get the shop up and running good guys always stay busy. Can you track the buzzing to the relay? It could have a bad ground. The starter relay is near the battery. Let me know.
Was this
answer
helpful?
Yes
No
Tuesday, May 2nd, 2023 AT 12:46 PM
Tiny
SISTO27
  • MEMBER
  • 26 POSTS
Ken, the buzzing is the warning signal the truck has when you turn the key to the on position but there is something not right. There is a clip with a black wire connected to it coming from the steering column, on top of the clip it has black plastic that looks like it pops in to where it holds the clip in place and I am not sure where it goes but the wire is only long enough to go around the outer cylinder area can you tell me where that clip should be if I clip it to the outer cylinder of the switch the warning buzzer goes off when I open the door with no key in it, then when I remove the clip the warning buzzer will not go on when the key is in the ignition on the off position. I can't see where that clip should go but it does not seem to clip to the ignition switch, but it goes someplace nearby.
Was this
answer
helpful?
Yes
No
Wednesday, May 3rd, 2023 AT 4:32 PM
Tiny
SISTO27
  • MEMBER
  • 26 POSTS
Before I contacted you that relay behind the battery that is the relay with two larger threaded posts on the bottom where one post toward the cab has a larger red cable coming directly from the battery with two smaller wires connected with it to that post. The other larger post has a smaller red cable also coming directly from the battery and those two red wires from the battery is in a harness to fit directly for the two posts on the relay. The third smaller threaded post above the two larger ones has a capped wire that goes on that smaller post. I removed that relay and tested it by using my jumper cables and attached the negative jumper to the metal frame of the relay where it bolts to the side fender and with the positive jumper I hit the smaller threaded post of the relay and I could hear the relay engage and disengage when I hit the post to make sure that relay was working. Then when I put the relay back, I greased the posts with dielectric grease to lubricate the threads. That relay was not making any buzzing noise it seemed to be fine.
Was this
answer
helpful?
Yes
No
Wednesday, May 3rd, 2023 AT 5:11 PM
Tiny
KEN L
  • MASTER CERTIFIED MECHANIC
  • 55,281 POSTS
Can you please upload images of what you are talking about?
Was this
answer
helpful?
Yes
No
Thursday, May 4th, 2023 AT 11:28 AM
Tiny
SISTO27
  • MEMBER
  • 26 POSTS
This is the wire on the steering column.
Was this
answer
helpful?
Yes
No
Saturday, May 6th, 2023 AT 7:37 PM
Tiny
KEN L
  • MASTER CERTIFIED MECHANIC
  • 55,281 POSTS
That is for the key left in the ignition when the door is open warning sensor.
Was this
answer
helpful?
Yes
No
Sunday, May 7th, 2023 AT 11:31 AM

Please login or register to post a reply.