Tuesday, June 20th, 2017 AT 8:32 AM
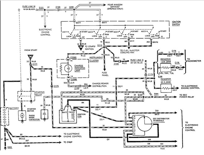
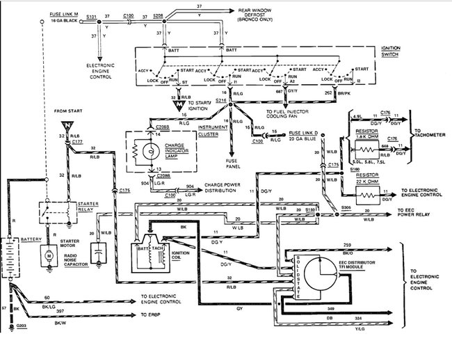
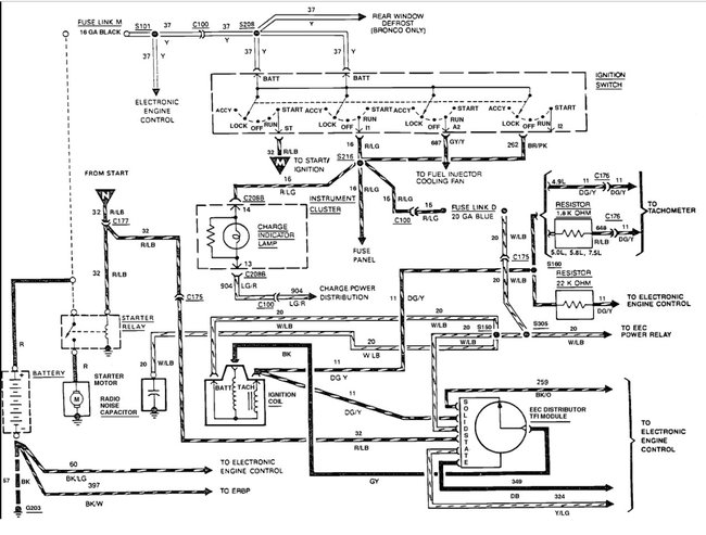
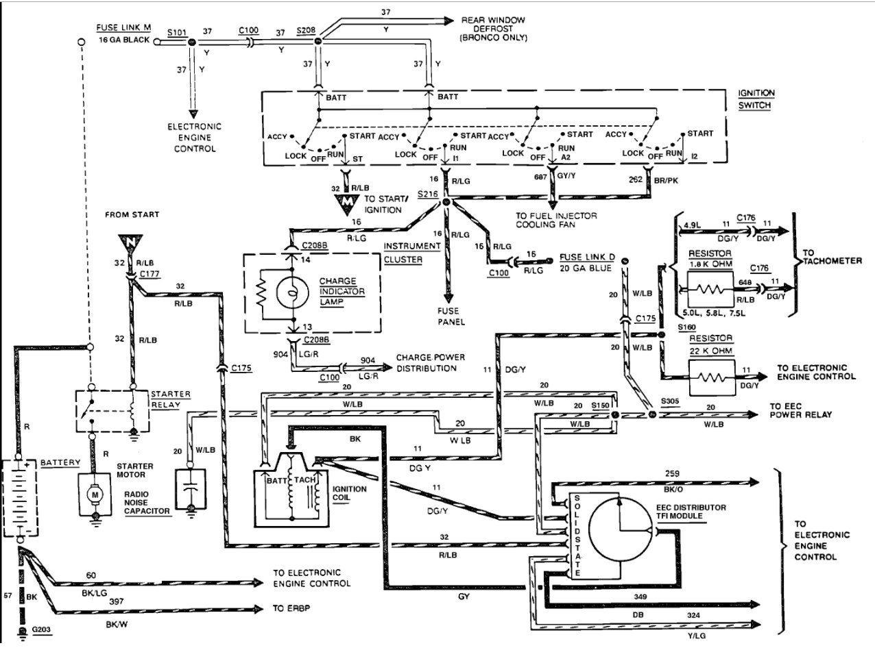
Engine will stall when hot. Crank after stall and I have no spark. Turn key to 0 and crank and engine fires up. Have replaced module, pick up coil and done full tune up. I can let idle for thirty to forty minutes, drive approximately a mile and a half and engine stalls. Turn key off, crank and fire up. Do not understand what seems to reset once key is turned off. Flash codes are 18 and 32. Help please! Not very experienced on Ford. Also have no scan tools. Have been marine and foreign car tech for last twenty five years.



